Thursday, August 10th, 2023 AT 9:25 AM
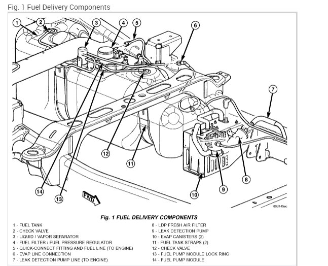
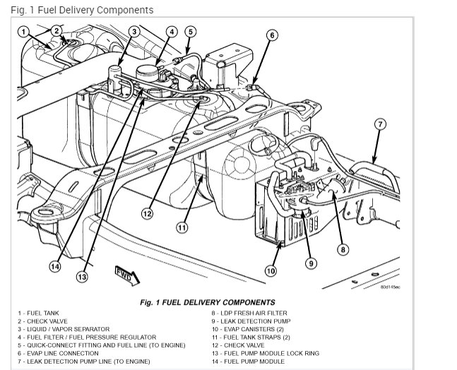
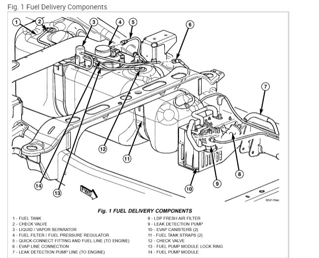
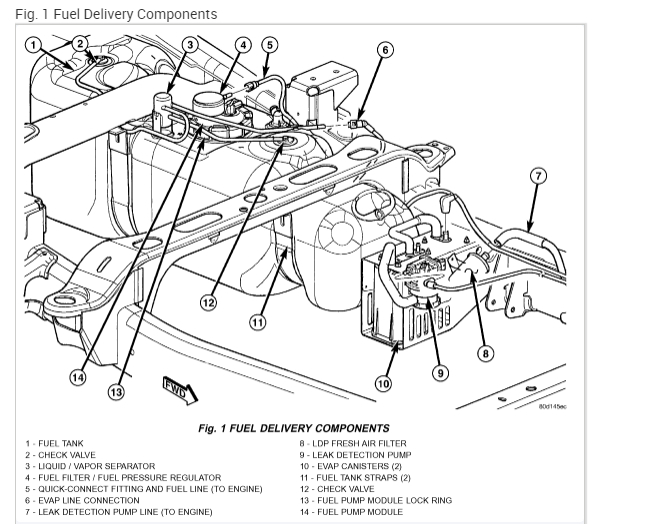
Spins over fine, just doesn't fire. In the twenty years I have owned it, I have never heard the fuel pump make noise, so that suggestion won't help. It started this a few weeks back. Checked forums and one suggestion was hold down the gas petal and spin away, eventually it will fire. That worked for a time, now it does not. No hits on the code reader.


















