Turning signal not working?

Tiny
MANUEL23$
  • MEMBER
  • 1998 CHEVROLET SILVERADO
  • 4.3L
  • V6
  • 2WD
  • AUTOMATIC
  • 150 MILES
My turning signal is not working on my truck.
Sunday, October 15th, 2023 AT 9:00 AM

10 Replies

Tiny
AL514
  • MECHANIC
  • 5,595 POSTS
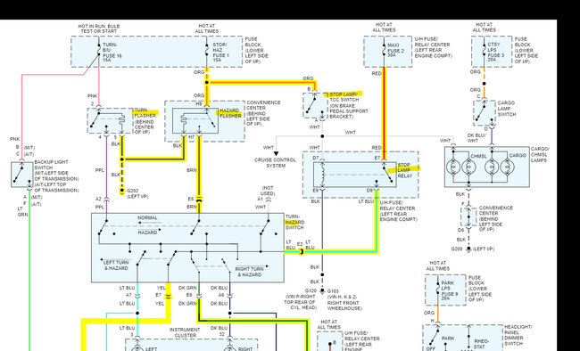
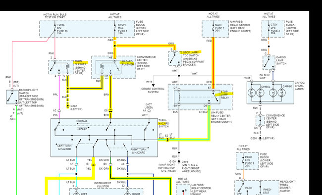
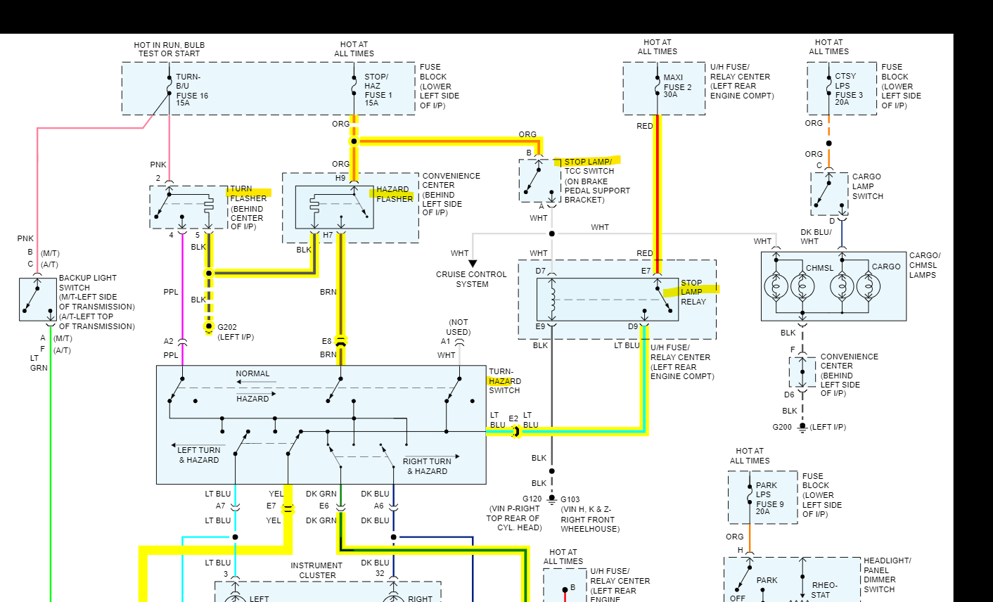
Hello, are all the turn signals not working, front and rear? And does the Hazard Switch work, does it cause the Turn signals to flash on both sides? I'll post a diagram showing how the circuit works and what fuse it comes from.
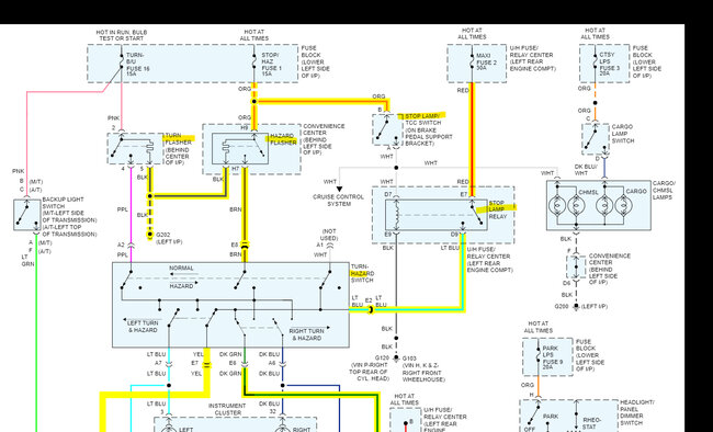
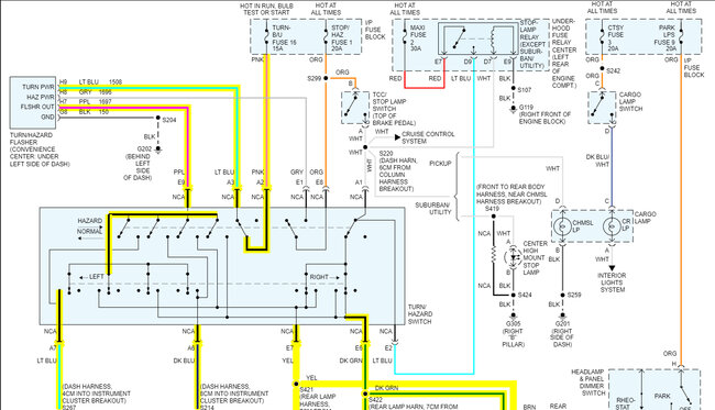
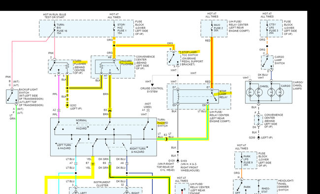
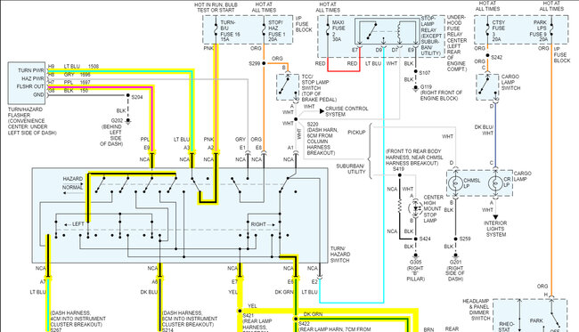
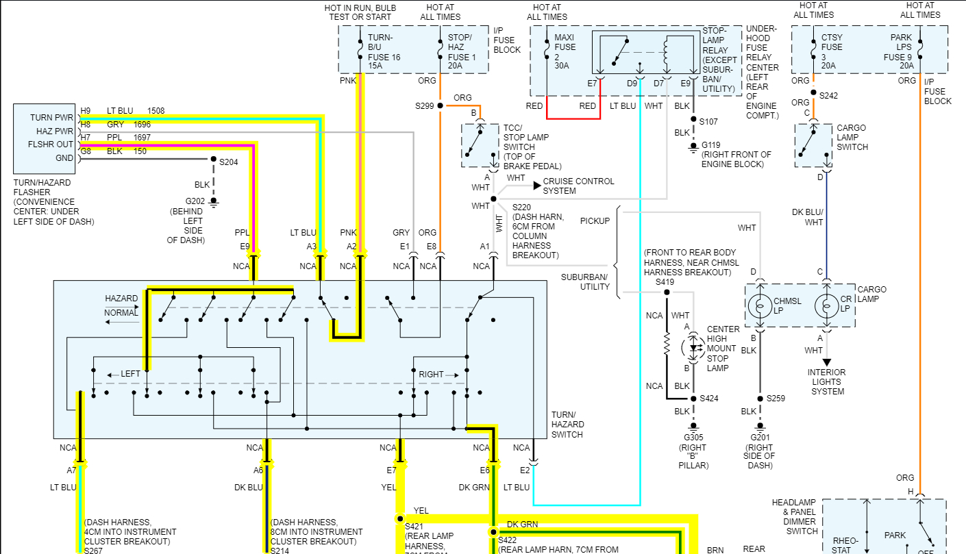
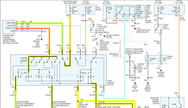
These are the wiring diagrams (top and bottom) for the turn signal and hazard flashers.
Power for the Turn signals comes from the Turn B/U Fuse 16 15amp, and power goes into the Turn/Hazard Switch, back out to the Turn/Hazard Flasher, then back into the Turn/Hazard Switch and I have highlighted the circuits that are used for the Left and Right hand Turn signals, so if the turn signals are not working on the Instrument Cluster, then power is not making it through the Turn Switch since the Cluster turn signals are on the same circuit as the front turn signal bulbs.
Here are a couple of guides to help:

https://www.2carpros.com/articles/how-to-check-a-car-fuse

https://www.2carpros.com/articles/turn-signals-not-working-blinker
Was this
answer
helpful?
Yes
No
Sunday, October 15th, 2023 AT 9:46 AM
Tiny
MANUEL23$
  • MEMBER
  • 6 POSTS
Yes, both front and rear turning signals don't work. The hazard switch does work I have turn it on and it works. Also, the reverse lights don't work when I put my truck on reverse.
Was this
answer
helpful?
Yes
No
Sunday, October 15th, 2023 AT 9:56 AM
Tiny
AL514
  • MECHANIC
  • 5,595 POSTS
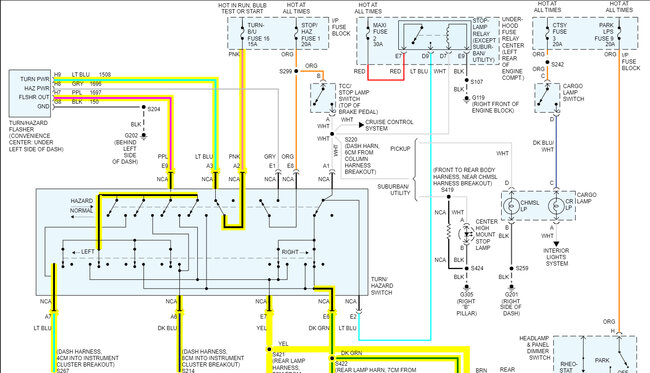
Okay, the Hazards power feed comes from the STOP/HAZ Fuse 1 20Amp, which also goes into the Turn/Hazard Switch, then back out to the Turn/Hazard Flasher the same way that the Turn signal power feed does except from a different fuse.
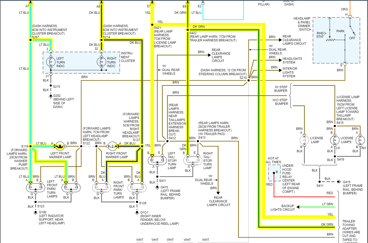
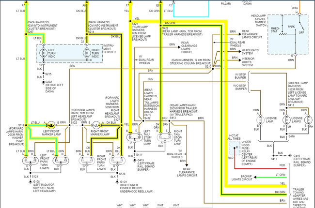
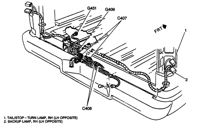
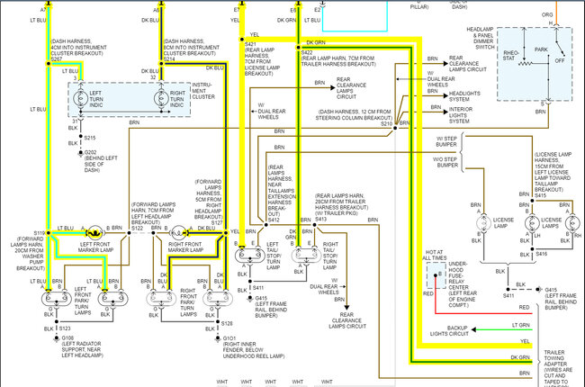
I'll pulled up the Reverse Lamp circuit and they are powered by the same fuse as the Turn Signals are. The TURN B/U Fuse 16 20amp, so if that fuse is blown, there is a short circuit somewhere. And knowing that they run the rear lamps wiring under the rear of the truck, I think you're going to find that there is wiring that has most likely rubbed through the frame somewhere and shorted out that circuit. So, check the fuse first, if its blown, I would start under the rear bed of the truck and look for an exposed wiring, especially if you live in an area that uses salt on the roads during the winter.
The I/P fuse panel is the one on the driver side lower dash, near the driver's door switch.
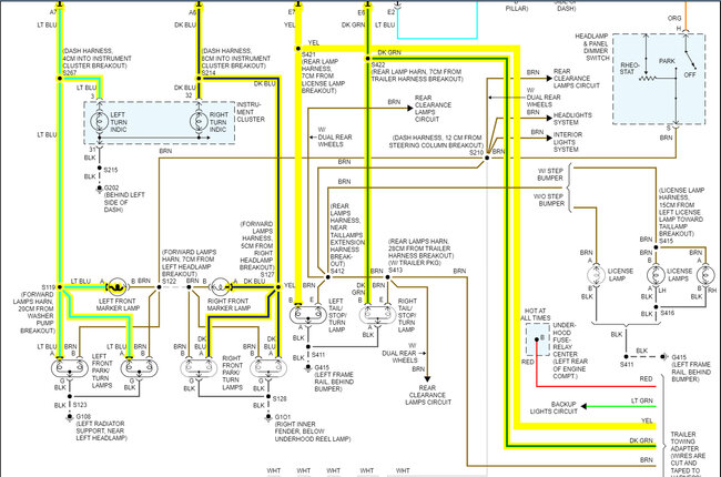
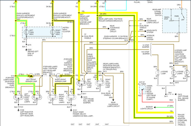
Diagrams 3 and 4 show the rear wiring harness locations, there is also a trailer connector that is supposed to be taped up into the harness in the rear,
Thats where I would start looking for any wiring issues if that fuse is blown, with a vehicle this old, there is bound to be corroded connectors and wires back there. They run along the frame rail in most places. Then work your way forward, since the fuse is in the passenger compartment, it doesn't look like it runs into the engine compartment, so if there is a short to ground it will be from the cab back to the rear.
Was this
answer
helpful?
Yes
No
+1
Sunday, October 15th, 2023 AT 12:21 PM
Tiny
MANUEL23$
  • MEMBER
  • 6 POSTS
Thank you, you are correct I found a wire shorting out in the rear. Thank you so much, great help. I also have 1995 chevy 4.3 L that the headlight does not work. Can you help me with that too?
Was this
answer
helpful?
Yes
No
Wednesday, October 18th, 2023 AT 9:39 AM
Tiny
AL514
  • MECHANIC
  • 5,595 POSTS
Thats great, was the fuse blown for those 2 circuits? I can put up a diagram for the headlight circuit for you, those older diagrams are not as accurate but Ill post what I can find, is this a 95 S10 pickup or Blazer? And 2 or 4wd? And theres an option for daylight running lights. Actually the VIN number on this one would be best, there are way too many options for that year and engine.

Also would you mind posting a picture of the short if its not already repaired and sealed up, its just good to have, it helps future customers get an idea of what to look for when it comes to circuits that have rubbed through the conduit and short out on the frame or body. If the repair is all sealed up and finished, dont worry about it.
Was this
answer
helpful?
Yes
No
Wednesday, October 18th, 2023 AT 9:49 AM
Tiny
MANUEL23$
  • MEMBER
  • 6 POSTS
Yes, they were. Thank you for the help. This other truck I have is 1995 chevy Silverado Fleetside 4.3L rear wheel drive the headlights don't work an I think in this one the hazard lights don't work either.
Was this
answer
helpful?
Yes
No
Wednesday, October 18th, 2023 AT 9:56 AM
Tiny
AL514
  • MECHANIC
  • 5,595 POSTS
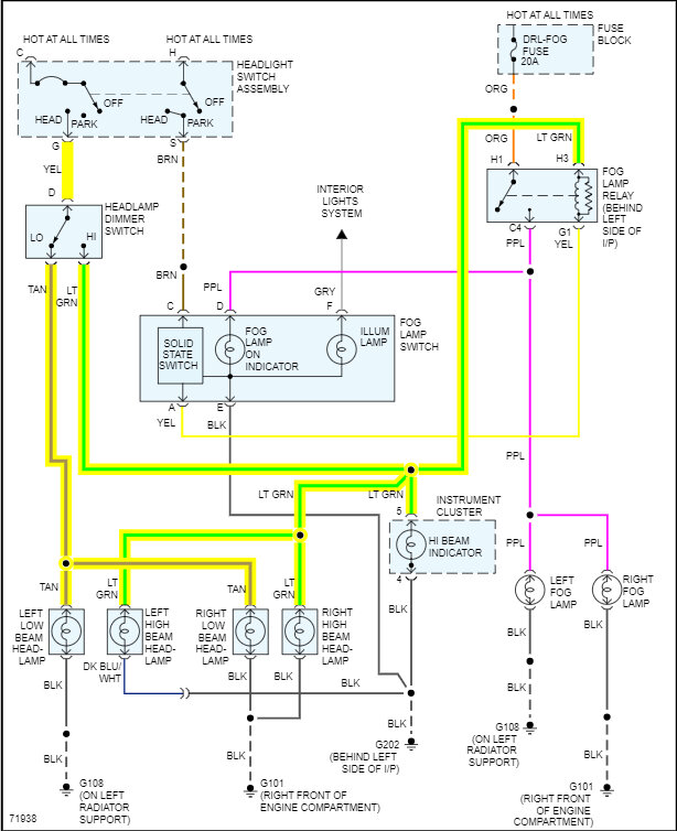
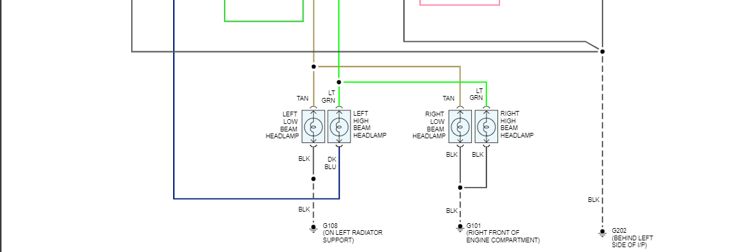
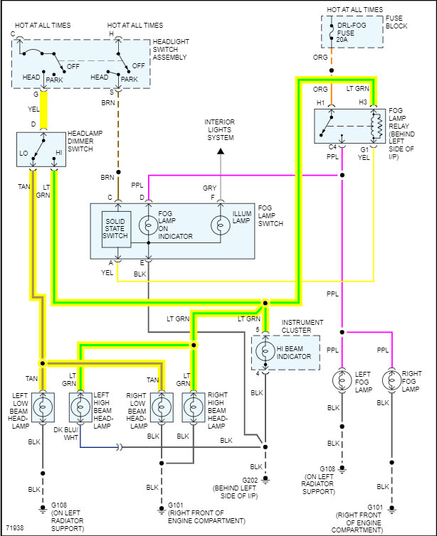
Does it have Daytime running lights (DRL)? And with or without Fog lamps? So there's a couple options here.
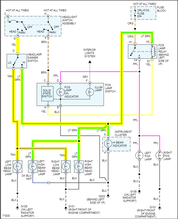
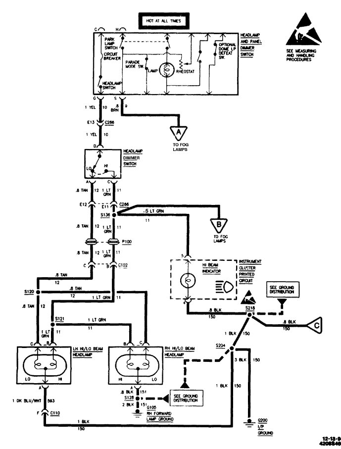
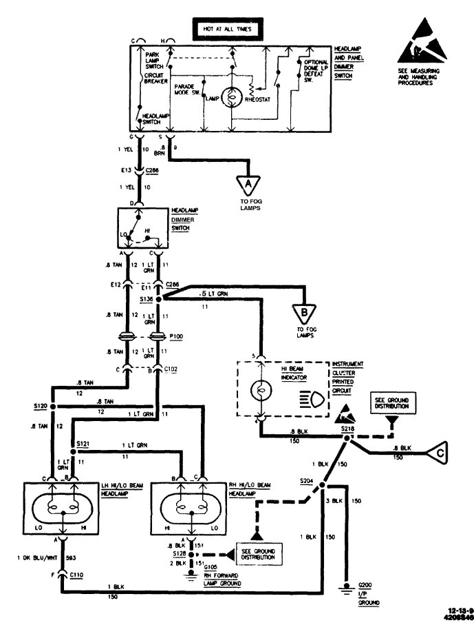
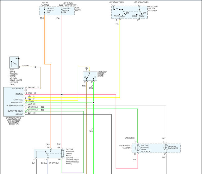
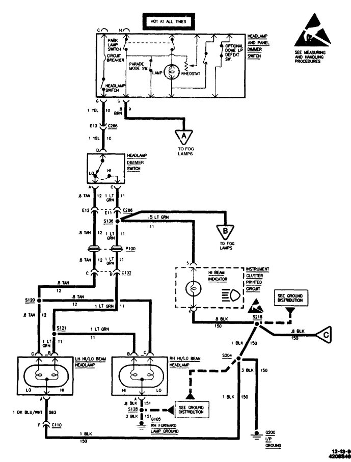
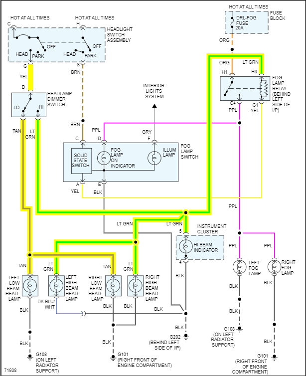
The 1st here is a composite headlamp without daytime running lamp option, it's a pretty basic circuit.
The 2nd is a composite headlamp with a daytime running lamp module involved, the only difference here is the head lamp dimmer (High beam-Low beam) has a circuit that a circuit that sends power to the DRL module, it looks like just to turn on the DRL relay, but I would start with the head lamp switch, see if you have power coming out the yellow wire, because it's the same on each design, if you do have power on the yellow wire, then move to the Dimmer switch next (High and Low Beam switch). The High Beam indicator on the Instrument Cluster should light up when High Beams are on if the Dimmer switch is ok because the Cluster indicator gets power on the same circuit.

So, if the high beam is not showing up on the Instrument Cluster, you know that power is not making it to the Dimmer Switch. Just ignore the DRL stuff for now, Ill see if any fuses link the Hazards and Headlamps together.

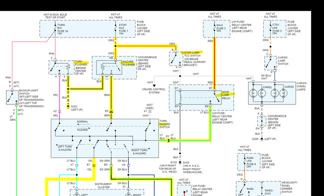
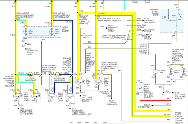
If your Brake lamps, and Turn Signals work ok, then either the Hazard Flasher doesn't work or the Hazard switch/ or wiring to it has an issue. Because the Stop Lamp relay is powered off the same fuse as the Hazard Flasher, and the Turn Signal Flasher shares a Ground with the Hazard Flasher,
It looks like they run the Turn signals, Stop Lamps, and Hazards all through the
Turn-Hazard Switch as you can see in the 4th diagram.
So, it can only be the Hazard Flasher, its wiring, or part of the Hazard switch not changing over from the Turn signals to Hazard signals with the way this circuit is set up.
The Flashers are just relays that heat up and cool down, opening and closing the circuit on these older vehicles, they just eventually wear out,
The Hazard Flasher should have 3 wires going to it, looks like it's near the interior fuse panel. With an orange wire which is B+, a Brown wire which would be its Output flashing and a black wire for Ground if these diagrams are correct.
Was this
answer
helpful?
Yes
No
Wednesday, October 18th, 2023 AT 10:39 AM
Tiny
MANUEL23$
  • MEMBER
  • 6 POSTS
No fog lights or daytime. Okay, I will look at the diagram you send and trace the wires.
Was this
answer
helpful?
Yes
No
Friday, October 20th, 2023 AT 8:39 AM
Tiny
AL514
  • MECHANIC
  • 5,595 POSTS
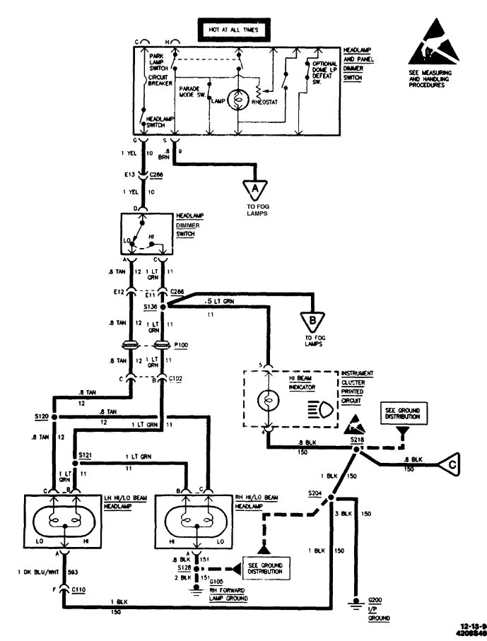
This is the OEM diagram for the model with base head lamps, no DRL, no fog lamps, although it does show a circuit going out to fog lamps labelled A and C, ignore those, that is for the Quad headlamp setup which includes fog lamps.
This one here you're dealing with the Headlamp switch, the High Beam-Low Beam Dimmer switch, the High Beam indicator on the Instrument Cluster and Grounds. Now I'm not sure why they have the driver side head lamp grounded the way they do, using the instrument Panel Ground G200, that may not be correct, but check for power on each side first, if you have power you know it's a bad ground, if there's no power, work you're way back up the circuit.
Was this
answer
helpful?
Yes
No
Friday, October 20th, 2023 AT 9:27 AM
Tiny
MANUEL23$
  • MEMBER
  • 6 POSTS
Okay, I will check that first then go from there. Thank you.
Was this
answer
helpful?
Yes
No
Saturday, November 4th, 2023 AT 11:45 AM

Please login or register to post a reply.