Tuesday, August 31st, 2021 AT 8:30 AM
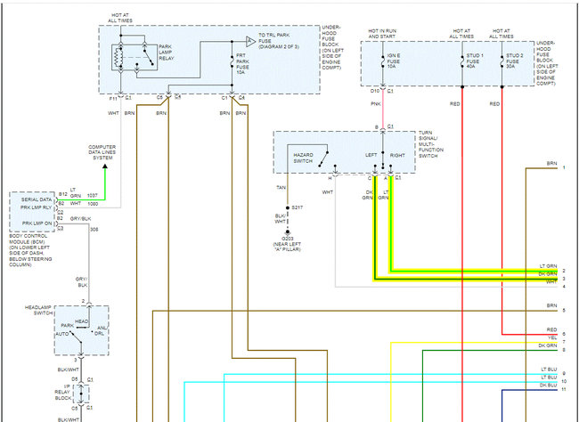
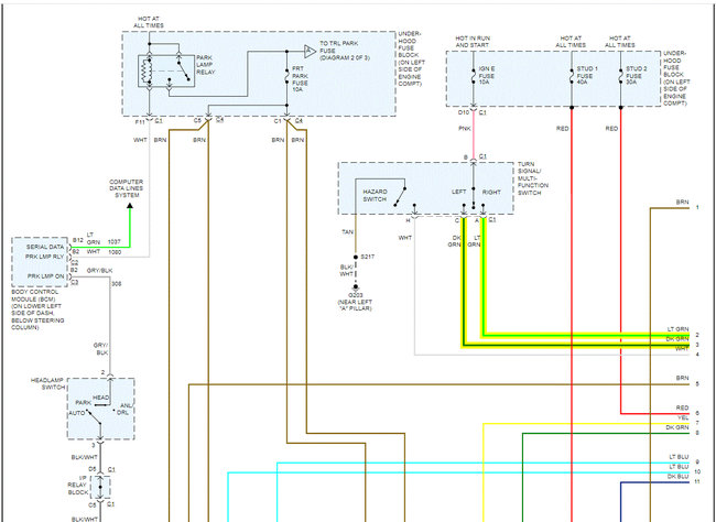
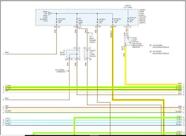
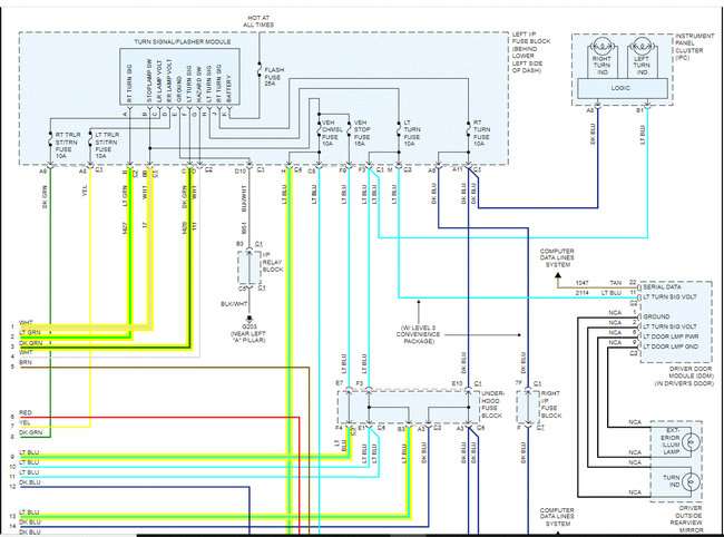
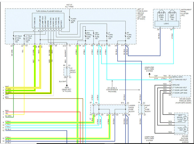
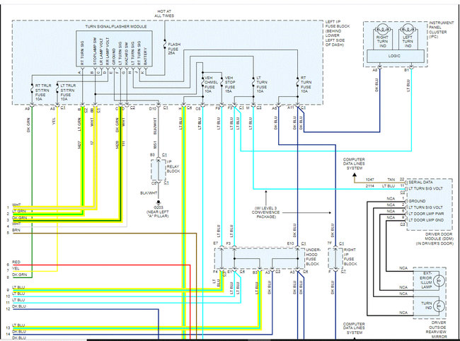
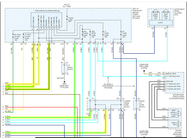
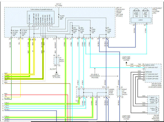
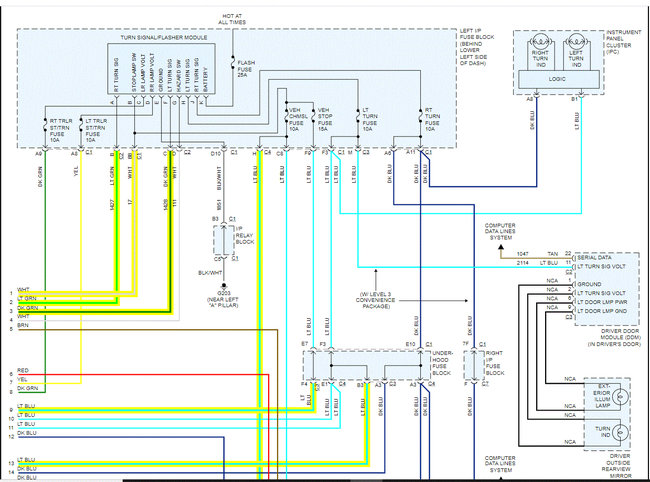
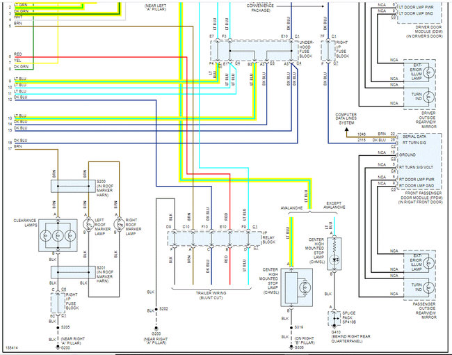
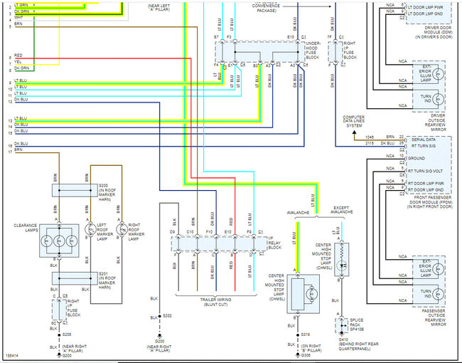
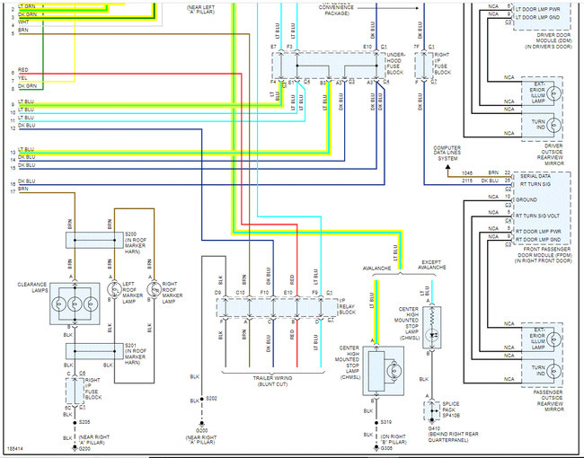
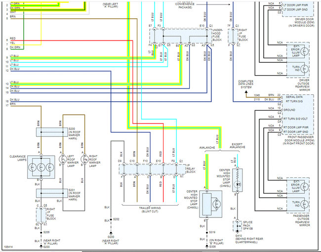
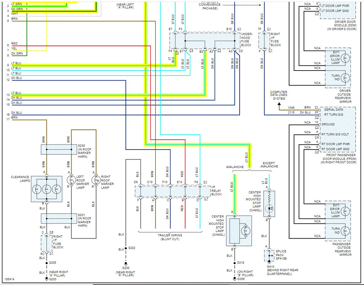
This is my Mother in-law's vehicle she has an issue where the turn signals stop flashing with brake on, when brake is released they flash. However when the brake off the 3rd brake light flashes with the turn signals. I have already changed the bulbs and the Flasher module and cleaned the junction box at the rear. The only other thing I can think of is bad ground maybe. Could someone please show me the wiring diagram for the turn signals? Also can't hurt to see if anyone else has any thoughts.






