Tuesday, February 7th, 2023 AT 8:55 AM
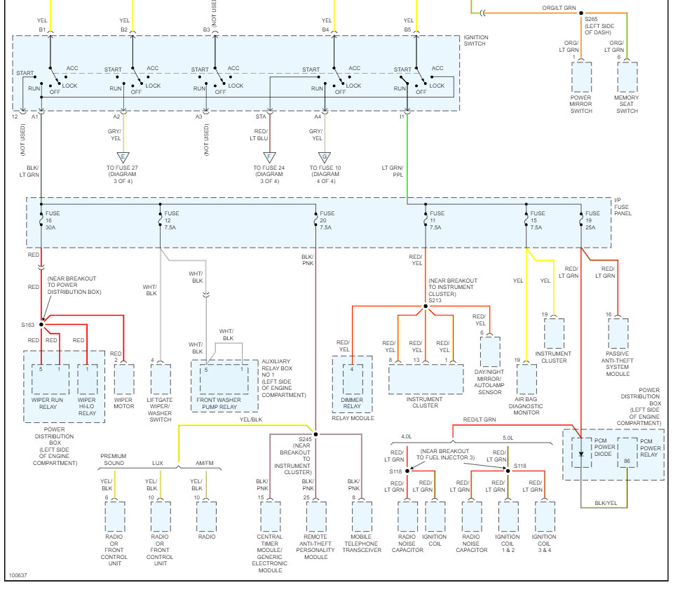
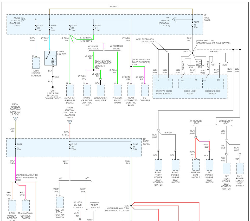
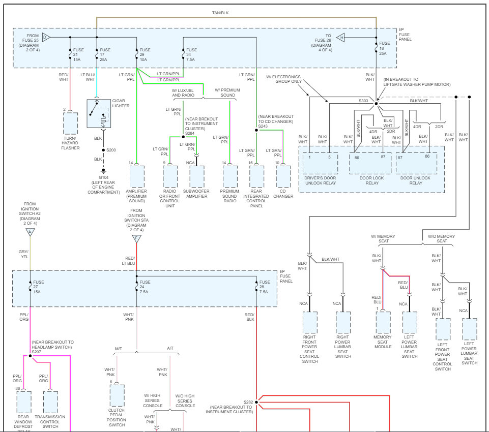
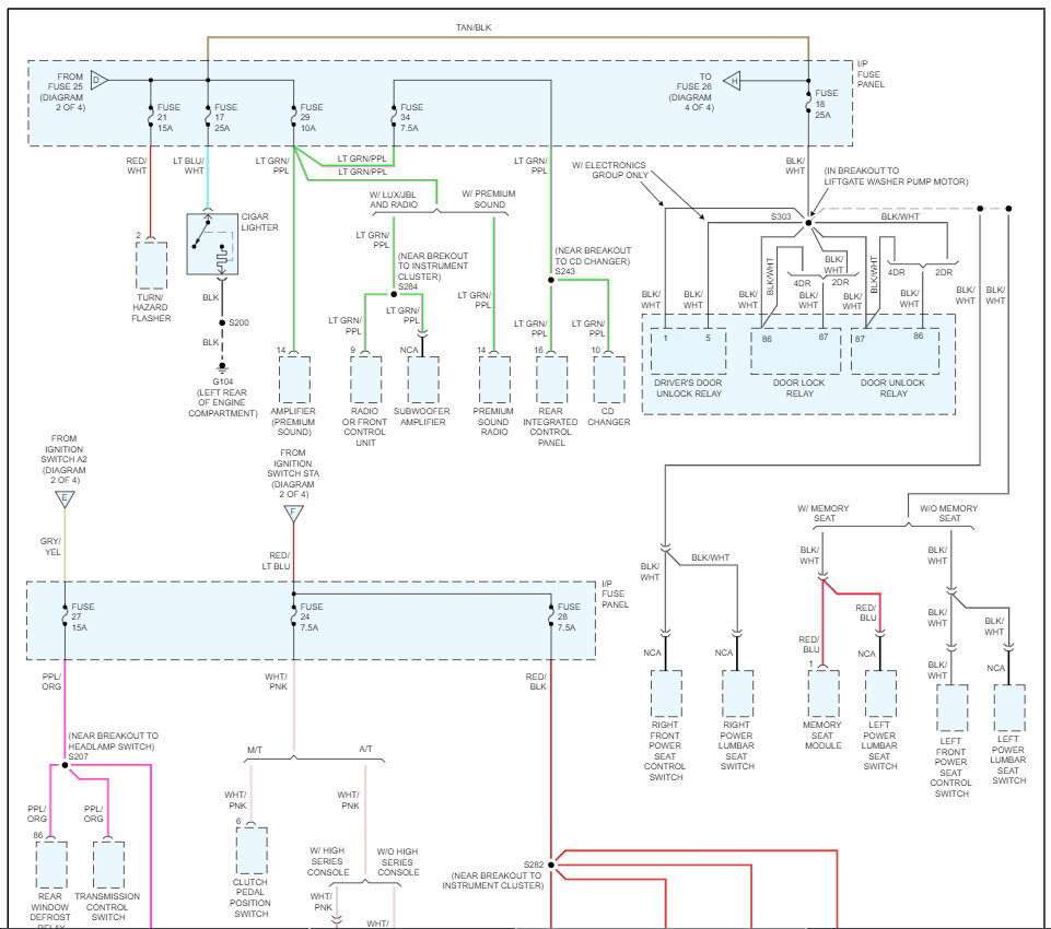
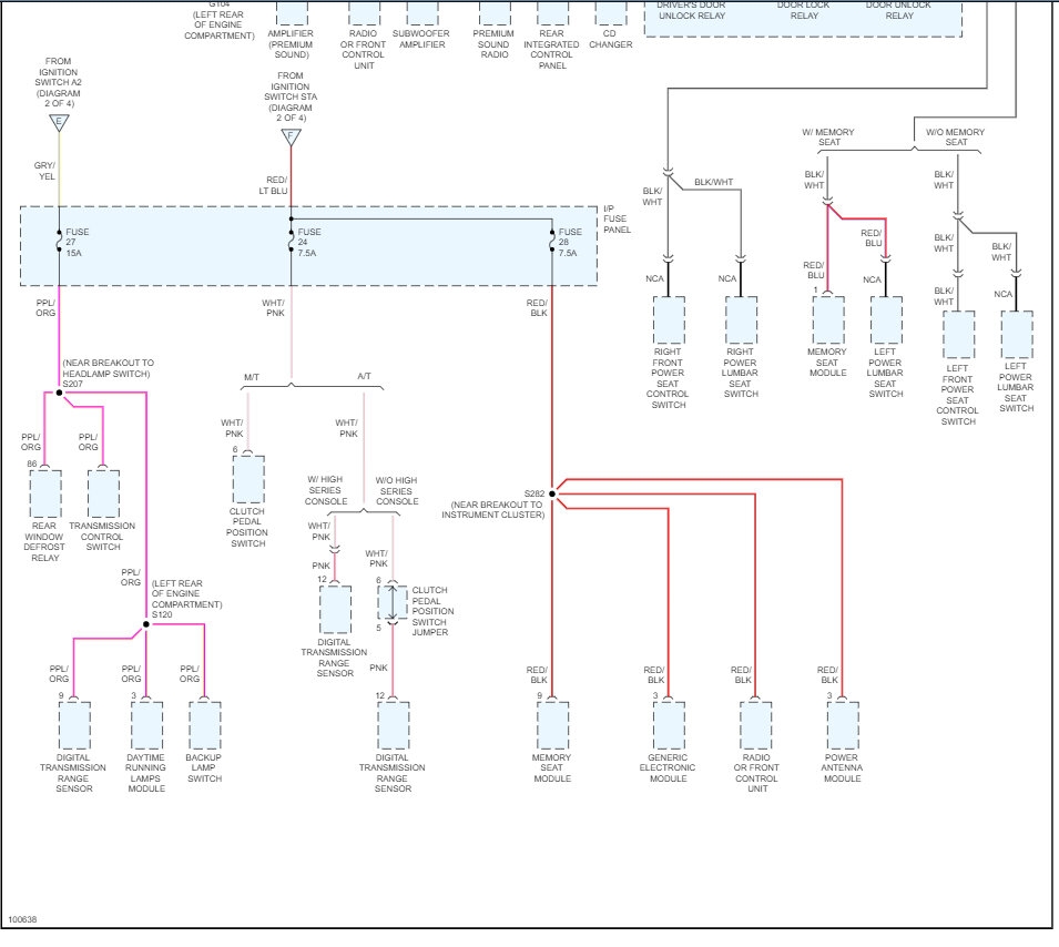
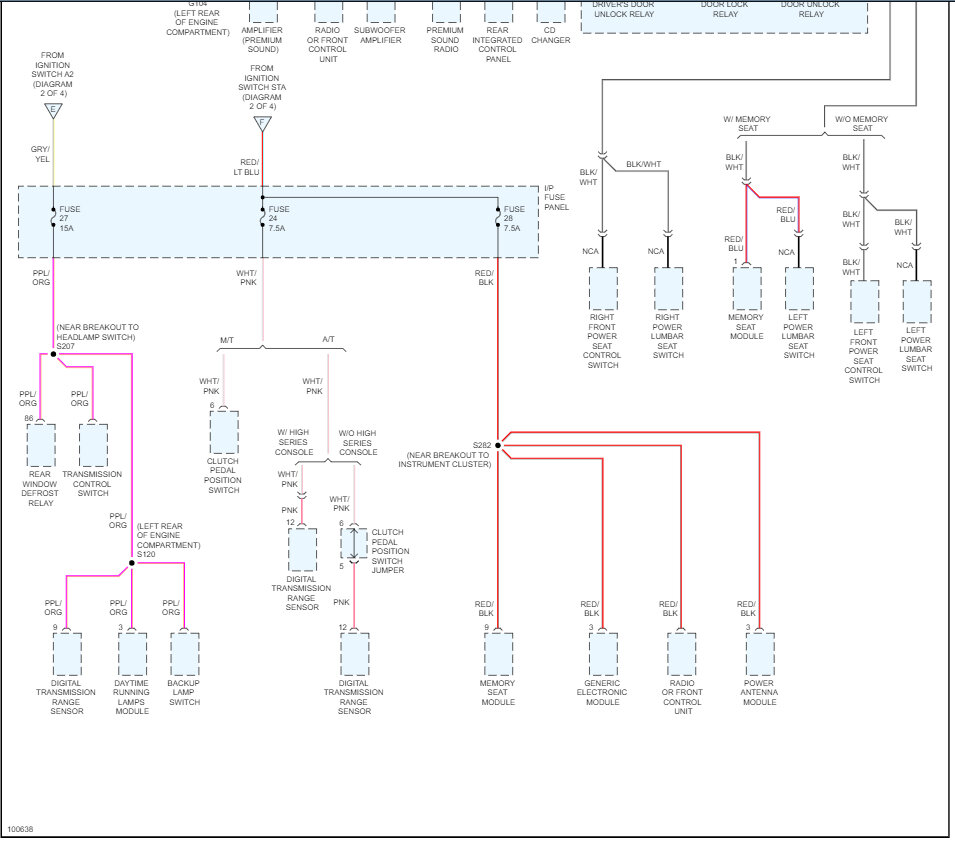
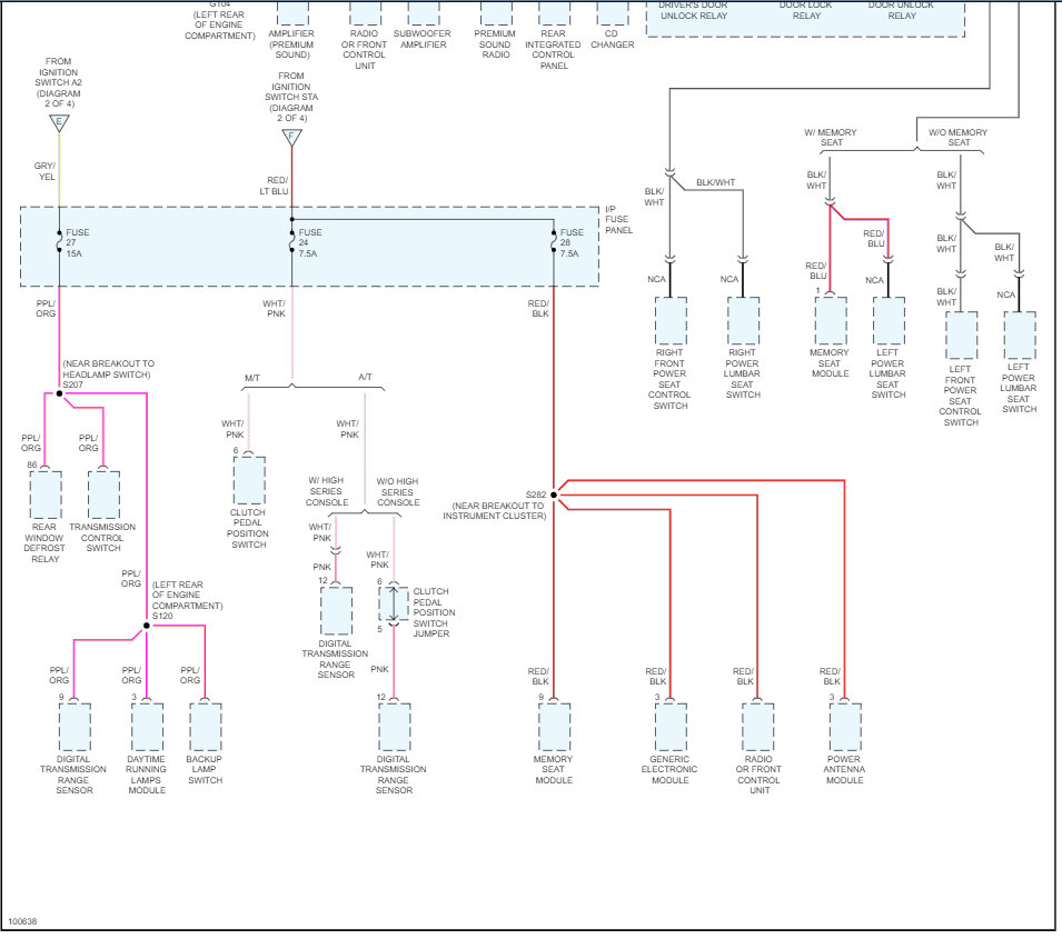
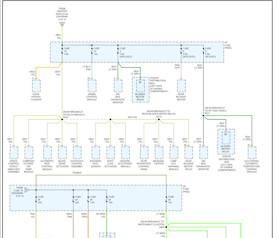
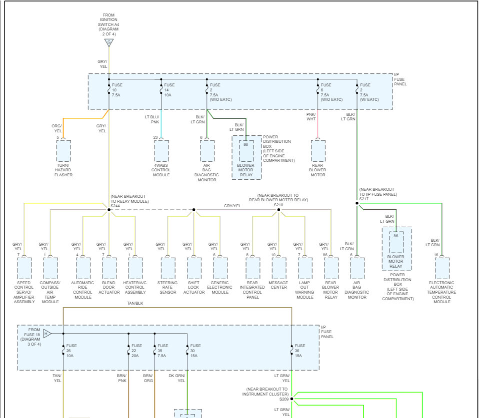
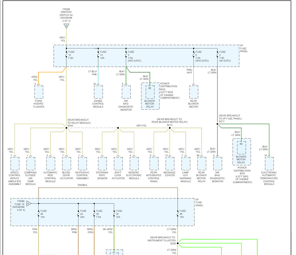
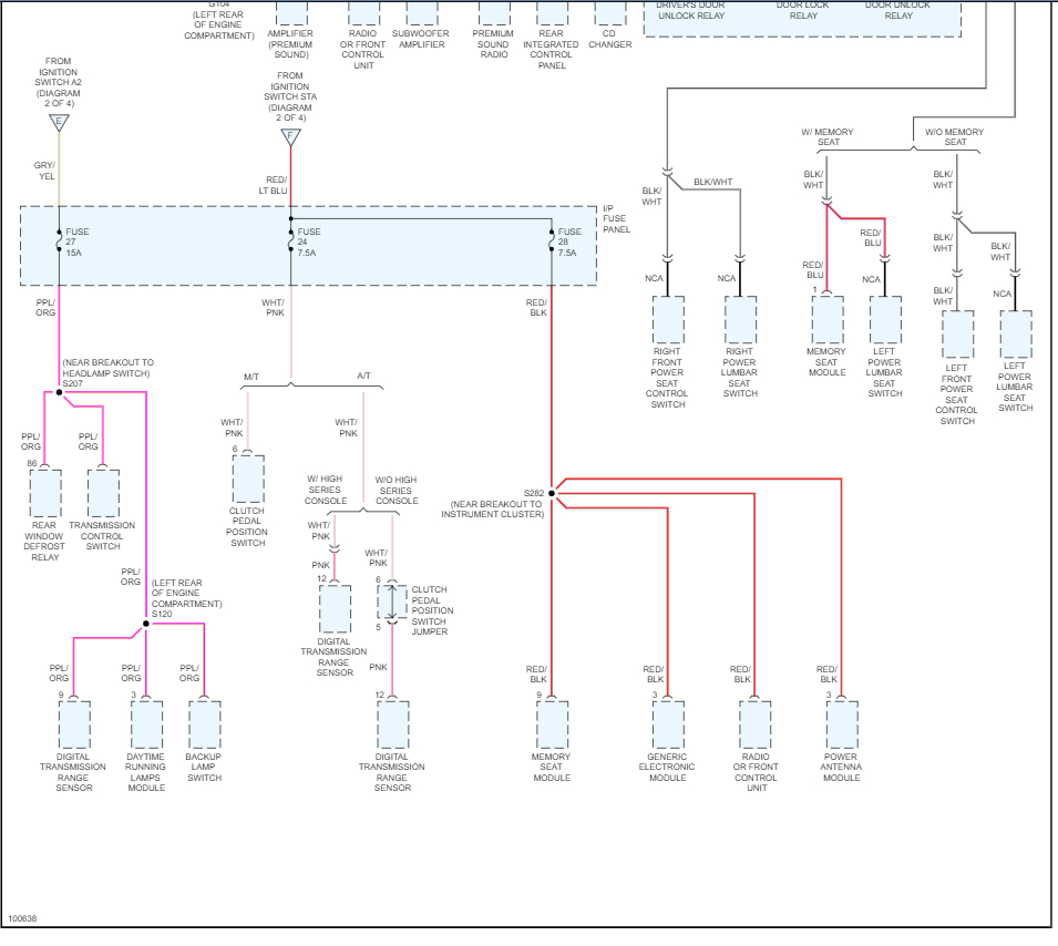
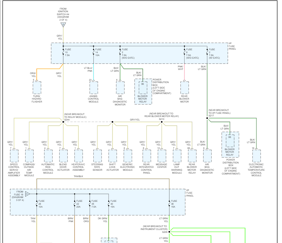
At first, I realized the turn signals didn't work. No lights on the dash, no clicking, nothing. Checked fuses and they are fine. I continued driving the vehicle and realized there were more items that stopped working. Cruise controls no longer worked (it did prior to flashers going out), 4-wheel drive no longer works, center overhead display in-top, and door chimes when vehicle is running, and door is open. Thinking this is an electrical problem that talked to all of these components but unsure where to start. Again, all of these items worked prior to the turn signals going out.













