Turn signals and hazards not working

Tiny
JUDD STANBERRY
  • MEMBER
  • 2004 JEEP GRAND CHEROKEE
  • 4.7L
  • V8
  • 4WD
  • AUTOMATIC
  • 139,000 MILES
I purchased the vehicle used. Initially it had an intermittent left turn signal. I tried to doing the soldering fix on the relay but then I had no flashers at all. So I bought an after market Flasher Relay as the fuse was not blown. When I plugged it in and connected everything back up I had an Airbag light and a seatbelt light and still no flashers. I returned the relay and ordered an OEM relay. Still had the warning lights and now flashers. I decided to try and fix warning lights first since everything I read said I could potentially get an airbag deployed. I ended up disconnecting my battery for over an hour. I hooked it back up and I don't have the warning lights anymore but I still have no flashers.

So I have a new OEM/Mopar Flasher Relay installed, I put a new fuse in place and I have no flashers. What is my next step?
Friday, October 18th, 2019 AT 6:43 AM

6 Replies

Tiny
ASEMASTER6371
  • MECHANIC
  • 52,796 POSTS
Good morning,

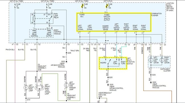
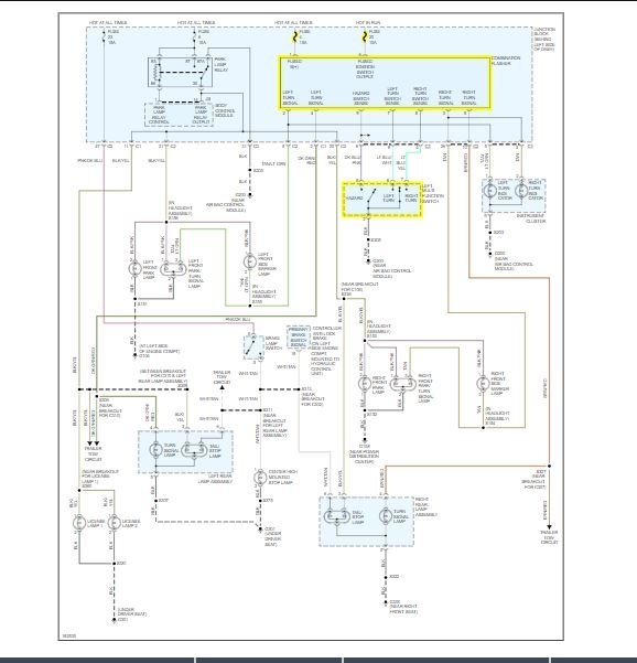
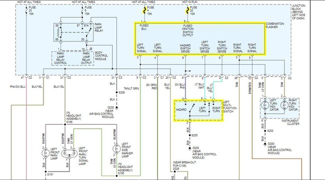
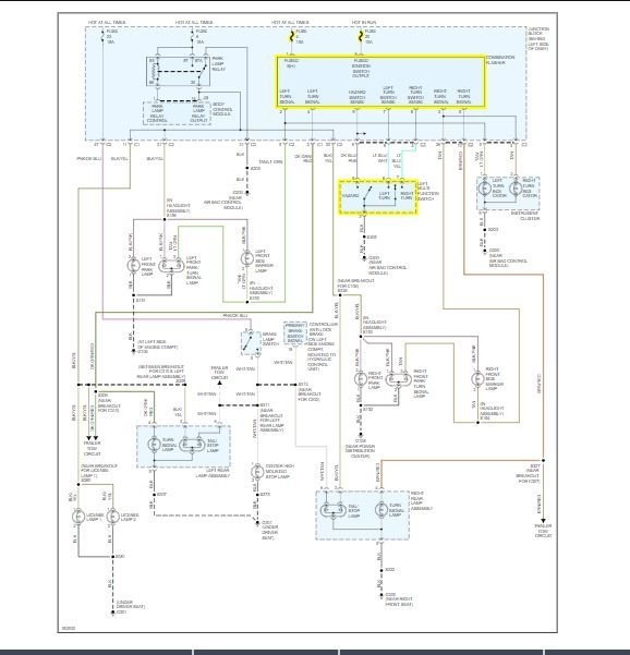
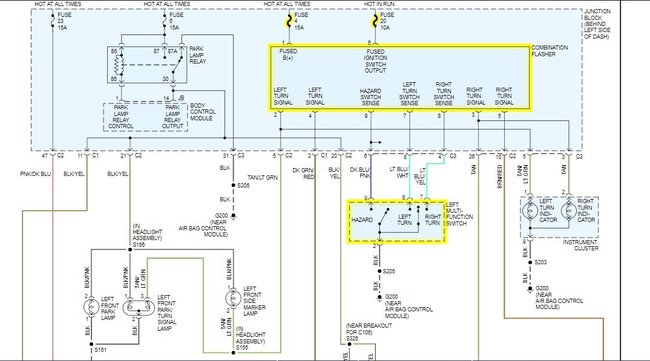
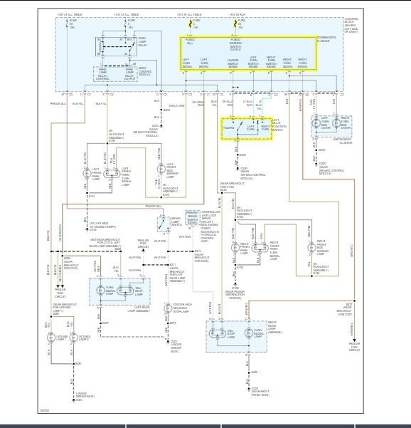
I attached the wiring diagram for you to view. You need to check for power at the relay. I highlighted both fuses that control the relay. Verify voltage to the relay with the color of the wires first.

Roy
Was this
answer
helpful?
Yes
No
Monday, March 29th, 2021 AT 12:20 PM
Tiny
JUDD STANBERRY
  • MEMBER
  • 4 POSTS
Okay. I checked both fuses and both are good. Should I get a voltmeter and check power to those point?
Where is the "left Multi-function switch located"?
Was this
answer
helpful?
Yes
No
Monday, March 29th, 2021 AT 12:20 PM
Tiny
ASEMASTER6371
  • MECHANIC
  • 52,796 POSTS
You need to verify power at the fuses. That is not a visual test, it is a voltage test.

Yes, you need a meter.

That is the stalk that turns on the left and right turn signals.

Roy
Was this
answer
helpful?
Yes
No
Monday, March 29th, 2021 AT 12:20 PM
Tiny
JUDD STANBERRY
  • MEMBER
  • 4 POSTS
Okay, I when I get back home I will break out my volt meter to check it out. I know fuse 20 has power when I pulled it my blower for the heat shut off.
Was this
answer
helpful?
Yes
No
Monday, March 29th, 2021 AT 12:20 PM
Tiny
JUDD STANBERRY
  • MEMBER
  • 4 POSTS
Okay. I checked the voltage at the #4 fuse and I am getting 12.1VDC. I know the lights are good because they flash when I lock or unlock the vehicle. Could it be the stick in the stalk?
Is there anything that could short like a fuse in the stalk that would take out both directionals and the hazards?
Was this
answer
helpful?
Yes
No
Monday, March 29th, 2021 AT 12:20 PM
Tiny
ASEMASTER6371
  • MECHANIC
  • 52,796 POSTS
Check the voltage at the flasher as well. You should have 2 powers going to the flasher.

Roy
Was this
answer
helpful?
Yes
No
Monday, March 29th, 2021 AT 12:20 PM

Please login or register to post a reply.