Turn signals do not work anymore

Tiny
HLORENZ
  • MEMBER
  • 1997 ACURA CL
  • 3.0L
  • 250,000 MILES
A neighbor did my timing belt, now the turn signals do not work. It is not the bulbs, and hazard's still work. Any ideas?
Sunday, September 9th, 2018 AT 10:15 AM

1 Reply

Tiny
KEN L
  • MASTER CERTIFIED MECHANIC
  • 55,522 POSTS
Hello,

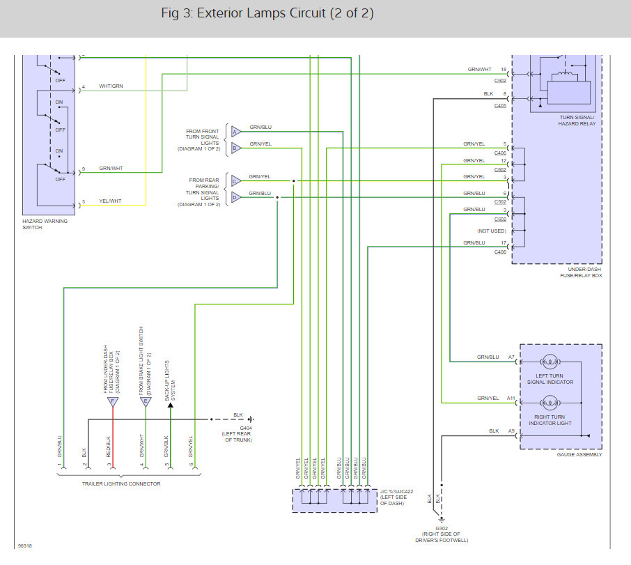
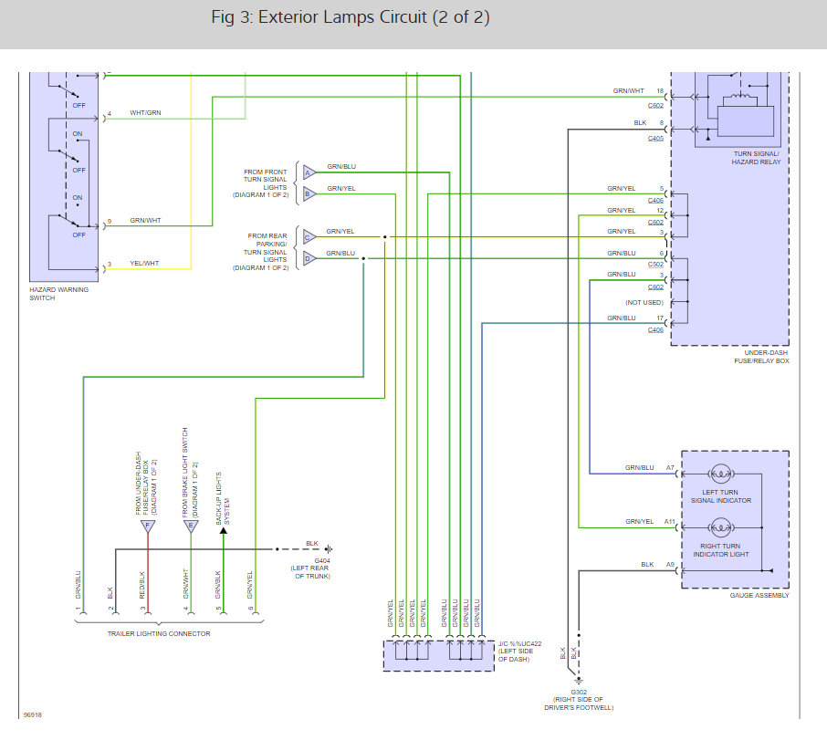
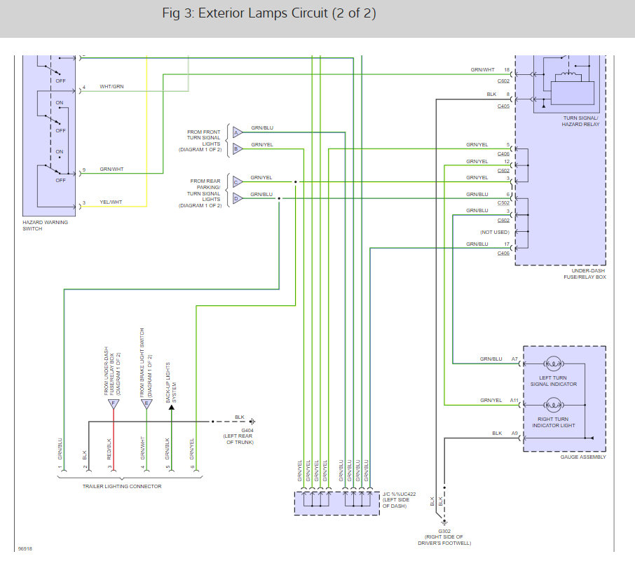
The blinker use fuse #12 in the left kick panel. Can you see if it is blown? Here is a guide to help you check it and the fuse locations and the blinker wiring diagrams so you can see how they work:

https://www.2carpros.com/articles/how-to-check-a-car-fuse

Check out the diagrams (below). Please let us know what happens.

Cheers, Ken
Was this
answer
helpful?
Yes
No
Monday, September 10th, 2018 AT 1:10 PM

Please login or register to post a reply.