Turn signals do not work?

Tiny
MISSEVVIE
  • MEMBER
  • 2001 DAEWOO LEGANZA
  • 2.2L
  • 4 CYL
  • 2WD
  • AUTOMATIC
  • 200,000 MILES
My turn signals don't work but my flashers do, so the bulbs are good.
I've replaced the multi switch on the column, the green flasher relay under the dash, and the fuses are good.
What next? Isn't that everything?
Thank you in advance for any information!
Monday, May 29th, 2023 AT 1:19 PM

1 Reply

Tiny
KEN L
  • MASTER CERTIFIED MECHANIC
  • 55,481 POSTS
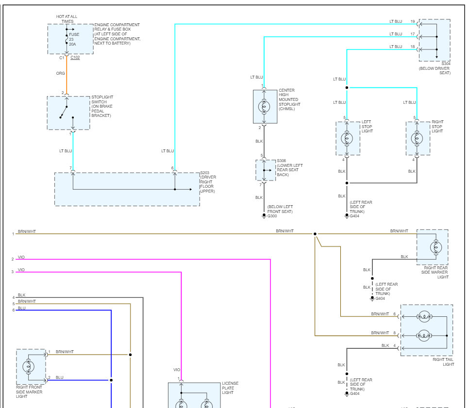
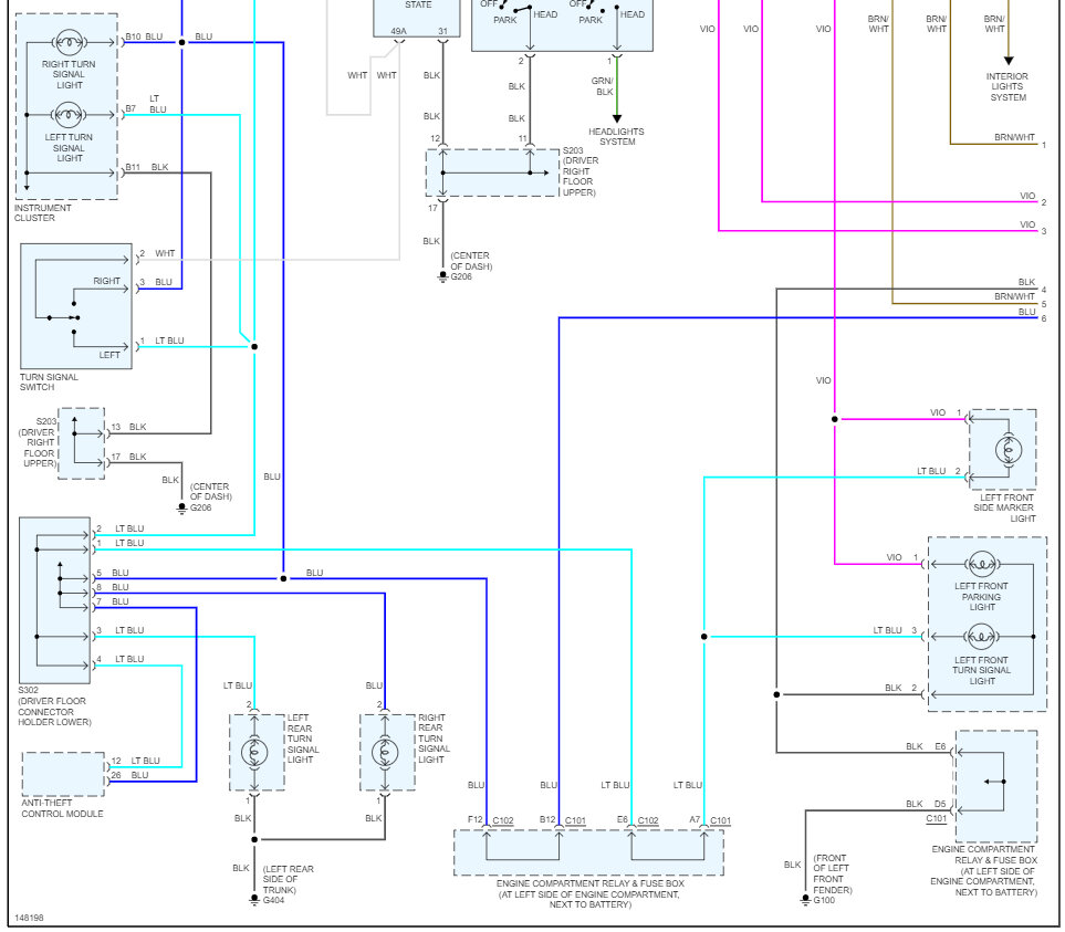
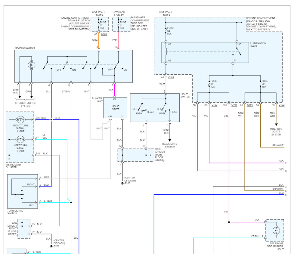
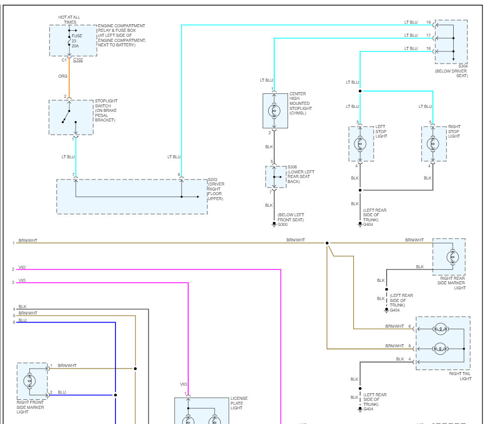
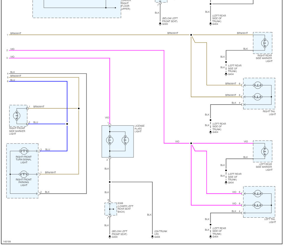
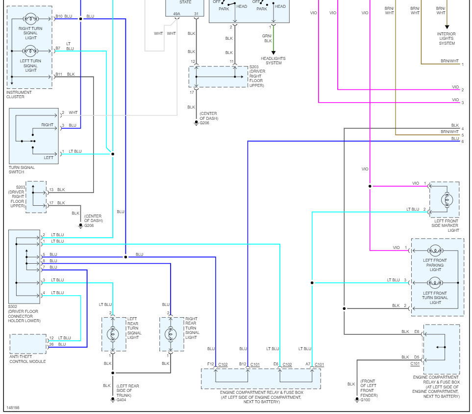
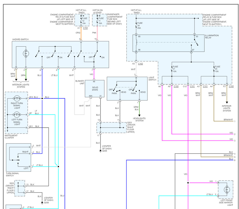
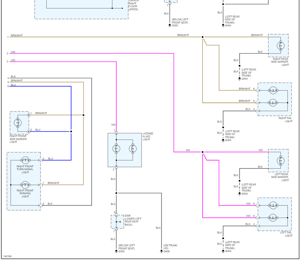
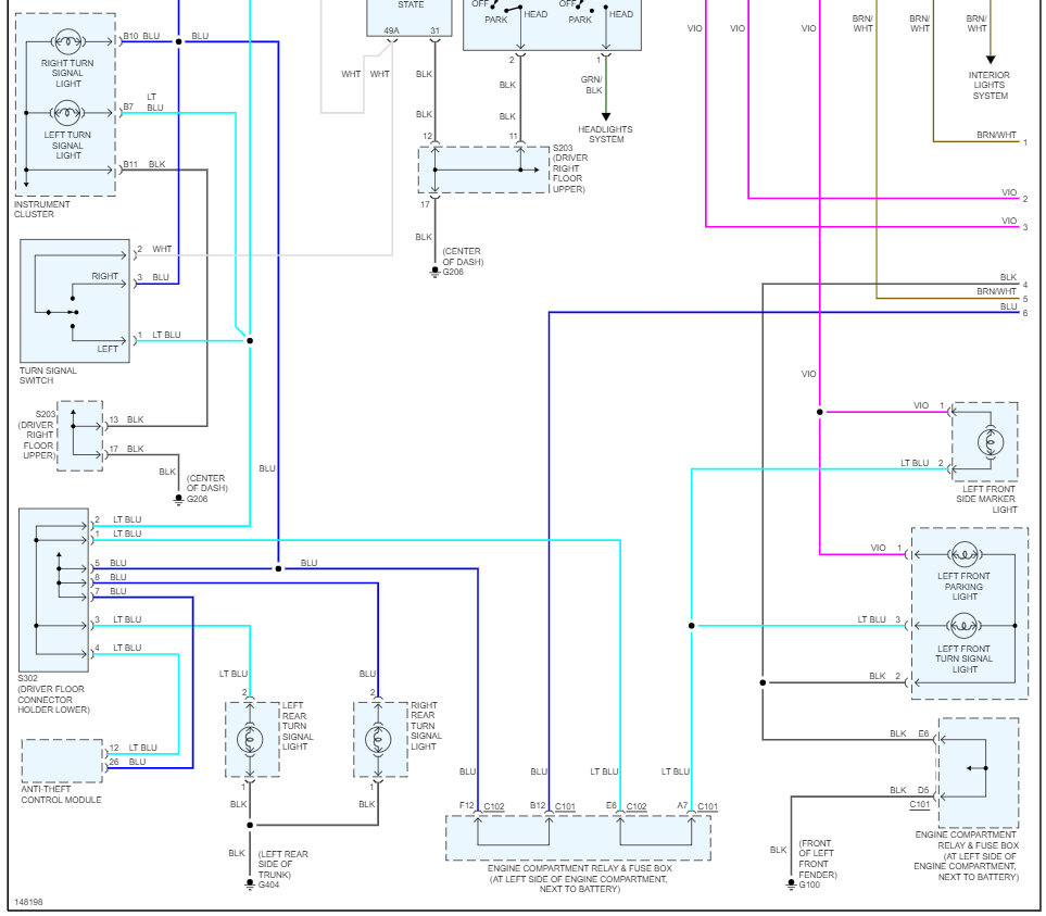
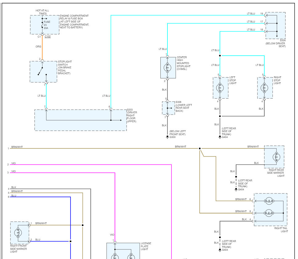
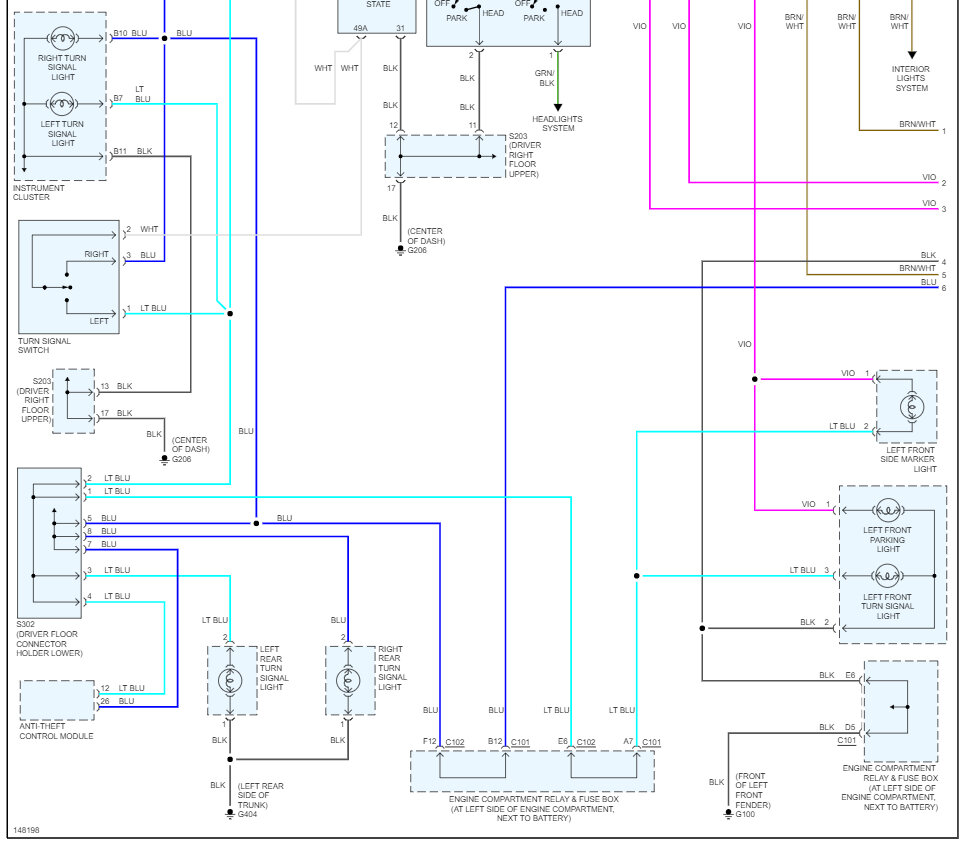
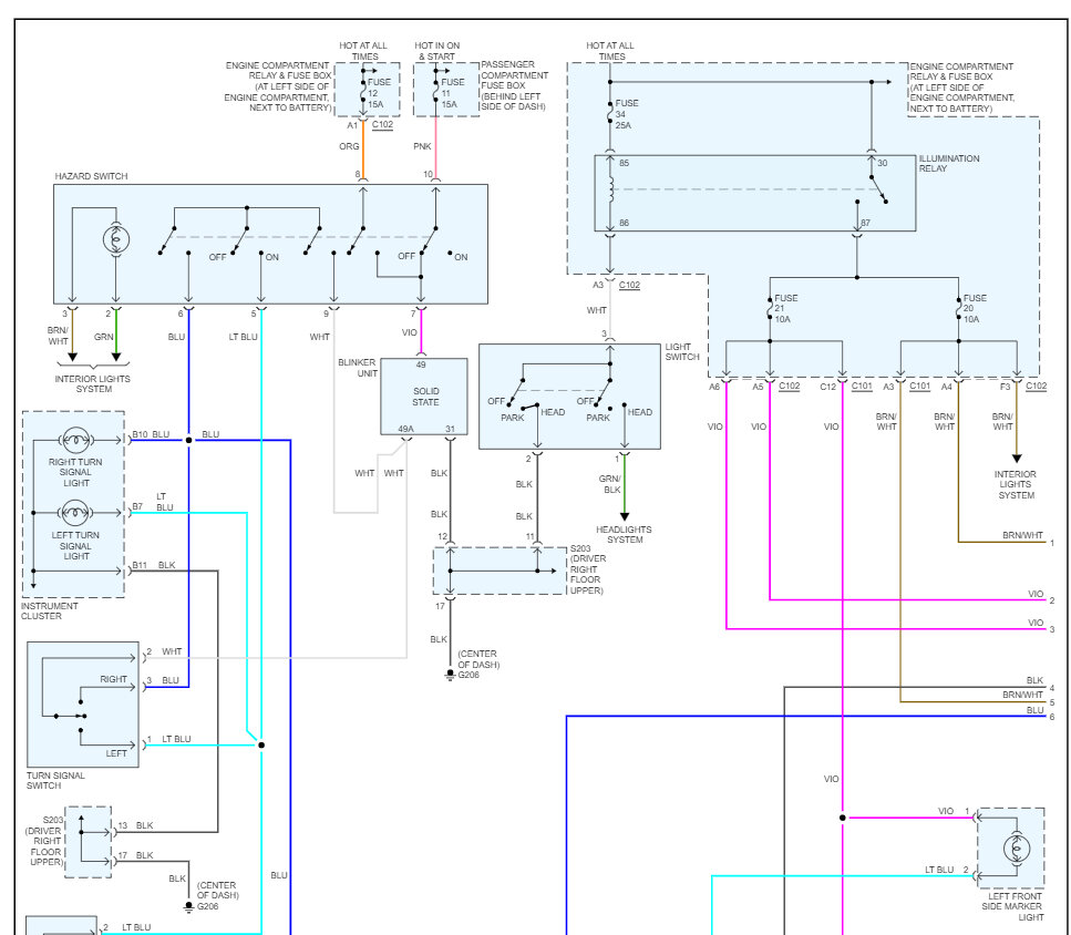
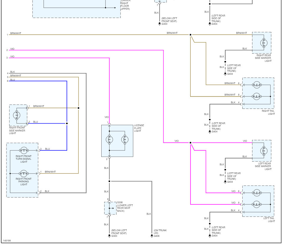
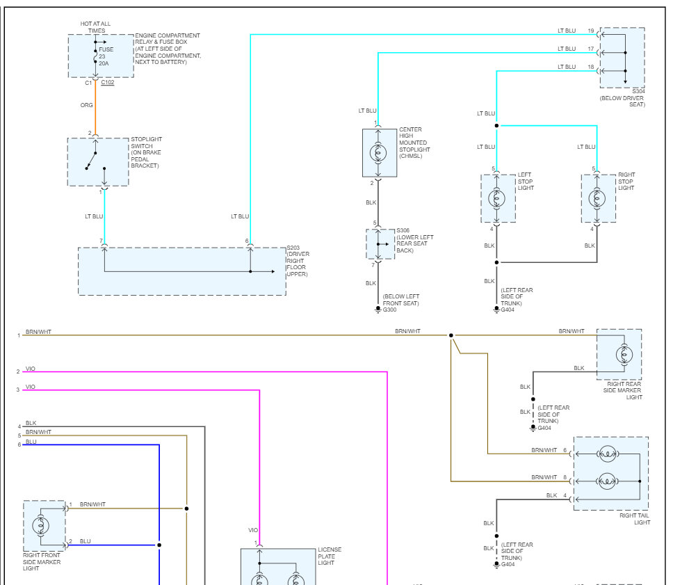
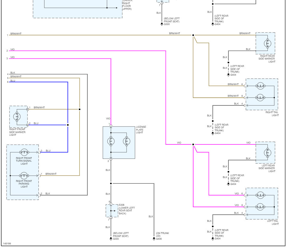
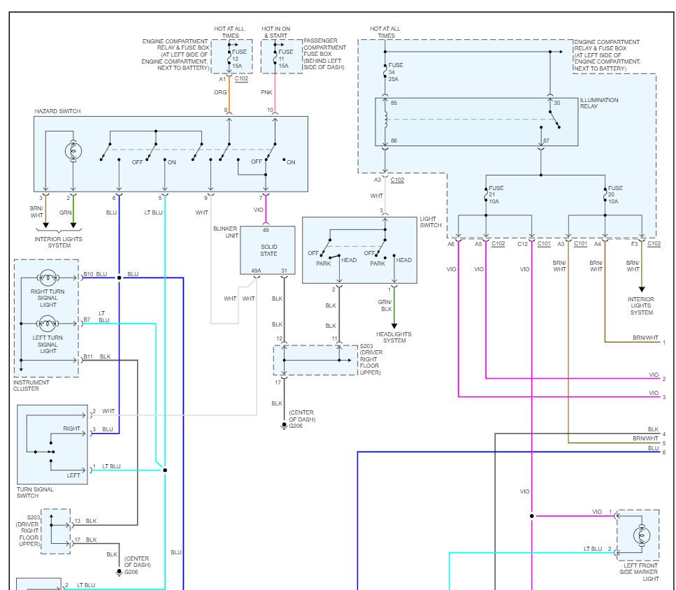
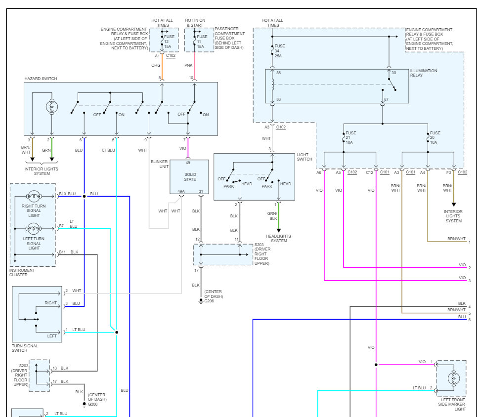
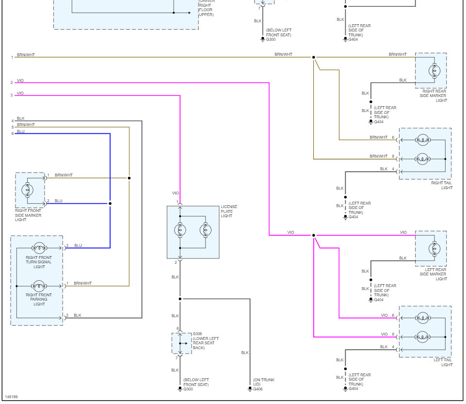
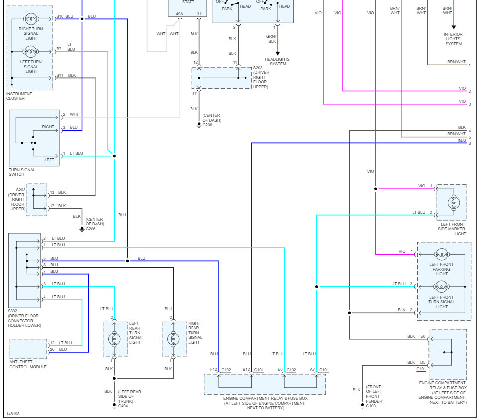
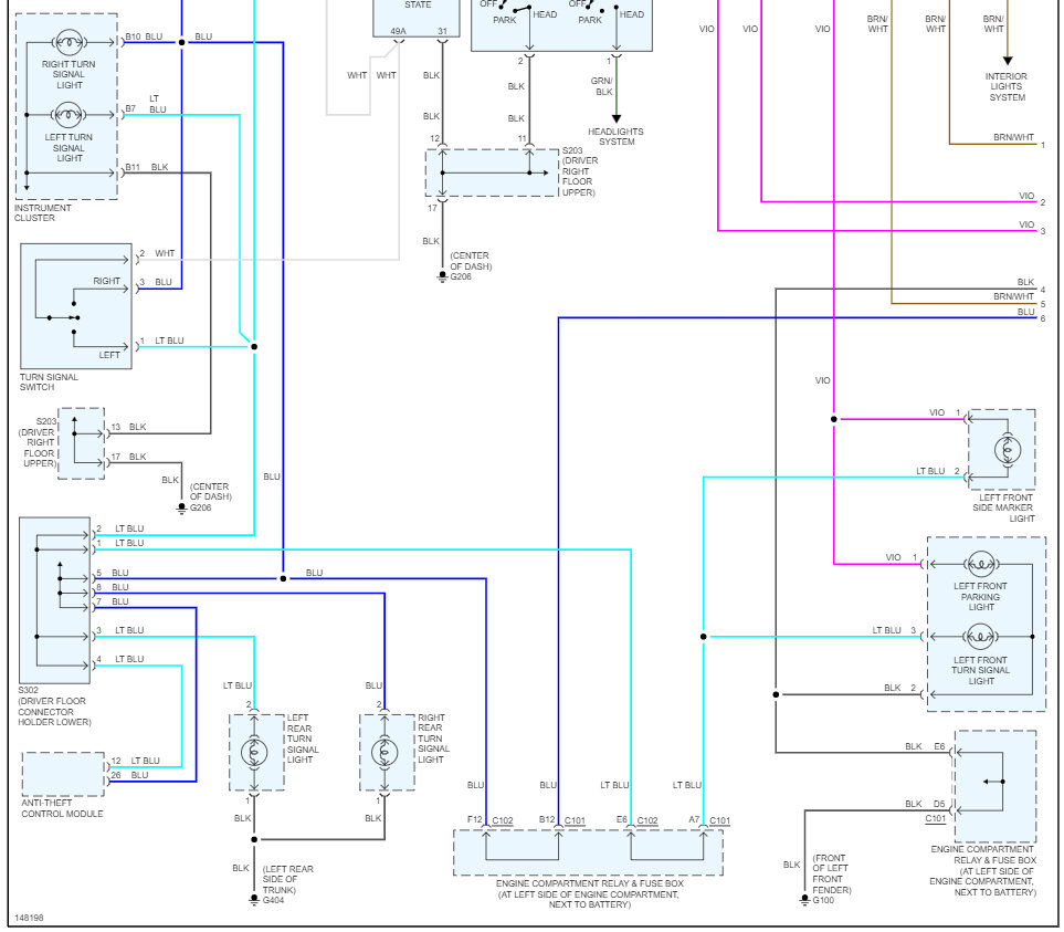
I would make sure there is power at the fuses # 12 (engine bay) and #11 (interior fuse panel) here is a guide that can help, and I have included the blinker wiring diagrams so you can see how the system works and where you might be losing power.

https://www.2carpros.com/articles/how-to-check-a-car-fuse

This guide may help as well:

https://www.2carpros.com/articles/turn-signals-not-working-blinker

Check out the images (below). Let us know what happens and please upload pictures or videos of the problem so we can see what's going on.
Was this
answer
helpful?
Yes
No
Tuesday, May 30th, 2023 AT 12:37 PM

Please login or register to post a reply.