Thursday, June 15th, 2023 AT 7:28 AM
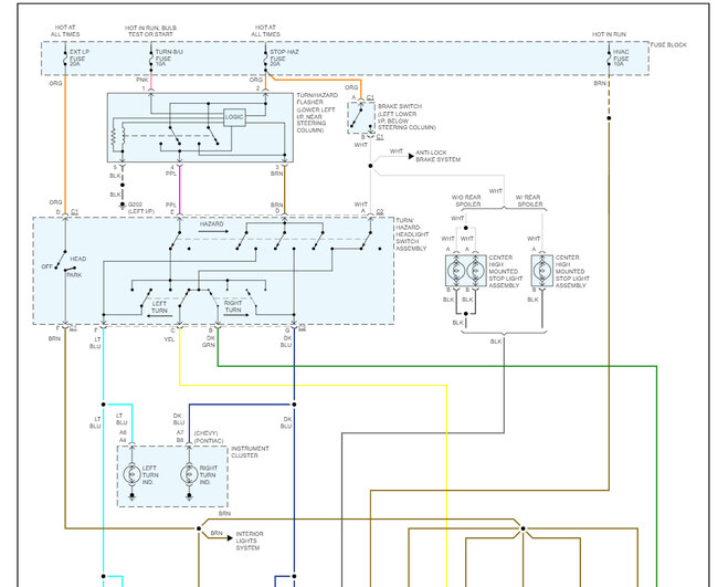
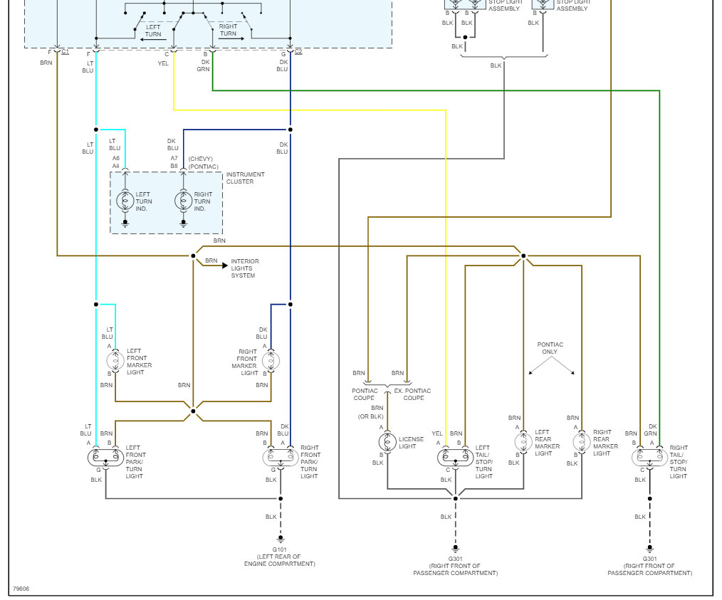
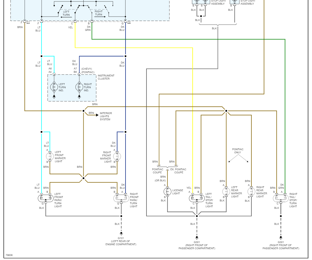
Car keeps blowing fuses, have replaced everything on this car associated with the issue (relay, fuses, switch, wires, etc, ). Mechanic now thinks Alternator is over charging blowing the fuses, is this a possibility?




