Turn signals and cruise control not working

Tiny
BIGRAM68
  • MEMBER
  • 1995 FORD E-SERIES VAN
  • 7.5L
  • V8
  • 2WD
  • AUTOMATIC
  • 77,000 MILES
1. Left front turn signal and dash indicator don't work when selected, but the right works great.
2. Right front flasher and dash indicator don't work when hazard is selected but the left works great.
3. Cruise control doesn't work at all.
4. Cigarette lighter doesn't work.
Wednesday, June 1st, 2022 AT 10:52 AM

1 Reply

Tiny
KASEKENNY
  • MECHANIC
  • 18,907 POSTS
I am not convinced that these are all related yet but let's pick one and solve it and then we can solve the others if they are not fixed.

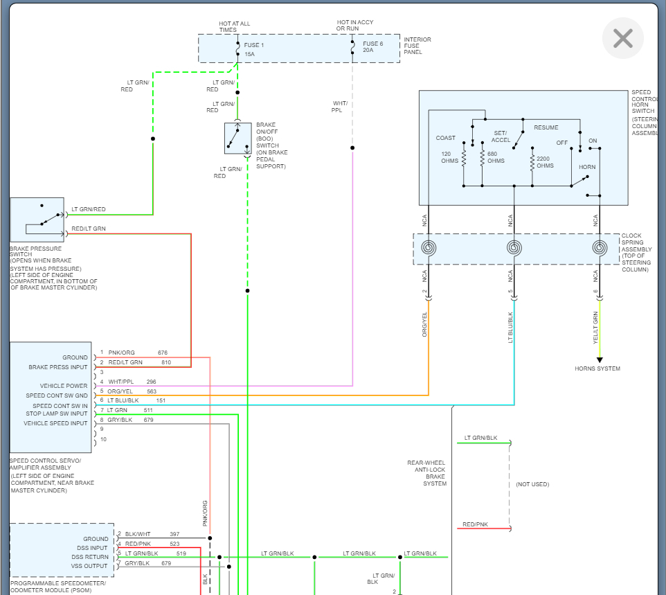
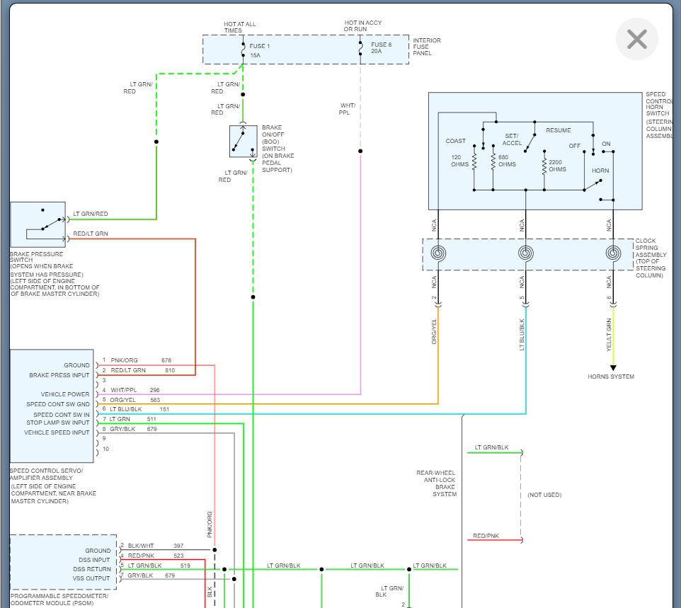
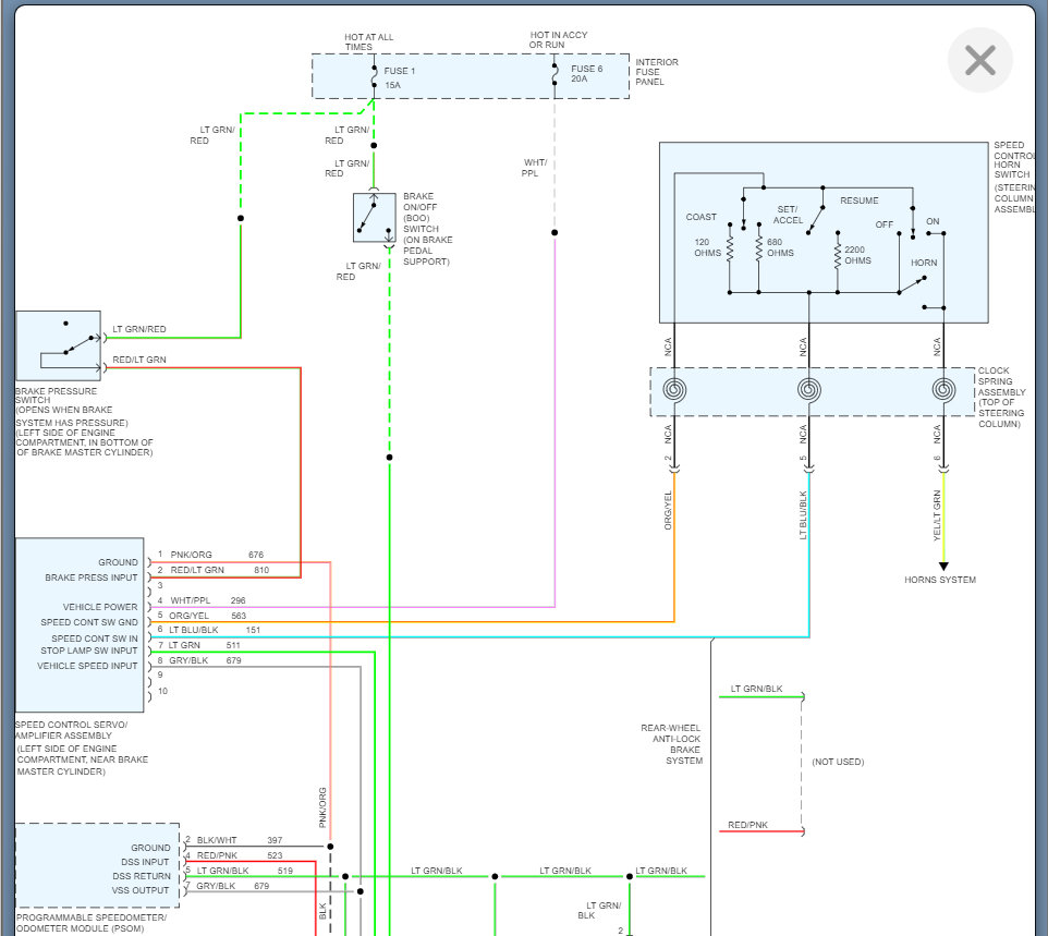
Let's start with checking the voltage for the cruise control at the servo. Basically, you need to monitor the voltage on the orange/yellow wire and light blue/black wire while you are pressing all the buttons.

https://www.2carpros.com/articles/how-to-check-wiring

I am attaching the wiring below. We need to start with this and see if we are getting any voltage at all. If not, then the clock spring may be the issue so let's start with this and go from there.

Thanks
Was this
answer
helpful?
Yes
No
Thursday, June 2nd, 2022 AT 7:59 AM

Please login or register to post a reply.