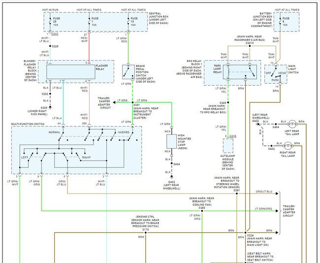
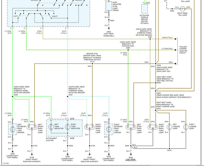
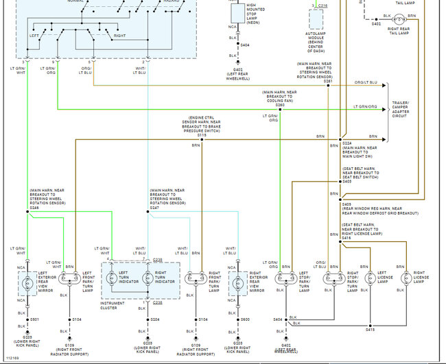
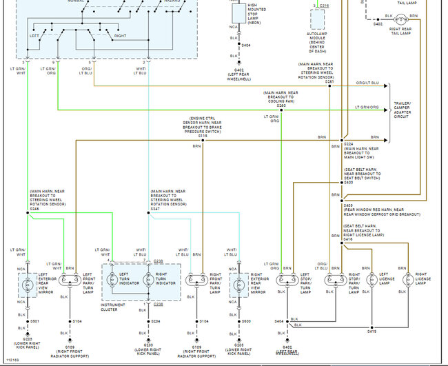
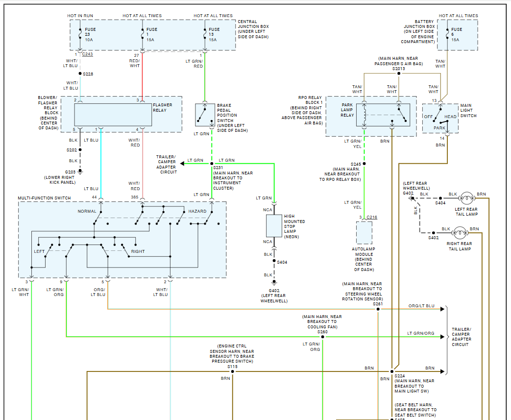
Sunday, October 27th, 2024 AT 3:32 PM
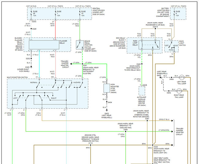
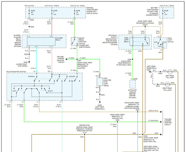
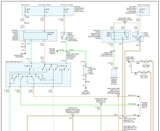
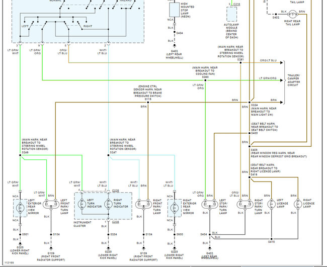
I have no turn signals or emergency flashers after I changed the battery terminals and master cylinder. I have checked the fuses and relay.



