Monday, November 1st, 2021 AT 4:34 PM
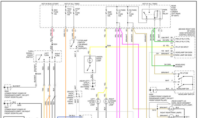
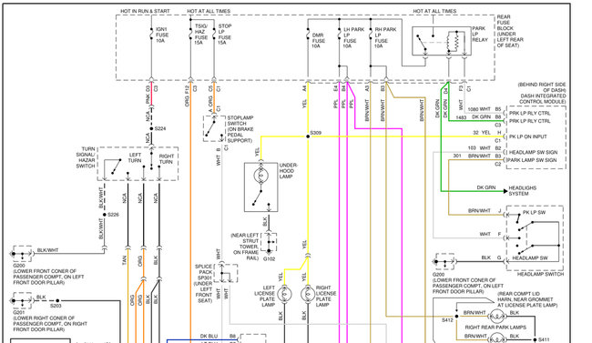
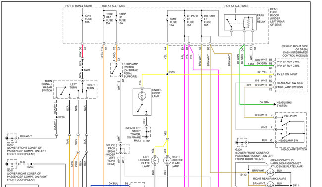
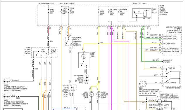
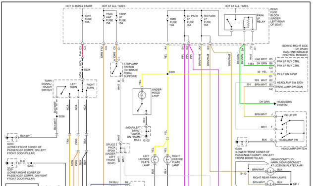
Turn signals not working but lights blink when hazard lights are turned on. Replaced hazard switch and replaced turn signal switch assembly. And turn signals still won't work, I have been trying to find a lighting wiring diagram to see if I can trouble shoot the problem.




