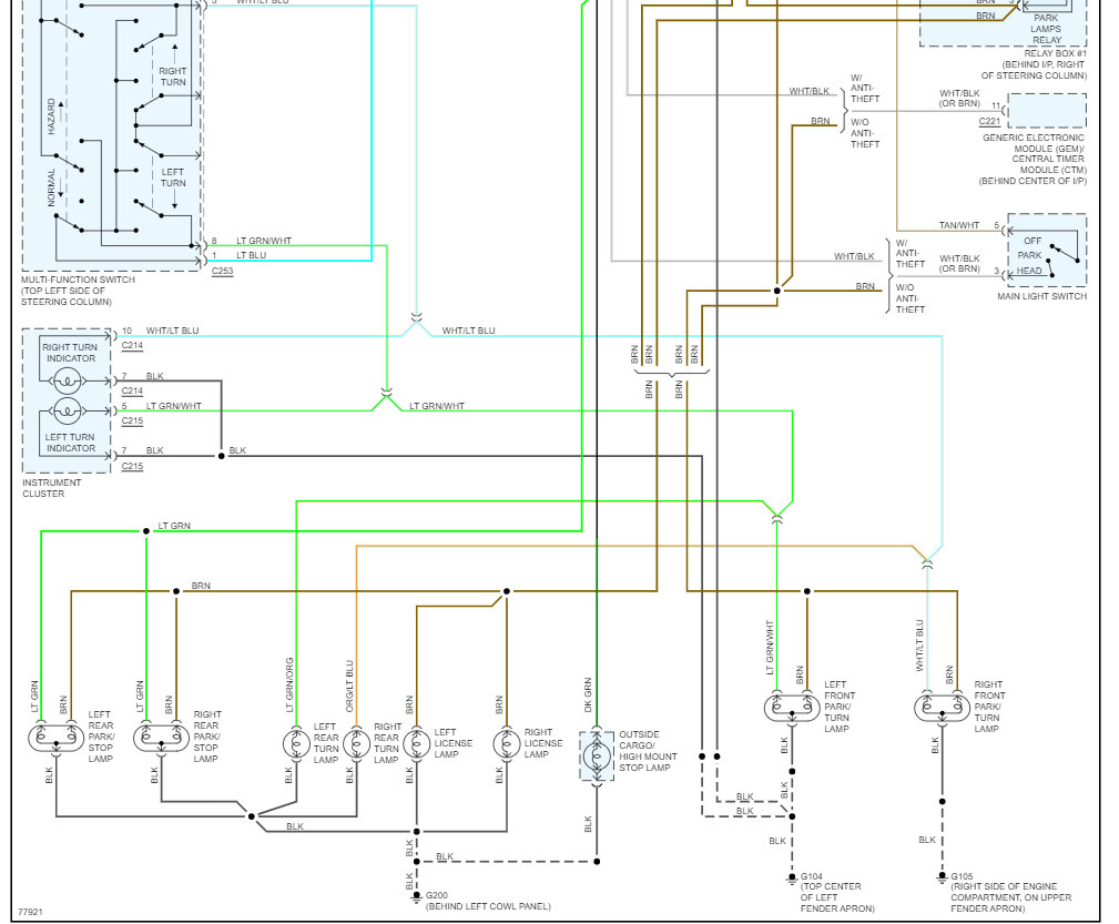
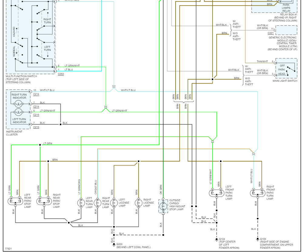
Saturday, August 19th, 2023 AT 7:01 AM
My truck listed above XLT model, standard cab, the right rear turn signal went out. I replaced the bulb and all fuses and it started to work properly, then I went for a drive and it stopped working again and blinking fast. I've checked the connectors and wiring and everything seems fine I don't know what else it could be.



