The Left-Rear Turn Signal is not working?

Tiny
TY23373
  • MEMBER
  • 2019 TOYOTA CAMRY
  • 2.5L
  • 4 CYL
  • 2WD
  • AUTOMATIC
  • 16,221 MILES
My rear left turn signal isn’t working. Every other one works expect that one. I checked the hazard fuse which was blown and replaced it. But that one on the left still isn’t working. I just need to know if there is a fix.
Tuesday, July 18th, 2023 AT 8:14 AM

1 Reply

Tiny
KEN L
  • MASTER CERTIFIED MECHANIC
  • 55,322 POSTS
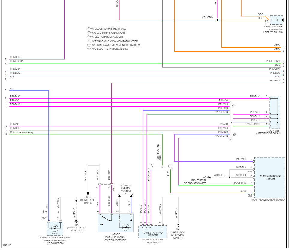
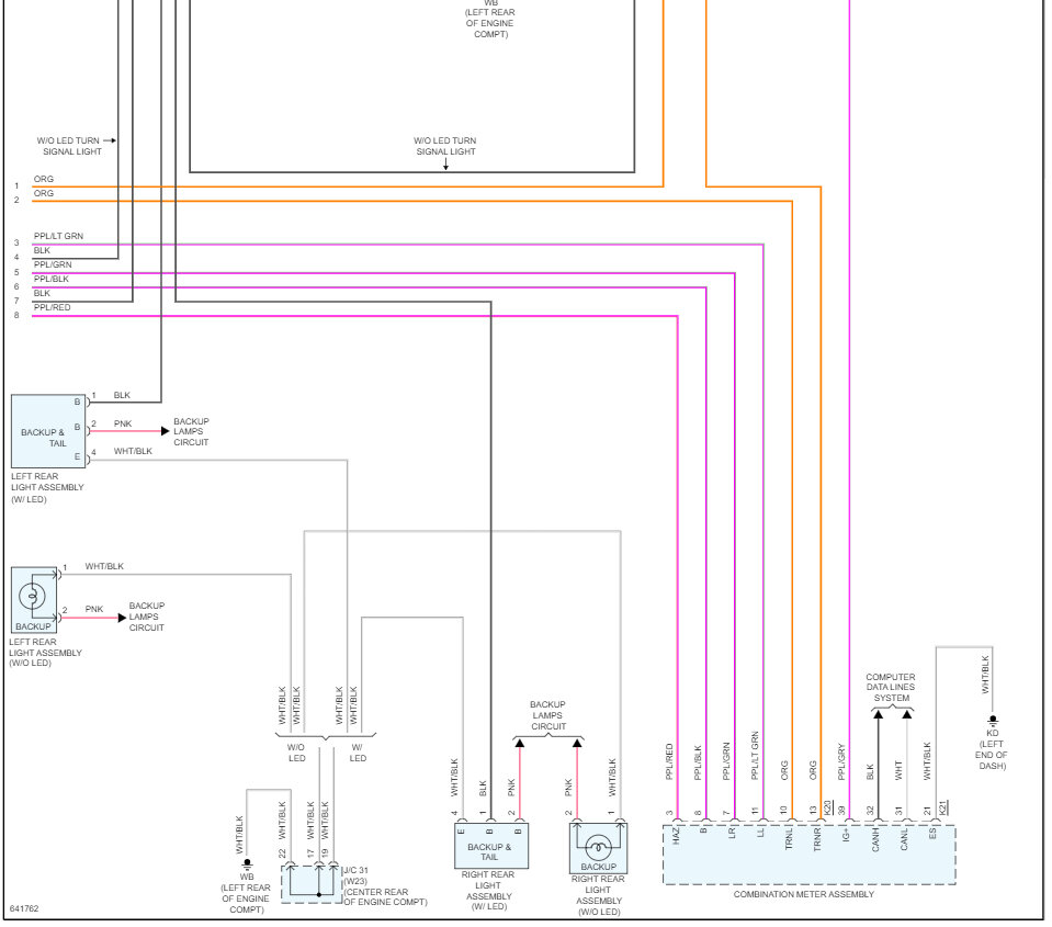
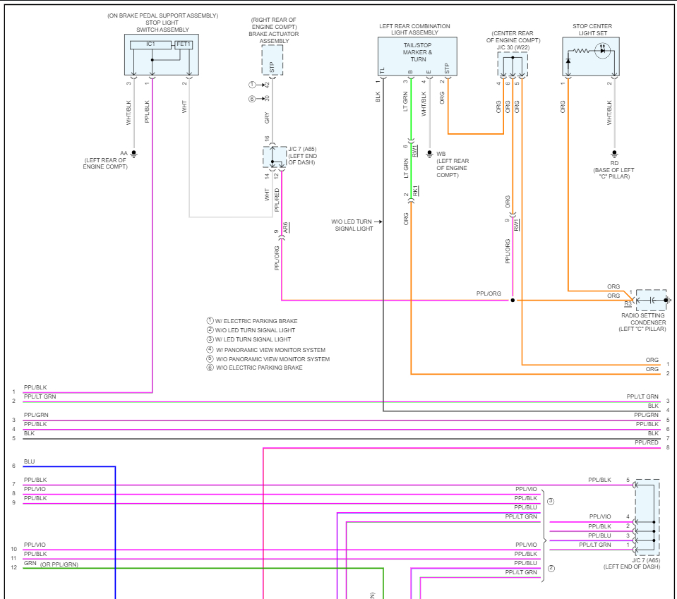
The fact that the hazard fuse was blown is telling us the combination meter assembly (instrument cluster) could be going out. But I would remove the bulbs at the left rear to see if the bulb or contacts are melted, this can cause the fuse to blow. Here is a guide to help and I have included the taillight wiring diagrams in the images below so you can see how the system works.

https://www.2carpros.com/articles/no-tail-lights-exterior-running-lights-tail-lights-out

and

https://www.2carpros.com/articles/turn-signals-not-working-blinker

Check out the images (below). Let us know what happens and please upload pictures or videos of the problem so we can see what's going on. Here is how to change out the cluster in case you need it, you can get a preprogrammed unit by searching Google or Ebay.
Was this
answer
helpful?
Yes
No
Tuesday, July 18th, 2023 AT 1:03 PM

Please login or register to post a reply.