Turn signal indicator comes on when I apply my brakes

Tiny
CHUCK WILLIAMS2
  • MEMBER
  • 2000 FORD EXCURSION
  • 7.3L
  • V8
  • TURBO
  • 4WD
  • AUTOMATIC
  • 300,000 MILES
I installed a 2008 mirror with running light and blinker but when I apply my brakes the blinker comes on.
whether I have my lights on or not.
It will also come even if the key is not in it.
anyone have any advice?
Tuesday, February 20th, 2018 AT 3:52 PM

6 Replies

Tiny
STEVE W.
  • MECHANIC
  • 15,688 POSTS
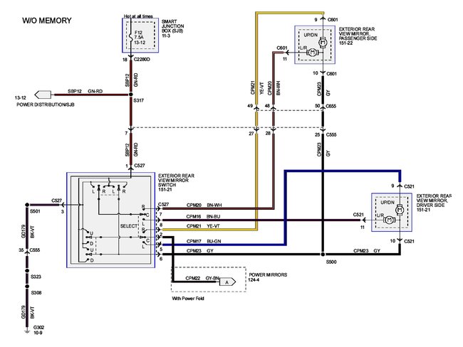
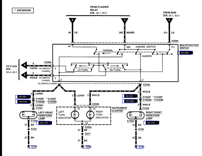
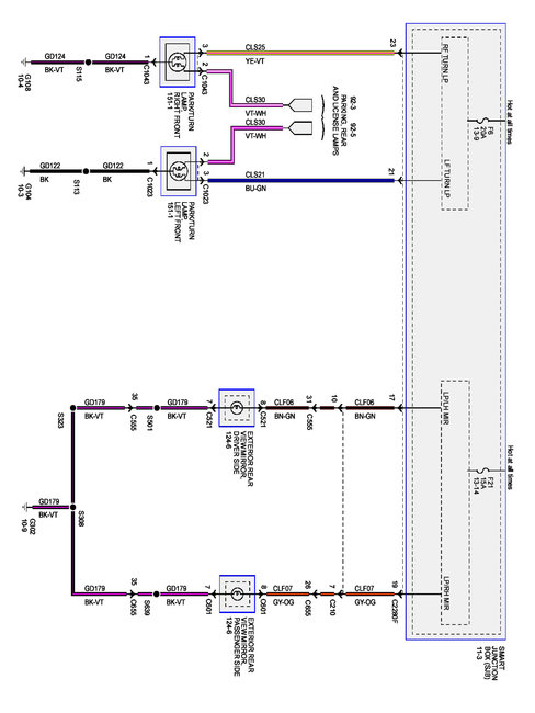
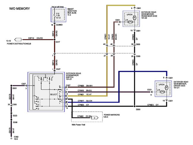
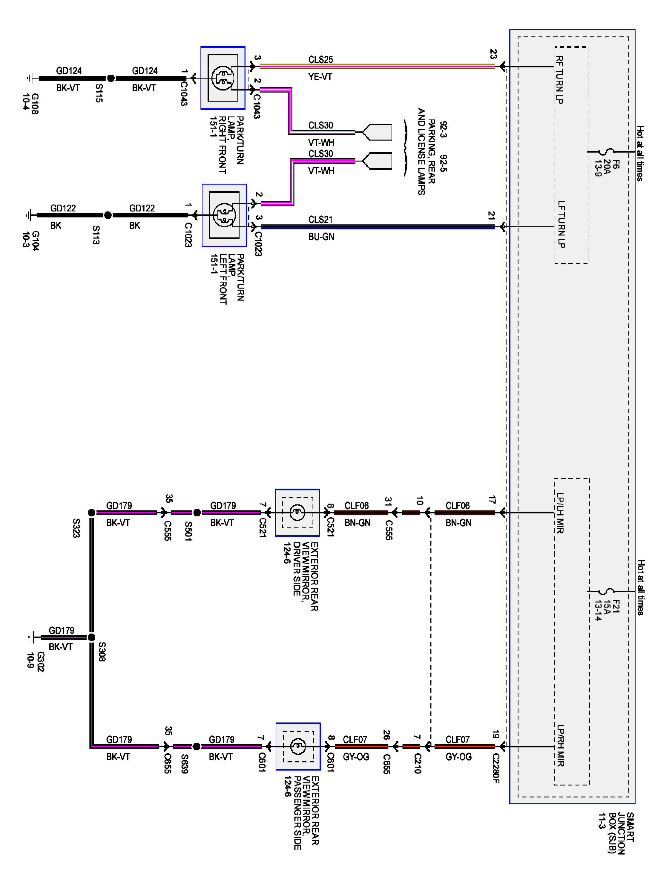
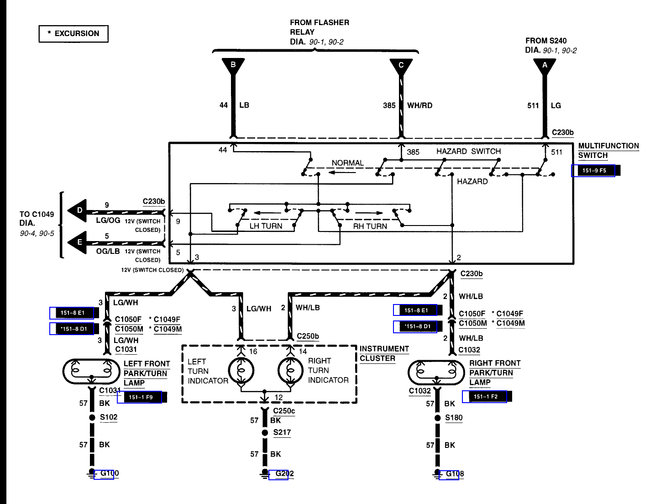
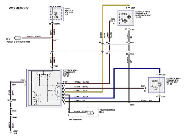
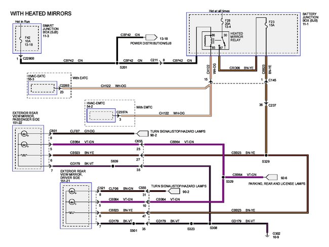
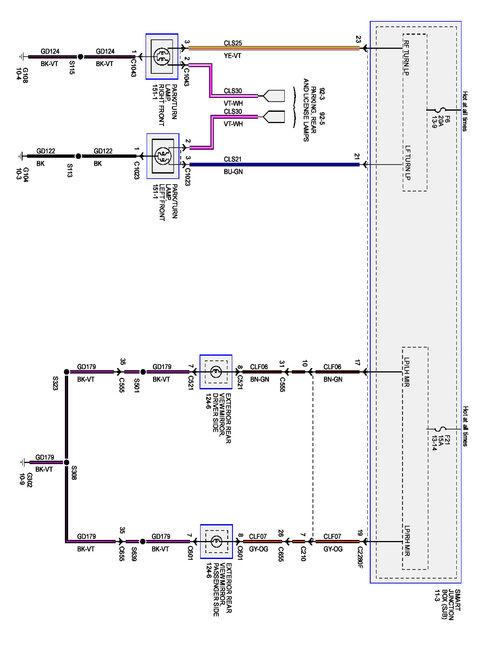
What did the 2008 mirror come off of? I could look up the wiring and see what does what. How did you wire it into the system? It sounds like it is connected to the brake lamp circuits and not the turn signal circuit.
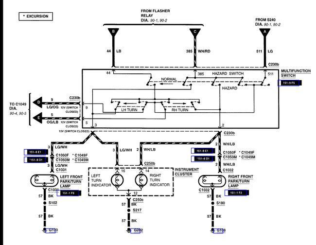
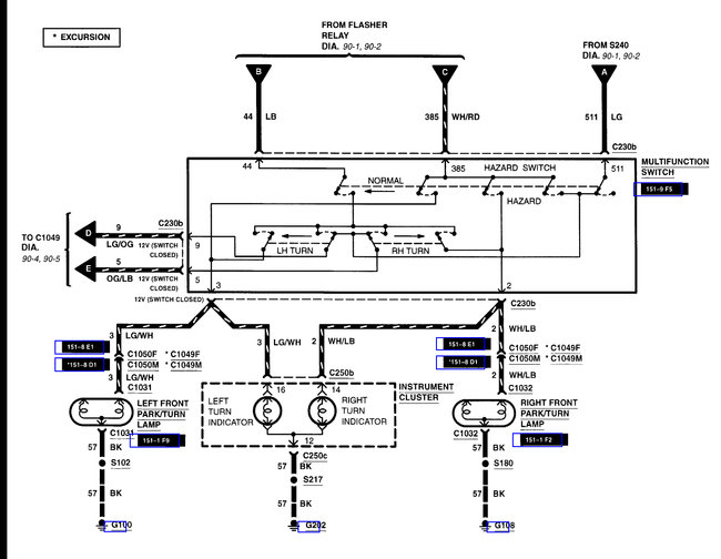
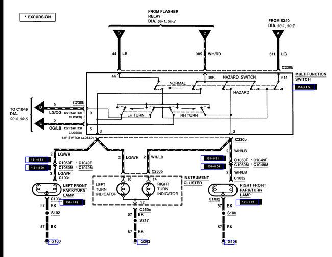
The turn element needs to connect to the light green with white stripe wire for the left and the white with light blue stripe wire for the right. The running lamp gets connected to one of the brown wires for the parking lamps.
Was this
answer
helpful?
Yes
No
Thursday, February 22nd, 2018 AT 12:49 AM
Tiny
CHUCK WILLIAMS2
  • MEMBER
  • 4 POSTS
Both mirrors came brand new in a box.
I don't remember what color the wire was, but I will follow diagram.
Was this
answer
helpful?
Yes
No
Monday, March 5th, 2018 AT 6:46 AM
Tiny
STEVE W.
  • MECHANIC
  • 15,688 POSTS
But what vehicle were those mirrors for? The Excursion wasn't made after 2006. Were they for an Expedition? F-series PU? Or? That way I could look up the wiring for that vehicle and see what wires go where.
The wiring can easily get turned around when you start mixing years because they may have altered wire colors or functions were added using other wires with the plugs being different to make it work.
Was this
answer
helpful?
Yes
No
Monday, March 5th, 2018 AT 11:11 AM
Tiny
CHUCK WILLIAMS2
  • MEMBER
  • 4 POSTS
2008 f250
Was this
answer
helpful?
Yes
No
Monday, March 5th, 2018 AT 11:17 AM
Tiny
STEVE W.
  • MECHANIC
  • 15,688 POSTS
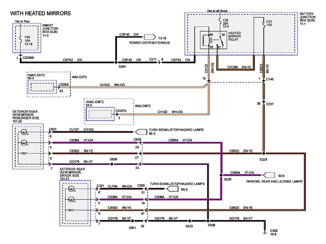
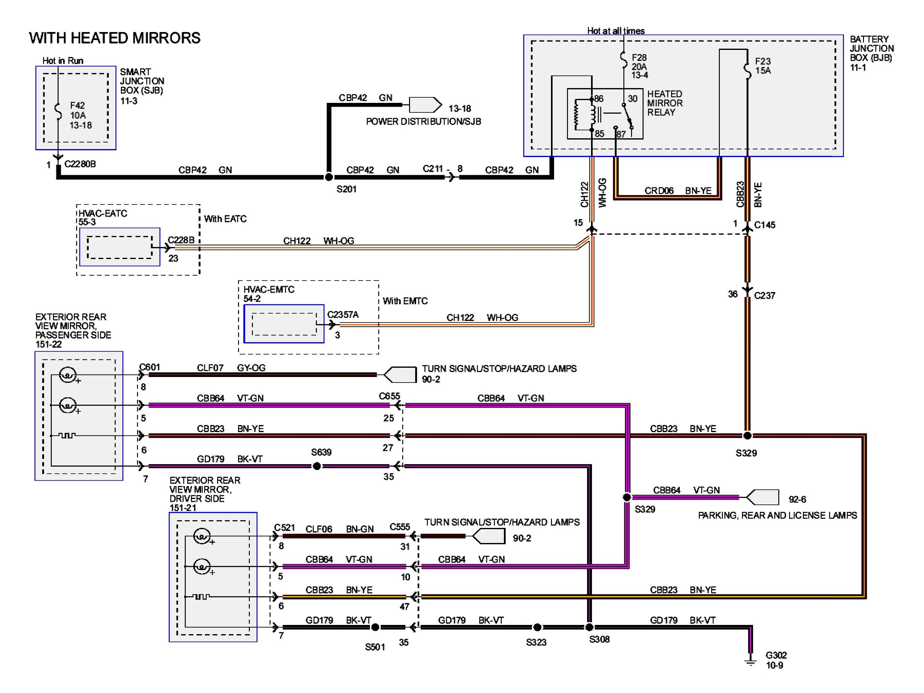
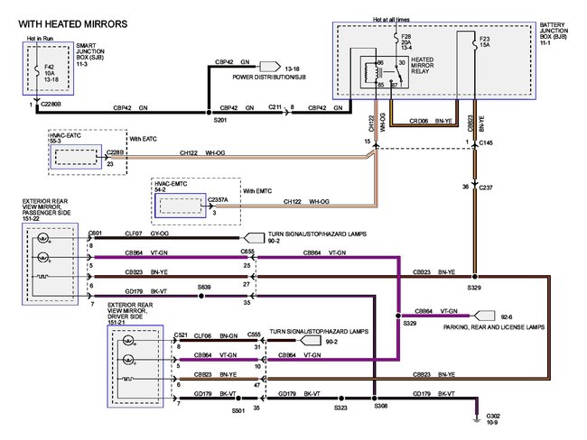
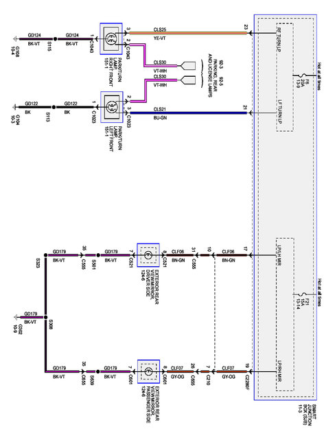
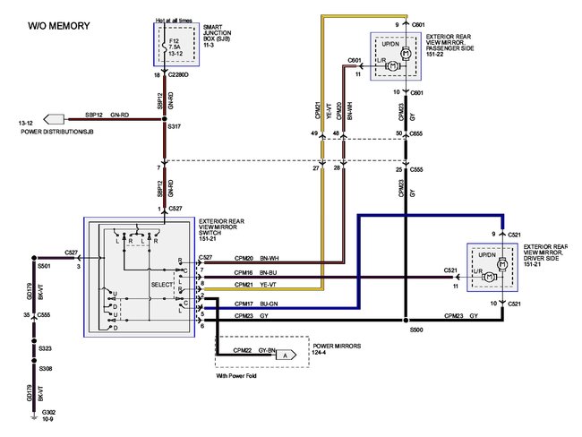
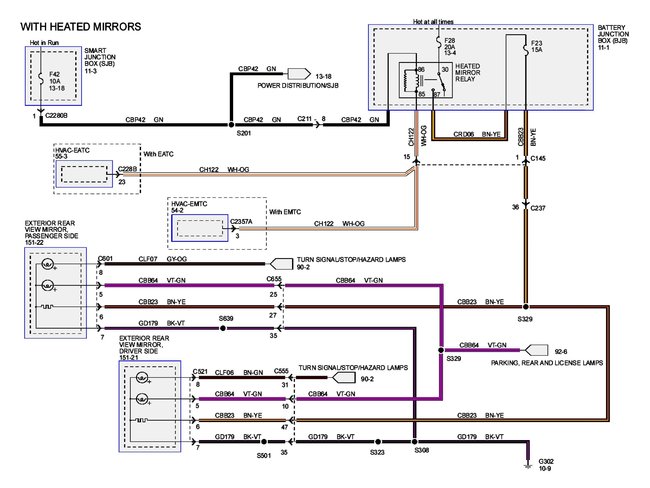
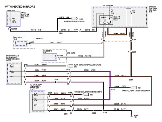
OK, this should be the wiring for the heated and lighted mirror wires for the 2008 F250. Looking at the schematic yours may be operating correctly for the way the 08 works. Looks like they are fed marker lamps, and turn/stop. So it should have running lights. Then the Turn/Brake/Hazard lamps as well.
Looks like they are fed the same way as the taillights. If I'm correct they should come on with the brakes, then when you turn on the turn signal for the drivers side, it should flash as a turn signal and the passengers side should stay on like the brake light.

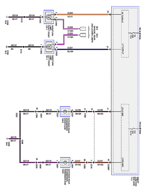
If you wanted to change it so they only have the running light and the turn signal you could simply run a feed wire from the front turn signal feeds. Attach those in the place of the current feed from the rear lights and you would lose the lights on with the brakes. If you wanted to change it the wire colors in the first post would do it.

Although having them light up with the brakes might not be a bad idea to get the half blind cell phone users to notice you are stopped.
Was this
answer
helpful?
Yes
No
+2
Tuesday, March 6th, 2018 AT 12:59 AM

Please login or register to post a reply.