HOME
ASK A QUESTION
REPAIR GUIDES
BECOME A MEMBER
LOG IN
Login with Facebook
OR
Remember me
NOT A MEMBER?
FORGOT PASSWORD?
CONTACT US
PRIVACY POLICY
TERMS AND CONDITIONS
☰
Home
Eagle
Vision
Exterior Light
Turn Signal
Flasher
Turn signal hazards make buzzing noise
BARNESFM5
MEMBER
1997 EAGLE VISION
3.5L
V6
2WD
AUTOMATIC
200,000 MILES
When turn signal or hazards are on the flasher relay makes buzzing noise. Lights work when turned on.
Replaced flasher relay, fuse, and multifunction switch.
Looked over for any obvious grounding or cut wires. Can't find anything.
Any ideas on how to troubleshoot?
Saturday, September 7th, 2019 AT 3:25 PM
5 Replies
DANNY L
MECHANIC
5,648 POSTS
Hello, I'm Danny.
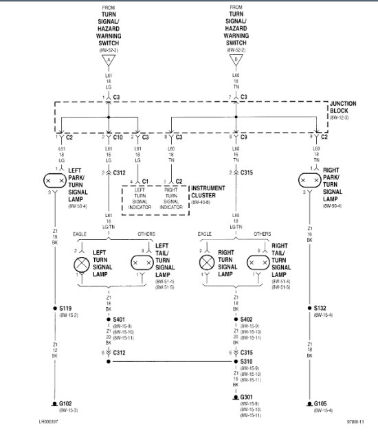
Here is a tutorial on how to check your wiring:
https://www.2carpros.com/articles/how-to-check-wiring
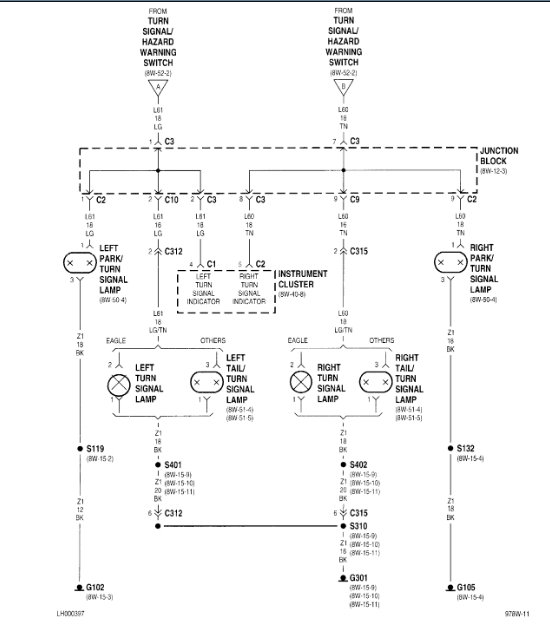
I've attached a wiring diagram below.Hope this helps and thanks for using 2CarPros.
Danny-
Image (Click to make bigger)
Was this
answer
helpful?
Yes
No
+1
Sunday, September 8th, 2019 AT 2:24 PM
BARNESFM5
MEMBER
4 POSTS
Danny,
Thank you for the diagram that was very helpful. Gives me a better starting point.
Was this
answer
helpful?
Yes
No
Sunday, September 8th, 2019 AT 4:53 PM
DANNY L
MECHANIC
5,648 POSTS
You're welcome !
Let me know what you find out. Thanks again for using 2CarPros.
Danny-
Was this
answer
helpful?
Yes
No
Sunday, September 8th, 2019 AT 5:32 PM
BARNESFM5
MEMBER
4 POSTS
Initial troubleshooting shows something going on in or behind the fuse panel. Running out of time and daylight so project for next weekend.
Was this
answer
helpful?
Yes
No
Sunday, September 8th, 2019 AT 6:03 PM
DANNY L
MECHANIC
5,648 POSTS
Sounds like a plan.
Keep me updated after you get back on it next weekend. If you need any other diagrams at that point let me know.
Danny-
Was this
answer
helpful?
Yes
No
Sunday, September 8th, 2019 AT 6:09 PM
Please
login
or
register
to post a reply.
Ask a Car Question. It's Free!
Turn Signals Blink Fast
How to Use a Test Light
Have a Dim Headlight? - Try Replacing This!