Turn signal and hazard lights not working, where is the relay switch located?

2001 SATURN L200
160,000 MILES • 4 CYL • 2WD • AUTOMATIC
Avatar
GERALD WATLINGTON
  • MEMBER
  • 1 POST
I bought a relay switch but can't find the relay switch location to replace it.
Aug 24, 2024 at 2:32 PM
Repair Safety Notice: This information is for general instructional purposes only. Vehicle repair can be dangerous. Verify all information, follow manufacturer service procedures, use proper tools and safety equipment, and consult a qualified repair shop when needed.
Advertisement
Avatar
STRAILER
  • AUTOMOTIVE REPAIR CONTRIBUTOR
  • 54,154 POSTS
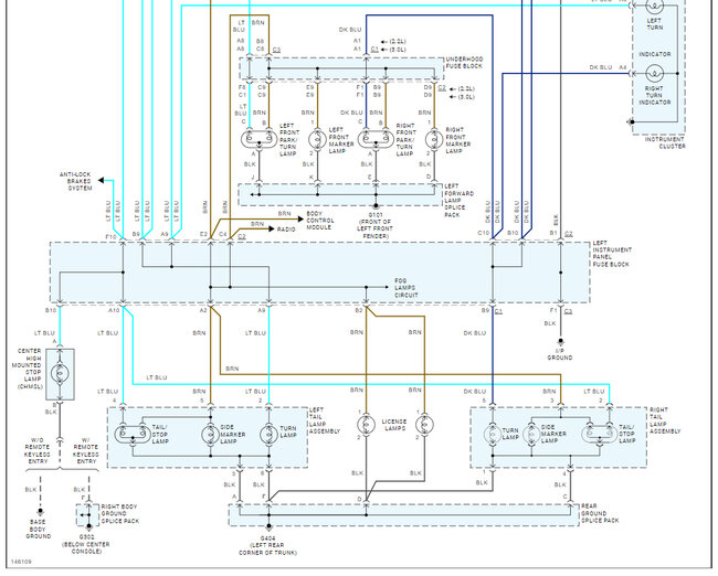
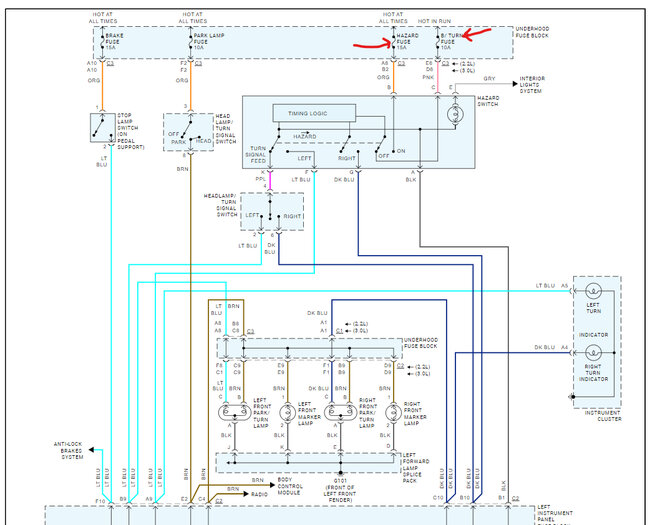
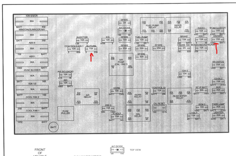
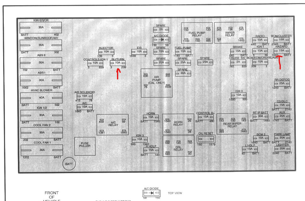
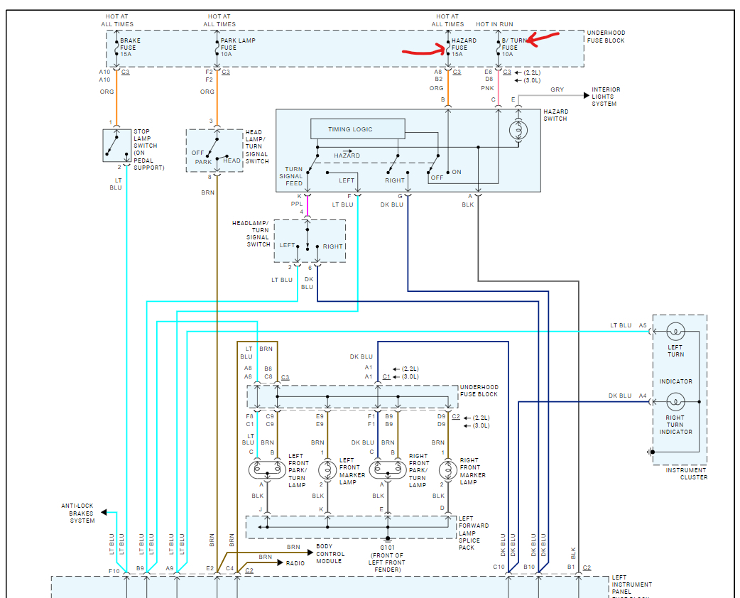
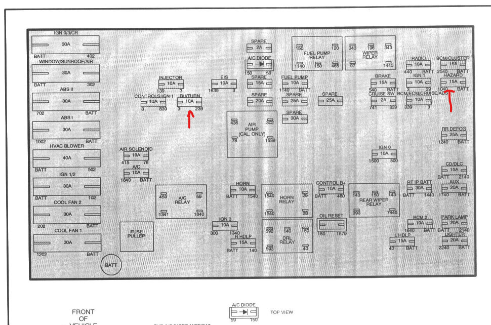
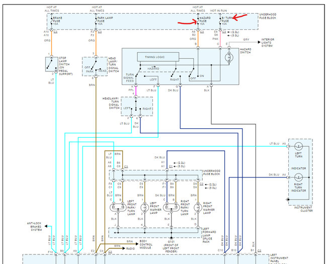
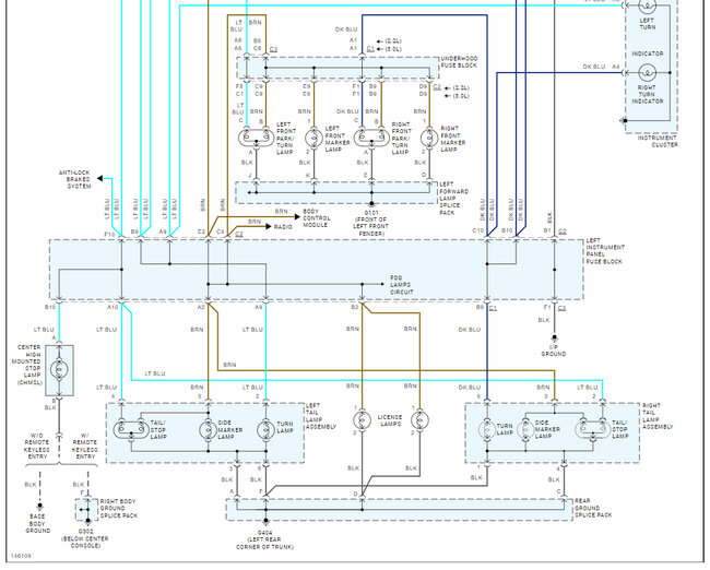
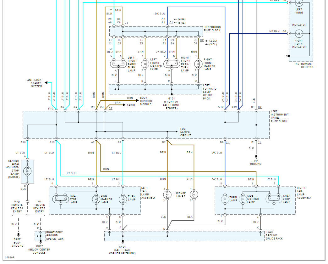
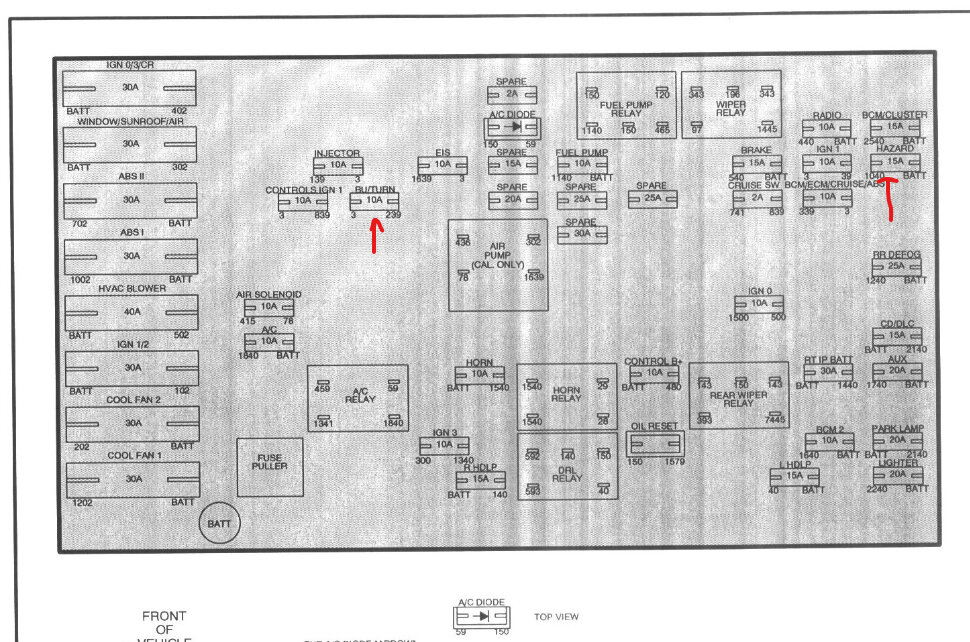
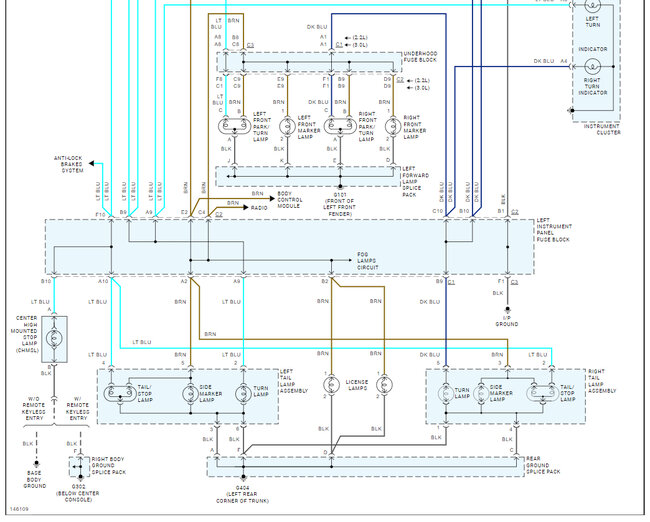
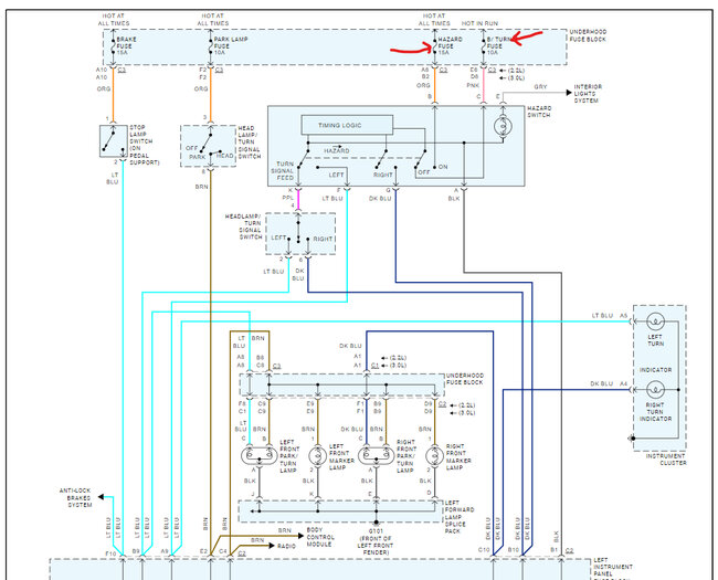
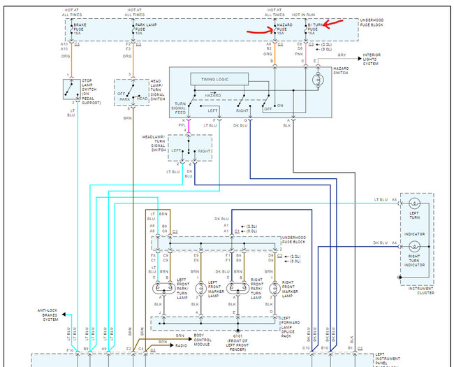
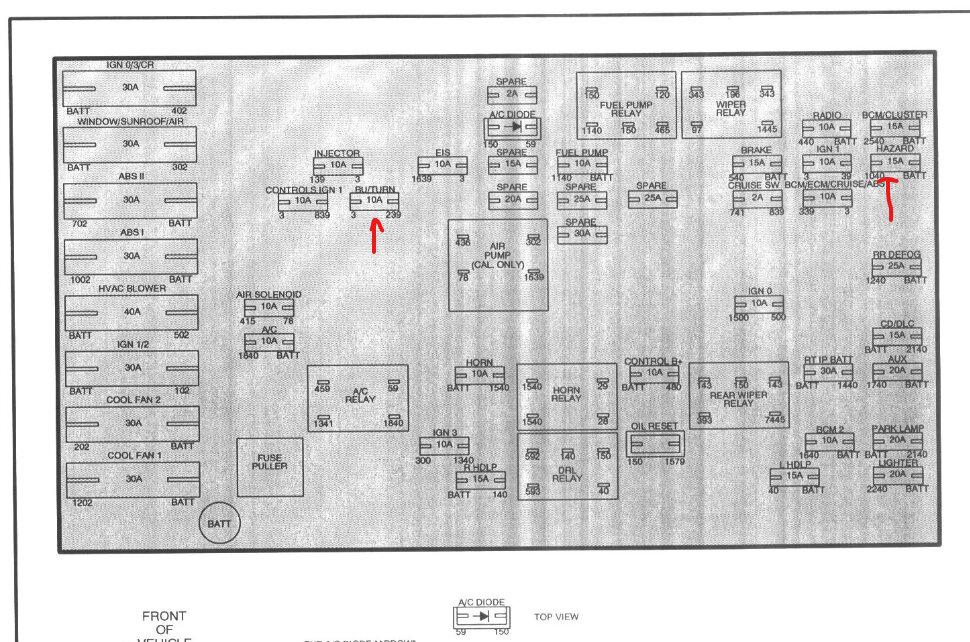
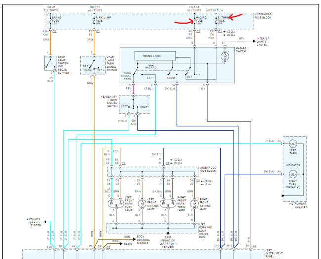
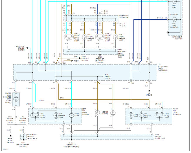
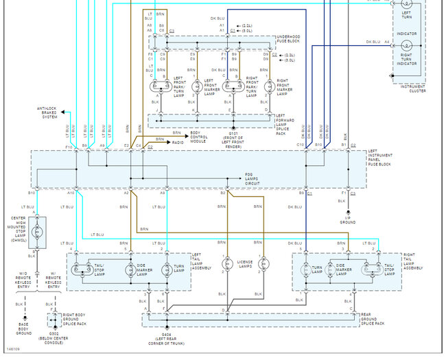
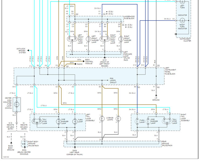
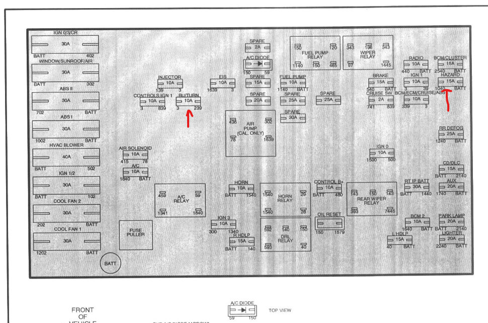
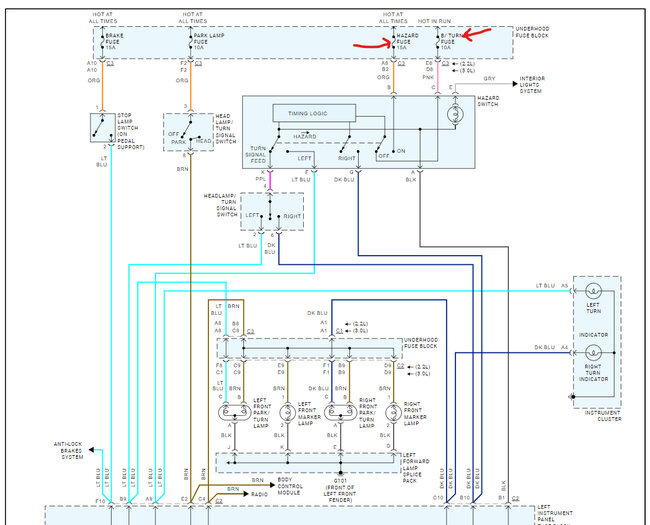
The logic for the hazard and blinker is inside the hazard switch so that will need to be replaced, but there are two fuses I would check first, here is a guide to help and I have included the blinker and hazard wiring diagrams so you can see which fuse (i marked) to check.

https://www.2carpros.com/articles/how-to-check-a-car-fuse

Check out the images (below). Please let us know what happens.
Aug 24, 2024 at 6:53 PM
Advertisement