Turn signal flasher location?

Tiny
JERRY WARE
  • MEMBER
  • 2002 CHEVROLET BLAZER
  • 4.3L
  • V6
  • 4WD
  • MANUAL
  • 180,000 MILES
Cant find turn signal flasher location.
Monday, August 26th, 2019 AT 2:41 PM

10 Replies

Tiny
KASEKENNY
  • MECHANIC
  • 18,907 POSTS
Hi Jerry,

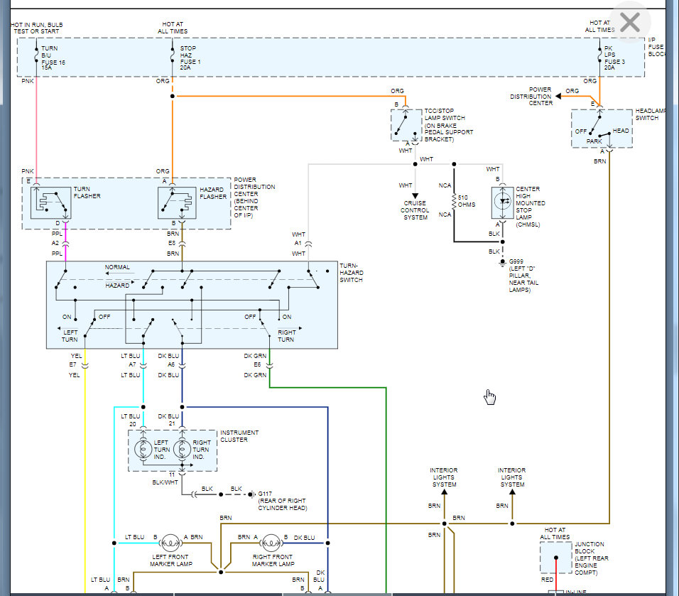
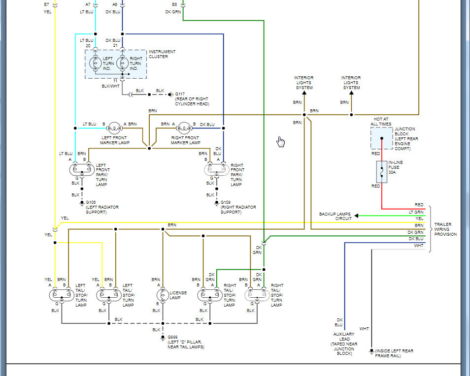
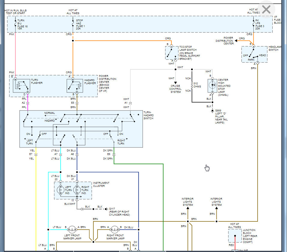
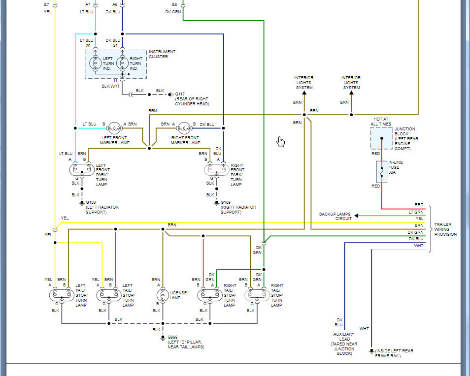
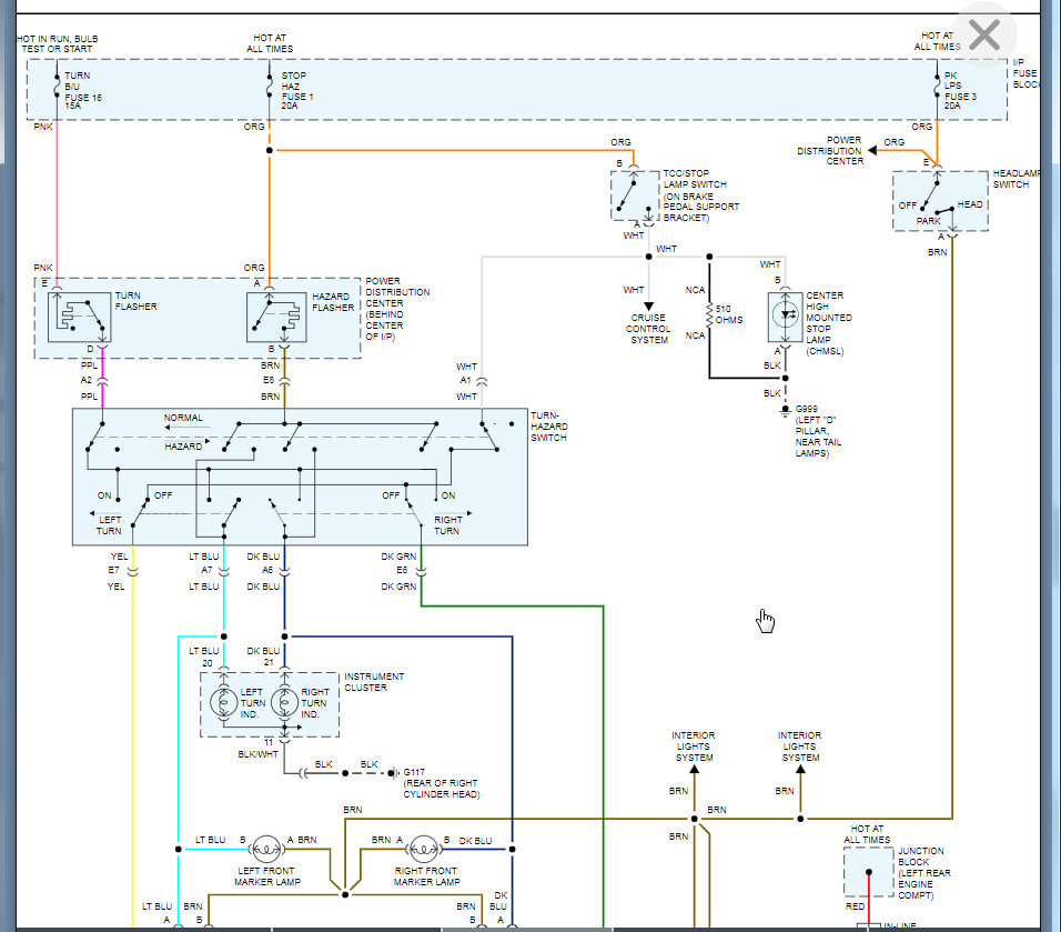
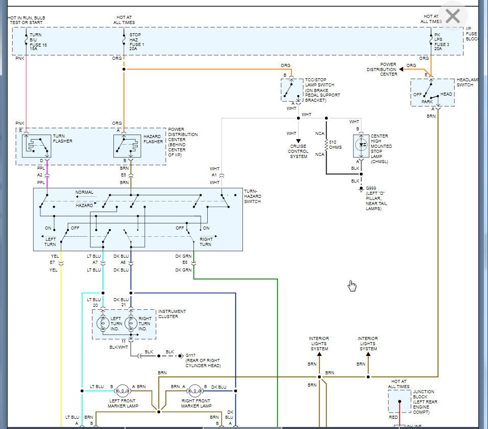
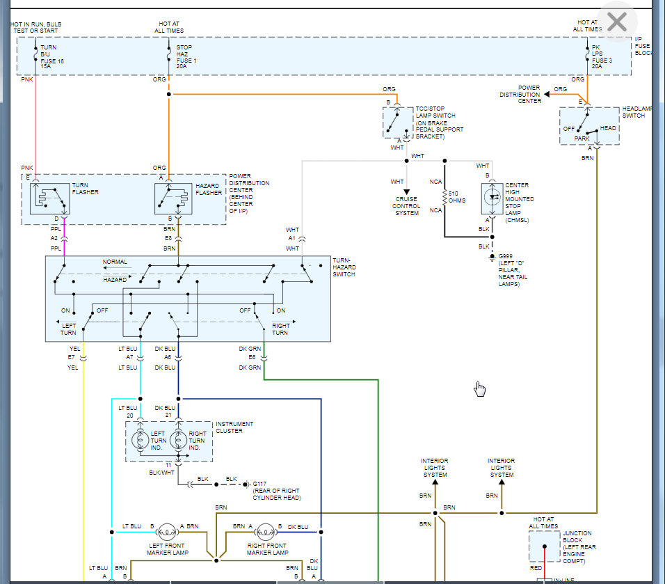
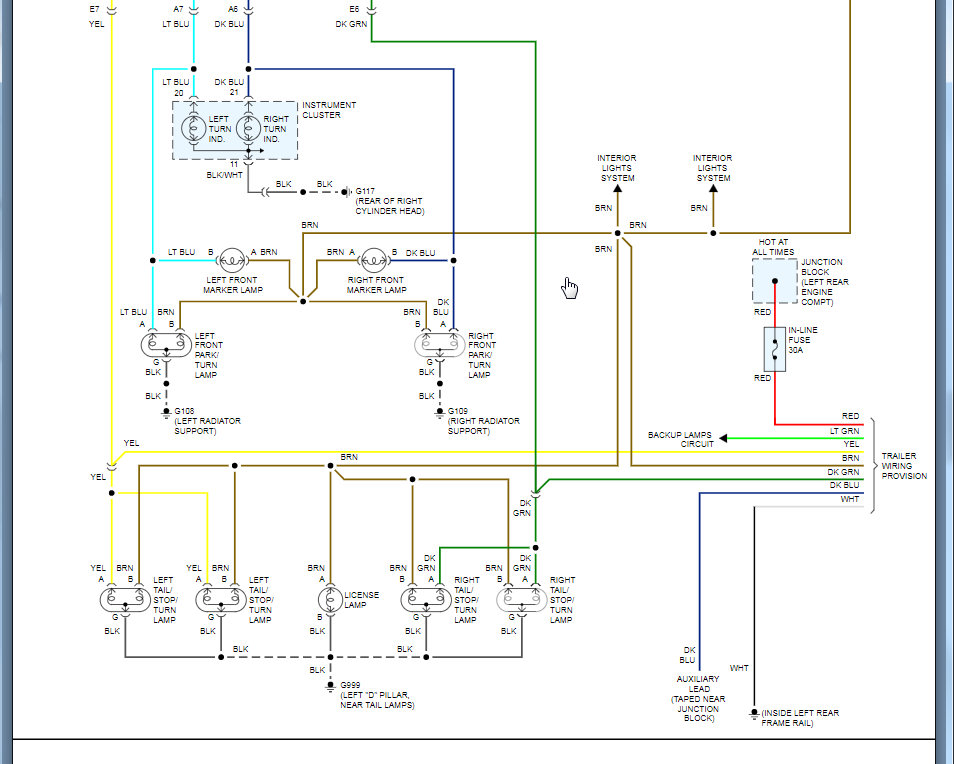
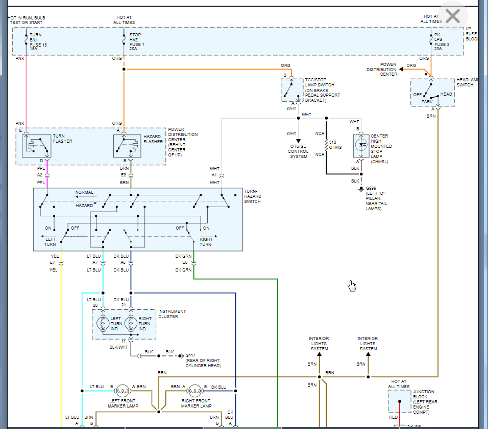
Here is the process for the flasher and its location. Let me know if you need more information. Check out the diagrams (Below). Please let us know if you need anything else to get the problem fixed. Thanks
Was this
answer
helpful?
Yes
No
+1
Tuesday, August 27th, 2019 AT 4:05 PM
Tiny
PAPACASH6
  • MEMBER
  • 1 POST
  • 1997 CHEVROLET BLAZER
  • 6 CYL
  • 4WD
  • AUTOMATIC
  • 150,000 MILES
Trying to locate my turn signal flasher because the signals don't flash anymore I checked under steering column and hood could not locate any suggestiong?
Was this
answer
helpful?
Yes
No
Wednesday, July 28th, 2021 AT 1:23 PM (Merged)
Tiny
SQM
  • MECHANIC
  • 6,383 POSTS
Hello,

The turn signal flasher should be behind the glove box. Check out the diagrams (Below). Let us know what happens and please upload pictures or videos of the problem. Please see attached diagrams for your reference.
Was this
answer
helpful?
Yes
No
Wednesday, July 28th, 2021 AT 1:23 PM (Merged)
Tiny
RMILL1108
  • MEMBER
  • 1 POST
  • 1996 CHEVROLET BLAZER
Where is the turn signal flasher located in a 96 chevy blazer
Was this
answer
helpful?
Yes
No
+1
Wednesday, July 28th, 2021 AT 1:31 PM (Merged)
Tiny
JARCHER
  • MEMBER
  • 3 POSTS
The turn signal flasher is a little to the left or right (can't remember) of the cigarette lighters/power outlets. There will be a flasher for the hazards and a flasher for the turn signals. All this is behind that plastic piece of trim that the power outlets are mounted to.
Was this
answer
helpful?
Yes
No
+2
Wednesday, July 28th, 2021 AT 1:31 PM (Merged)
Tiny
DANNY L
  • MECHANIC
  • 5,648 POSTS
Hello, I'm Danny.

The turn signal flasher is located in the power distribution center which is under the dash on the left side. I've attached a picture below of its location and circled in red. Hope this helps and thanks for using 2CarPros.
Was this
answer
helpful?
Yes
No
Wednesday, July 28th, 2021 AT 1:31 PM (Merged)
Tiny
2CP-ARCHIVES
  • MEMBER
  • 4,540 POSTS
  • 1996 CHEVROLET BLAZER
  • 6 CYL
  • 2WD
  • AUTOMATIC
  • 94,000 MILES
1996 Chevy S10 Blazer mileage: 94,000. The turn signal indicator lights stopped working. I have changed the fuse (15 amp) in the fuse box, and someone says it might be a "flasher"? The emergency lights DO work, and it doesn't seem to be a problem with any of the bulbs as the flasher's all work. Any clue?
Was this
answer
helpful?
Yes
No
Wednesday, July 28th, 2021 AT 1:31 PM (Merged)
Tiny
KASEKENNY
  • MECHANIC
  • 18,907 POSTS
There is a flasher located in the power distribution center so we need to check this but we also need to just check voltage coming out of the switch. I included the wiring diagram below. Please review this guide that will help with checking the voltage.

https://www.2carpros.com/articles/how-to-check-wiring

Below is the location for replacement of the flasher. Let us know what you find with this and we can go from there. Thanks
Was this
answer
helpful?
Yes
No
+2
Wednesday, July 28th, 2021 AT 1:31 PM (Merged)
Tiny
EXTREME
  • MEMBER
  • 1 POST
  • 2002 CHEVROLET BLAZER
  • 6 CYL
  • 2WD
  • AUTOMATIC
  • 81,000 MILES
I just need to know where the flasher relay is located, I have the part but cant find the box it goes to?
Was this
answer
helpful?
Yes
No
+1
Wednesday, July 28th, 2021 AT 1:35 PM (Merged)
Tiny
MERLIN2021
  • MECHANIC
  • 17,250 POSTS
Hello,

The flasher is behind the dash here is a diagram to show you where. Check out the diagrams (Below). Please let us know if you need anything else to get the problem fixed.
Was this
answer
helpful?
Yes
No
+3
Wednesday, July 28th, 2021 AT 1:35 PM (Merged)

Please login or register to post a reply.