Turn signal does not work but hazard lights do?

Tiny
TONY918
  • MEMBER
  • 2023 HYUNDAI TUCSON
  • 4WD
  • AUTOMATIC
  • 1,357 MILES
I'm trying to locate the fuse for the turn signal to see if it was blown. I have tried the Car Manual, online videos and looking at the fuse Diagram panel but can't find the fuse specifically for the turn signal.

I believe the turn signal fuse is blown because my hazards lights still work and so do the bulbs.

My vehicle isn't displaying any faulty turn signal warnings as well, so I am very confused as to why my turn signal doesn't work on a brand new 2023 vehicle.
Friday, August 18th, 2023 AT 6:07 AM

2 Replies

Tiny
STEVE W.
  • MECHANIC
  • 15,700 POSTS
If this is brand new you should just return to the dealership it came from, it could be a simple issue or because of the electronics involved it could be the body module. It isn't a fuse because there isn't one for just the signals, it uses the same power and control module as the hazards.
Was this
answer
helpful?
Yes
No
Friday, August 18th, 2023 AT 12:02 PM
Tiny
KEN L
  • MASTER CERTIFIED MECHANIC
  • 55,512 POSTS
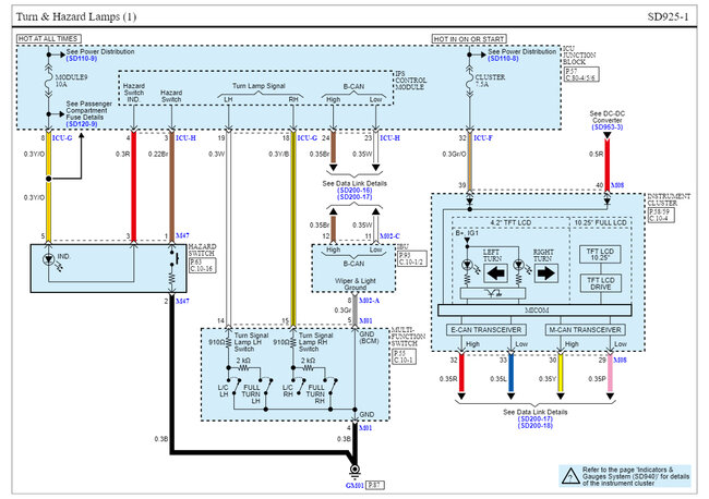
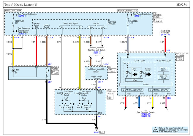
It sounds like you have a bad IPS control module which is inside the ICU junction block, there are no fuses for the blinkers specifically. Here are the blinker wiring diagrams so you can see how the system works.

I have included the location of the ICU junction block so you can see what's going on, I believe it will need to be replaced, but you might want to try to reset the system by disconnecting the battery overnight.

Also, there could be a software update that can fix it. Check out the images (below). Let us know what happens and please upload pictures or videos of the problem so we can see what's going on.
Was this
answer
helpful?
Yes
No
Friday, August 18th, 2023 AT 12:08 PM

Please login or register to post a reply.