Where is the turn signal answer back relay location?

Tiny
JOSEPH SCOZZARI
  • MEMBER
  • 2008 SUZUKI XL7
  • 3.6L
  • 6 CYL
  • 4WD
  • AUTOMATIC
  • 101,000 MILES
Does this model/year really have one?
Thursday, March 18th, 2021 AT 9:22 AM

11 Replies

Tiny
DANNY L
  • MECHANIC
  • 5,648 POSTS
Hello, I'm Danny.

After looking at our site diagrams I have found no such type of any relay for the turn signal circuit on your vehicle. Can you describe the problem you are experiencing and get back to us with the issue? We would be happy to help remedy the problem you are having. Hope this helps and thanks for using 2CarPros.
Was this
answer
helpful?
Yes
No
Friday, March 19th, 2021 AT 3:06 AM
Tiny
JOSEPH SCOZZARI
  • MEMBER
  • 6 POSTS
First one blinker stopped working, now both have, hazards work other functions of the multifunction turn signal switch seem to work as well. (Flash to pass, etc.)
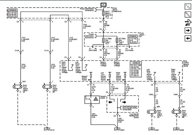
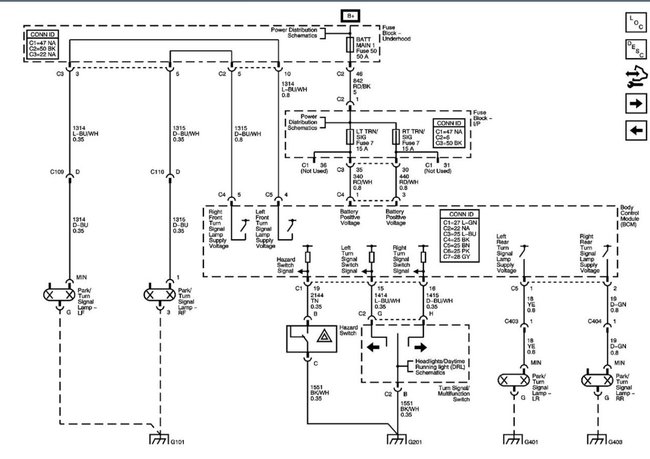
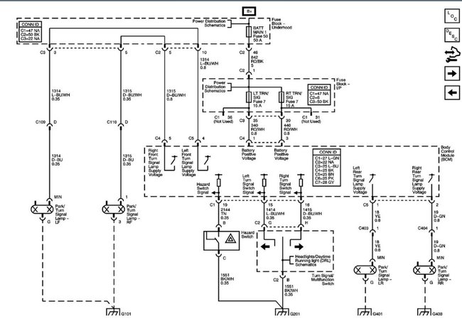
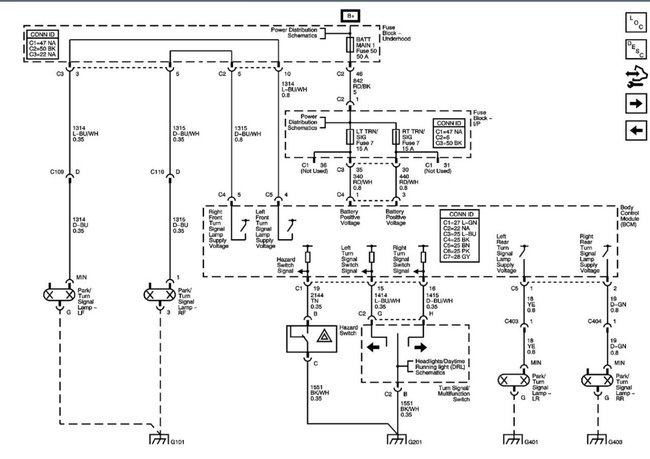
as far as I can tell there is just the BCM involved for control, but every parts site has a turn signal relay listed for this car as well so I was wondering.
Should the feed from the BCM to the turn signal switch be battery voltage? Both of those seem to have zero or some partial voltage. The ground at the turn signal switch does seem to go to ground properly.
Was this
answer
helpful?
Yes
No
Friday, March 19th, 2021 AT 8:44 AM
Tiny
STEVE W.
  • MECHANIC
  • 15,693 POSTS
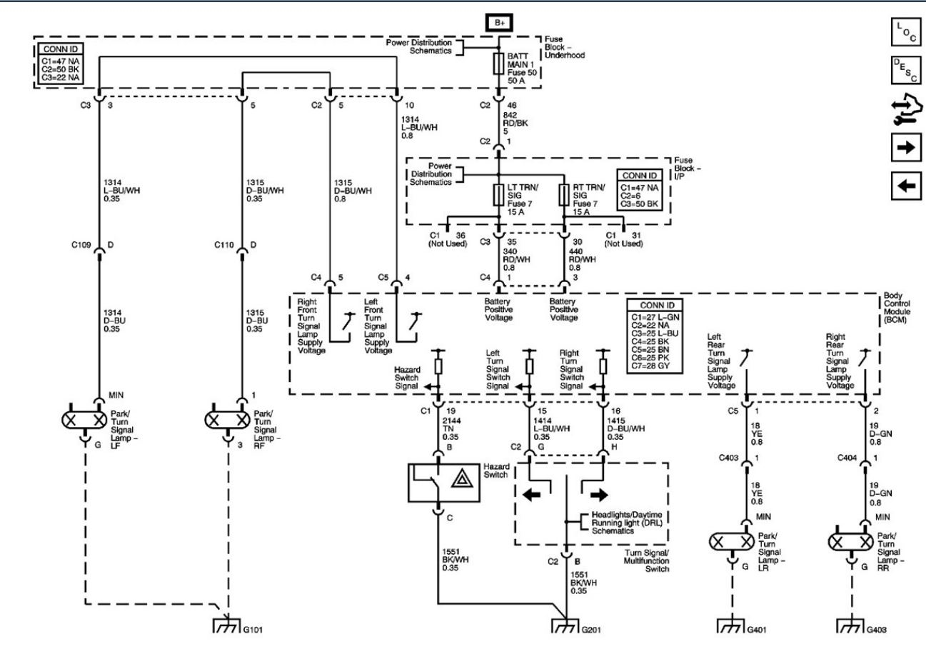
Looking at the OE wiring it shows the switch sends a ground signal to the BCM to activate the turn signal for each side. The BCM then controls the voltage output to the turn signals and should send battery voltage to the lights with the front and rear operating off of different outputs. Are both front and rear signals out but hazards work on all corners? How about the dash indicator, does it show left and right operation?
Was this
answer
helpful?
Yes
No
Sunday, March 21st, 2021 AT 4:25 AM
Tiny
JOSEPH SCOZZARI
  • MEMBER
  • 6 POSTS
The left blinker comes and goes, when it works it shows on the dash as well as lighting and flashing the indicators. The hazards all flash and show on the dash. The right indicators does nothing on the dash as well as not flashing the lights.
Was this
answer
helpful?
Yes
No
Sunday, March 21st, 2021 AT 9:08 AM
Tiny
JOSEPH SCOZZARI
  • MEMBER
  • 6 POSTS
1414 currently has voltage present at the multi function switch (the working side)
1415 does not have voltage at the multifunction switch

My fuses are different than this, though (although both have power) fuse 10 and 7 are listed for left and one for right and they are different sizes which is a bit odd.
Was this
answer
helpful?
Yes
No
Sunday, March 21st, 2021 AT 9:11 AM
Tiny
STEVE W.
  • MECHANIC
  • 15,693 POSTS
Both of those wires should have voltage when the switch is open, then they are pulled to ground when you use the switch and that triggers the BCM to tell it which side you are turning on. From your description sounds like the BCM is failing.
Was this
answer
helpful?
Yes
No
+1
Sunday, March 21st, 2021 AT 11:49 AM
Tiny
JOSEPH SCOZZARI
  • MEMBER
  • 6 POSTS
Okay, that's kind of what I have been thinking.
Was this
answer
helpful?
Yes
No
Sunday, March 21st, 2021 AT 12:46 PM
Tiny
STEVE W.
  • MECHANIC
  • 15,693 POSTS
Yeah it's one of those "great innovations" that isn't. Lets add more to the electronics because this 5 dollar flasher that has worked for years is just old and we want new.
Sadly it's a common thing these days. On the fuses, fuse 7 is shown twice but it powers both signals, the power is split to the different circuits. On another diagram there is a fuse 11 at 15 amp shown as feeding the right side but notes from other mechanics say that fuse actually powers the hazard lights through the BCM and 15 amps would be about right for double the load.
The BCM on those is not a drop in part. They need to be programmed through the online data link and have the restraints initialized and the antitheft programmed. Most times they won't even run without being programmed. These are programmed through GM Tech2 tools with the correct interface box. Those are getting hard to find these days. You might be able to find one that is programmed to your vehicle online, there are places that can do that. Or if you have the tools you can do it.
Was this
answer
helpful?
Yes
No
+1
Sunday, March 21st, 2021 AT 2:13 PM
Tiny
JOSEPH SCOZZARI
  • MEMBER
  • 6 POSTS
Yes, believe me the thought of, well this should just be so much wire and some flasher relays has went through my mind.
Thanks for clarifying things for me.
Was this
answer
helpful?
Yes
No
Sunday, March 21st, 2021 AT 5:35 PM
Tiny
STEVE W.
  • MECHANIC
  • 15,693 POSTS
I've done that on a few vehicles where things like this failed. Like the TIPM on FCA vehicles where the horn, light or fuel relay fails. Reroute the wiring and add in an external relay as a repair. Been thinking about taking a more modern vehicle and removing some of the extra electronics. Thinking how cable controls worked for years for heat/AC or simple relays for the power windows and locks instead of using a computer module in every door or to control the doors in the HVAC. I can see it for the engine, but for much of the rest I just don't get the reliance on electronics.
Was this
answer
helpful?
Yes
No
+1
Sunday, March 21st, 2021 AT 8:23 PM
Tiny
DANNY L
  • MECHANIC
  • 5,648 POSTS
Hello again.

Yes, I'm in agreement as well with a failing BCM after reading these comments. I've attached picture steps below on how to remove and replace the BCM. Depending where you purchase the BCM it might need to be reprogrammed as well. I've also included those steps below as well. Hope this helps and thanks again for using 2CarPros.

Danny-
Was this
answer
helpful?
Yes
No
+1
Sunday, March 21st, 2021 AT 10:24 PM

Please login or register to post a reply.