Which fuse on the fuse diagram is used for the turn signal?

Tiny
MARK12VALLA
  • MEMBER
  • 2020 KIA SOUL
  • 65,000 MILES
Which fuse on the fuse diagram is used for the turn signal?
Monday, July 17th, 2023 AT 10:03 AM

1 Reply

Tiny
KEN L
  • MASTER CERTIFIED MECHANIC
  • 55,291 POSTS
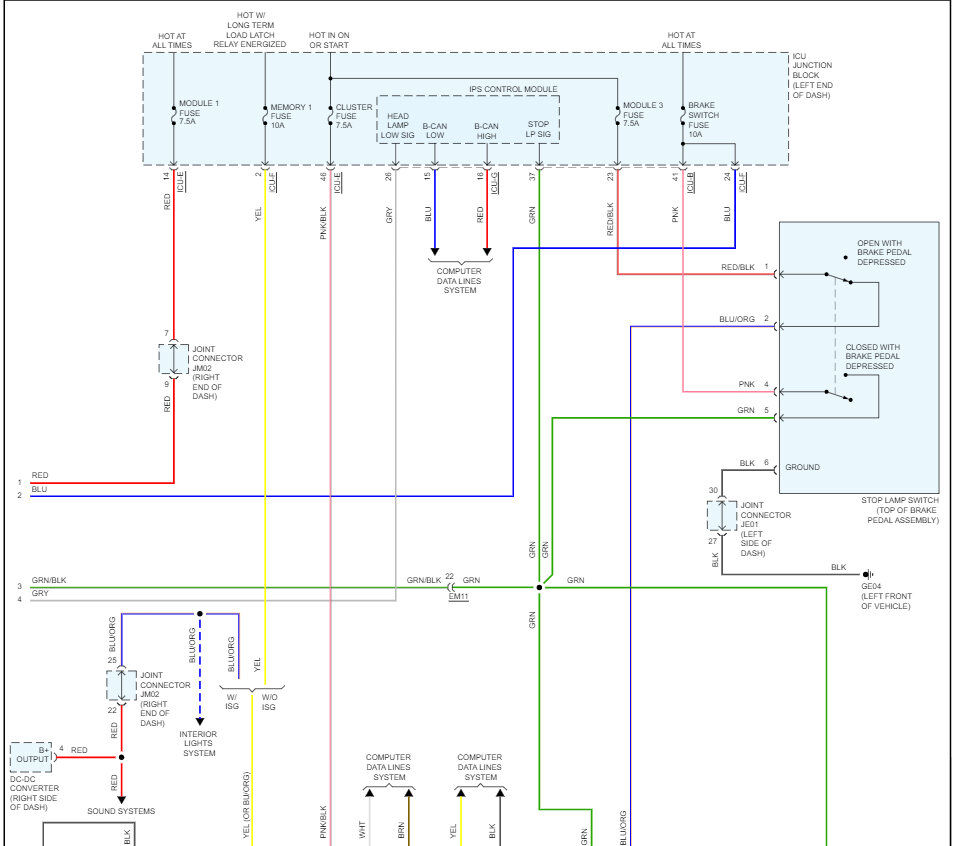
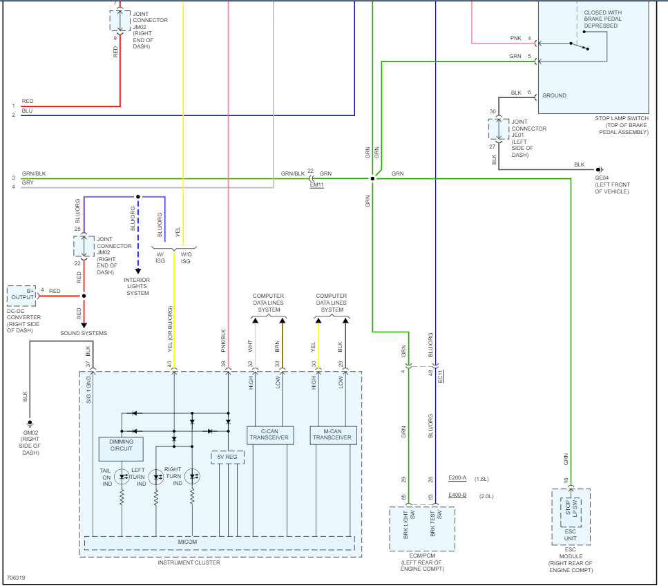
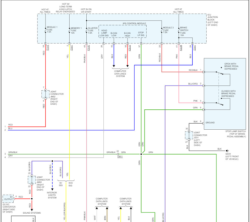
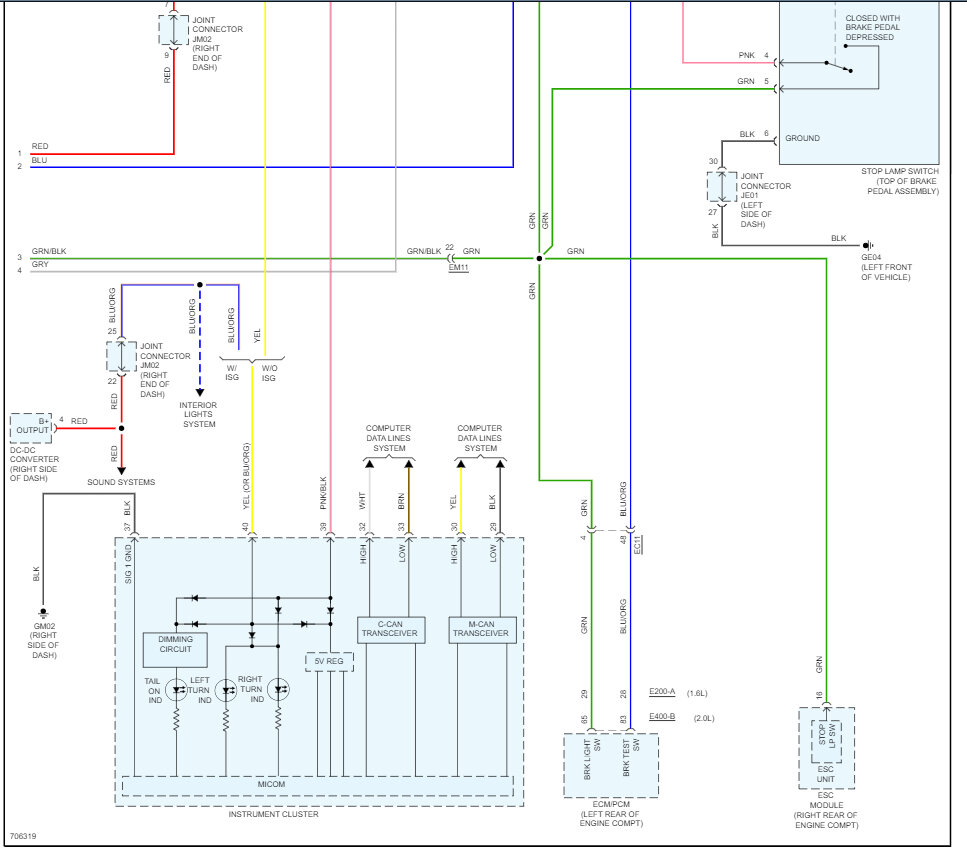
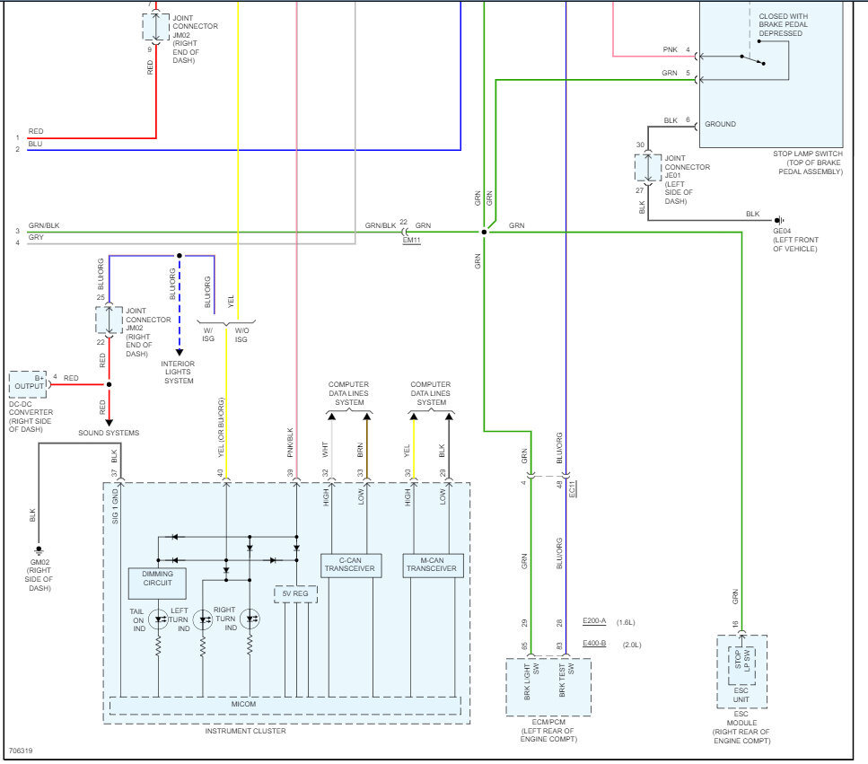
There are 3 main fuses that run the blinker system, (IBU 1 fuse inside the ICU junction block, B+3 and B+2 in the fuse panel under the hood). Here is a guide to help you with the testing. If the blinkers are not working and the fuses are good, chances are the IPS module (BCM) has gone bad. I have included the turn signal wiring diagrams in the images below so you can see how the system works.

https://www.2carpros.com/articles/how-to-check-a-car-fuse

The system does have other fuses that you should check as well, the wiring diagrams will show. Check out the images (below). Please let us know how it goes.

Was this
answer
helpful?
Yes
No
Monday, July 17th, 2023 AT 5:56 PM

Please login or register to post a reply.