Wednesday, September 20th, 2023 AT 11:32 AM
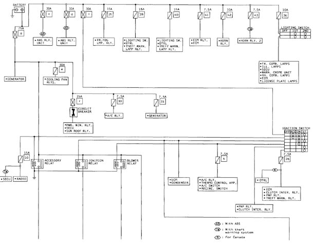
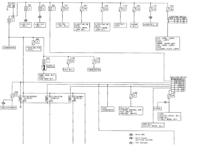
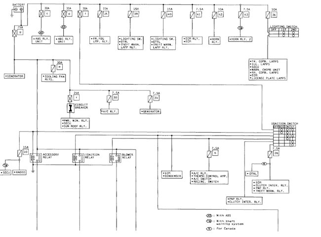
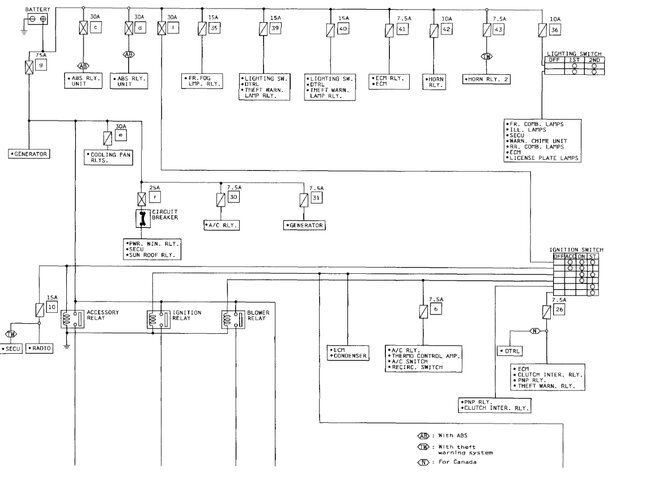
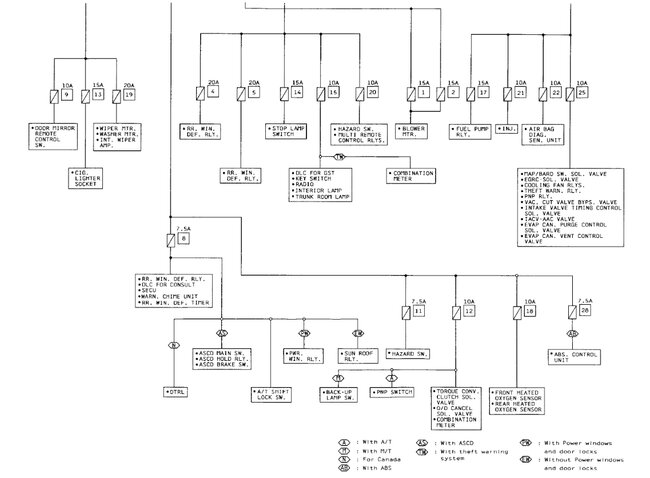
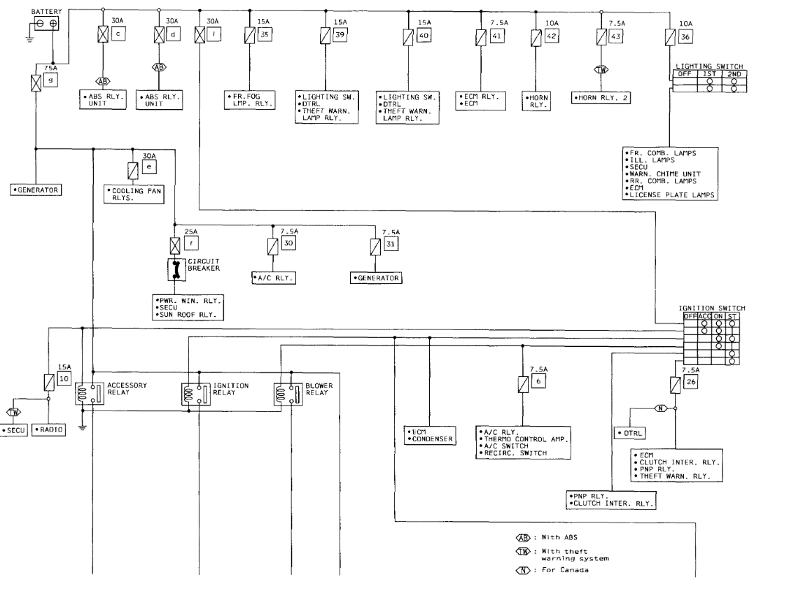
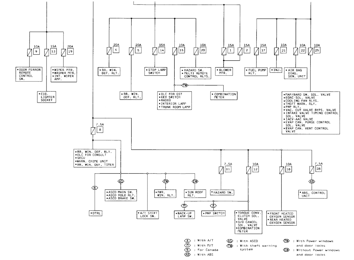
First off, the Serpentine and water pump to power steering pump belts shredded so I had someone replace and for some reason they unhooked the alternator to have maneuverability, but they forgot to Disconnect the battery and it popped the main fuse when they hooked it back up after replacing refuse now when I put the key in. I have no accessories, lights at all and car cranks but won't start am I missing something?






