Turn key nothing happens except all lights and radio work

Tiny
ALEXANDER21
  • MEMBER
  • 2004 CHRYSLER SEBRING
  • 2.8L
  • V6
  • 2WD
  • AUTOMATIC
  • 90,000 MILES
When you turn the key on nothing happens but the lights and radio work, but nothing when you turn the key. Can you help me?
Wednesday, August 15th, 2018 AT 12:22 PM

1 Reply

Tiny
STEVE W.
  • MECHANIC
  • 15,698 POSTS
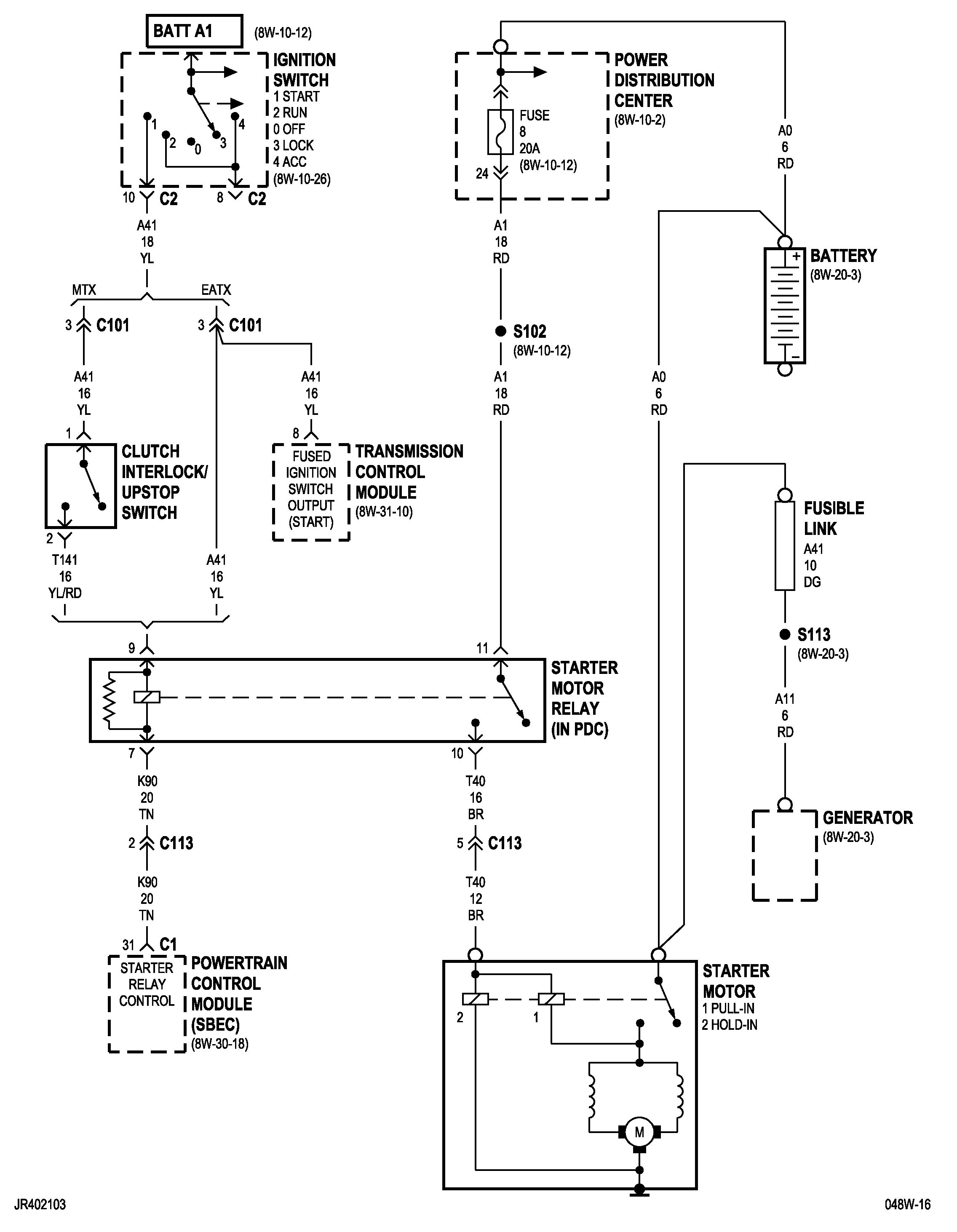
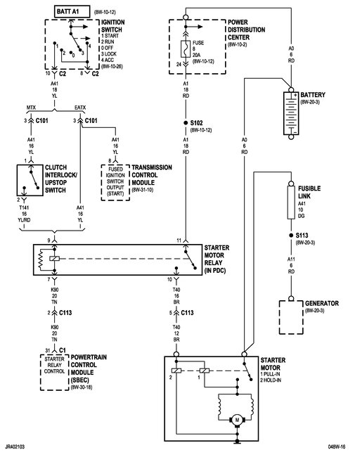
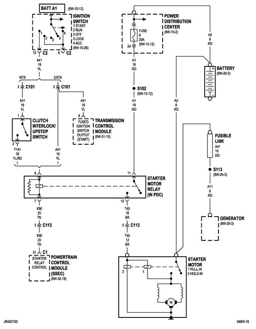
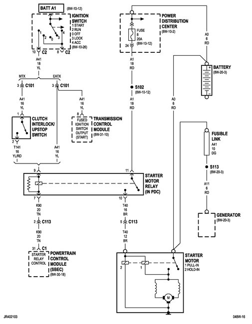
Lights and radio are okay but the starter draws a lot more power. Do the lights dim or go out when you try to start the engine? Do you hear any clicking or other noise when you turn the key? I would start by checking the battery voltage, then check that the battery cables are clean and tight at all connections. Next locate the starter relay in the power module under the hood. It should click when you turn the key. If not then try swapping it with the AC clutch relay and see if it clicks and the engine starts. If nothing there then check fuse number 8 in the row just above and left of the relay. That powers the starter through the relay. If it has blown it is possible the starter motor is failing. Replacing it may let it start, if it blows again the starter motor is suspect.
Was this
answer
helpful?
Yes
No
Wednesday, August 15th, 2018 AT 1:57 PM

Please login or register to post a reply.