Trying to find the BCM to replace it?

2010 CHEVROLET AVEO
99,800 MILES • 1.6L • 4 CYL • 2WD • AUTOMATIC
Avatar
RYANWEST
  • MEMBER
  • 3 POSTS
I can not find the BCM on my 2010 Chevy aveo5 can you show me a diagram of where it is please
Feb 13, 2026 at 4:53 PM
Repair Safety Notice: This information is for general instructional purposes only. Vehicle repair can be dangerous. Verify all information, follow manufacturer service procedures, use proper tools and safety equipment, and consult a qualified repair shop when needed.
Advertisement
Avatar
STEVE W.
  • AUTOMOTIVE REPAIR CONTRIBUTOR
  • 15,146 POSTS
The Aveo doesn't really have a BCM, instead it is a bit more old school and divides up the items a BCM controls in other vehicles among the other modules as well as both fuse panels. What is the issue you are having, that would let us track down the appropriate area to look.
Feb 13, 2026 at 7:40 PM
Advertisement
Avatar
RYANWEST
  • MEMBER
  • 3 POSTS
Ok then here's the deal I bought a new pcm from a company called flagship and it's supposed to be plung in and go and since I've done that the car starts up and dies and my obd says it the BCM which makes sense because that's all the symptoms I have are pointing to it being the BCM and my OBD reader says it's the BCM
Feb 14, 2026 at 12:46 PM
Avatar
STEVE W.
  • AUTOMOTIVE REPAIR CONTRIBUTOR
  • 15,146 POSTS
That sounds like the immobilizer system shutting it down. When it starts how long does it run? 2-3 seconds? What scan tool do you have? Does it have the ability to put your keys into the system?
Feb 14, 2026 at 6:13 PM
Avatar
RYANWEST
  • MEMBER
  • 3 POSTS
I know that but I also have found out since the first response from me that my car has to have a BCM and I was told that every Aveo 5 most definitely have bcms in them and you guys told me that they don't have a BCM why is that I just curious
Feb 14, 2026 at 6:20 PM
Avatar
STEVE W.
  • AUTOMOTIVE REPAIR CONTRIBUTOR
  • 15,146 POSTS
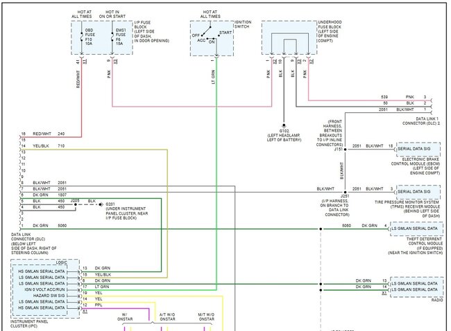
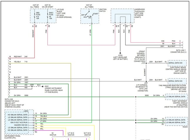
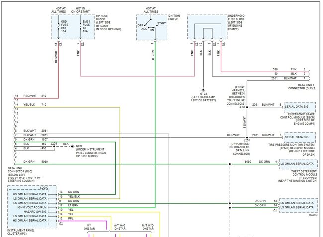
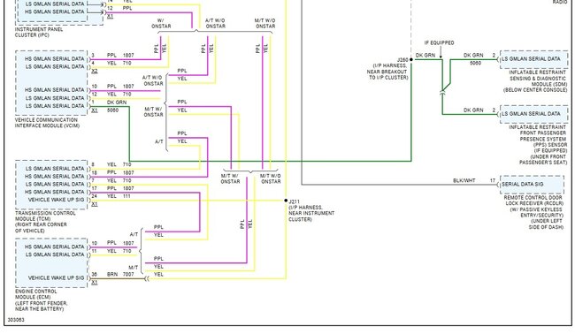
Service information on the vehicle says it doesn't have one for one thing, working on Daewoo vehicles also tells me it doesn't have one. The Aveo is a rebadged Daewoo made in South Korea or Mexico using the same parts.. Instead it has different functions distributed to the other modules. There is part of it in each fuse box, and individual modules that do things like anti-theft which is it's own module, the fuel pump is controlled through the ECM using a signal from the IMMO module that is compared to the security coding in instrument cluster and ECM. There are logic and control section in each of the fuse boxes, but neither are a BCM. They are a type of integrated power center, but do different things than a BCM. That is why I asked the problem, you need to test different things depending on the problem. The attached shows the logic in the fuse panels as well as all of the modules connected to the network. As you can see there is no BCM.

Programming Theft Deterrent System Components

Note To confirm if the vehicle has an immobilizer system, please check the vehicle SPID label or the VIN in GMVIS for the presence of RPO BAH (engine immobilizer).

Note Turn ON the ignition before installing in the scan tool. Failure to connect in this procedure may cause communication errors and the programming procedure will not complete. Any keys that are not programmed at this time will no longer function.

Note Try to obtain all the keys. At least 2 keys are necessary to successfully program the immobilizer system.

A maximum of 5 keys may be programmed.

Conditions

Use these procedures after replacing:

- Theft deterrent module (Immobilizer)
- Engine control module (ECM)
- Any key

Immobilizer Programming Procedure - LMU, LXT

1. Turn the ignition switch to the ON position.
2. Install the scan tool.
3. Select IMMOBILIZER KEY PROGRAMMING from the Module Setup menu under the Immobilizer section.
4. Follow the scan tool instructions with each key until all keys are programmed.
5. Turn the ignition to the LOCK position, disconnect the scan tool and test all the keys.
6. If any key does not function, perform this procedure again with all keys.
7. If any key does not accept the programming, replace it with a new key and perform this procedure again with all the keys.

Immobilizer Programming Procedure - LXV

This procedure will learn the data between the theft deterrent module and the ECM after replacing either the theft deterrent module or the ECM. Refer to Service Programming System (SPS) (See: Vehicle > Programming and Relearning > Service Programming System (SPS)).
Feb 14, 2026 at 6:50 PM