Shifter knob was pulled so hard it broke and cannot shift out of park

2008 PONTIAC G6
106,310 MILES
Avatar
TMCGEEGREEN22
  • MEMBER
  • 2 POSTS
I have the car listed above GT and I never had any problem with this car until recently but it is ,not the car exactly. My shifter was pulled really hard while it was in park to the point it broke my shifter knob and neck but my car will not come out of park. Do I need a new shifter assembly or do you think its something else? It's not the brake switch I do know. please help because I need my car for my job by Friday.
Sep 18, 2013 at 7:14 PM
Advertisement
Avatar
CADIEMAN
  • CAR REPAIR CONTRIBUTOR
  • 3,544 POSTS
You will need to replace the shift cable and the broken handle and shifter.
Sep 18, 2013 at 7:30 PM
Advertisement
Avatar
TMCGEEGREEN22
  • MEMBER
  • 2 POSTS
Thank you so much for your swift response.
Sep 18, 2013 at 8:15 PM
Avatar
JACOBANDNICKOLAS
  • CAR REPAIR CONTRIBUTOR
  • 110,190 POSTS
Hi,

If it wouldn't come out of park before the damage was done, then chances are it is related to the shift interlock actuator. Since it still will not come out of park and the shifter has been broken, I am going to provide the directions for replacing the shift control assembly which will include the shift lock actuator. Note that I would simply replace the actuator at this time. If you would rather check and confirm the actuator is bad, simply check for power to it using a test light. Power should be present when the brake is applied and the key is in the run position.

Here are a couple links you may find helpful:


https://www.2carpros.com/articles/how-to-use-a-test-light-circuit-tester

https://www.2carpros.com/articles/how-to-check-wiring

__________________________

Here are the directions for replacing the assembly. The attached pictures correlate with the directions.

_________________________

2008 Pontiac G6 V6-3.9L
Transmission Control Replacement
Vehicle Transmission and Drivetrain Automatic Transmission/Transaxle Shifter A/T Service and Repair Removal and Replacement 4T45-E - Automatic Transaxle Transmission Control Replacement
TRANSMISSION CONTROL REPLACEMENT
Transmission Control Replacement

Removal Procedure


Important: All shift cable and park lock cable clips are one time usage only. Any service repair requiring cables to be disconnected from the transaxle control cable bracket or shift assembly will require a cable clip replacement.


1. Remove the console. Refer to Console Replacement .


pic 1

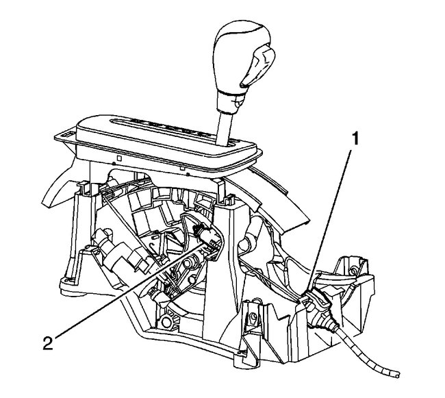
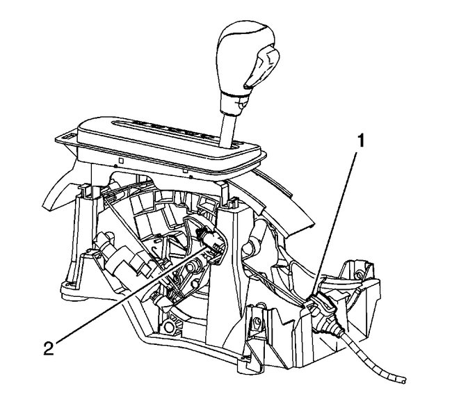
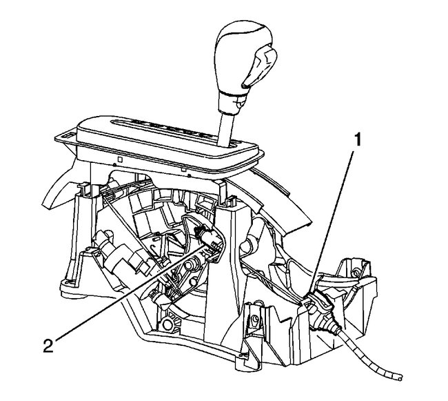
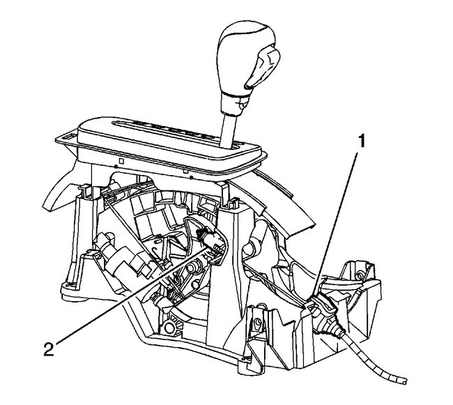
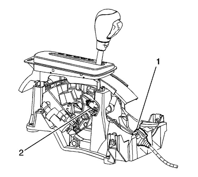
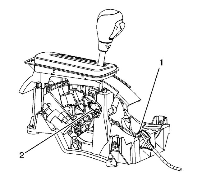
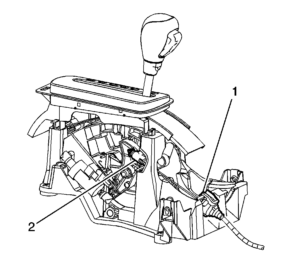
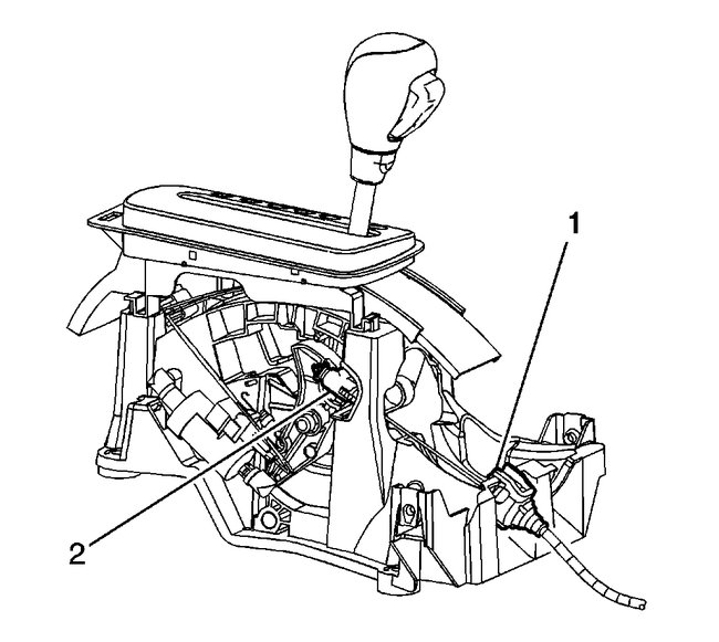
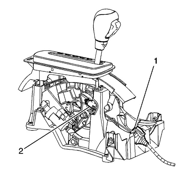
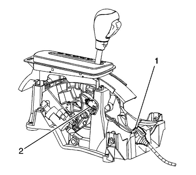
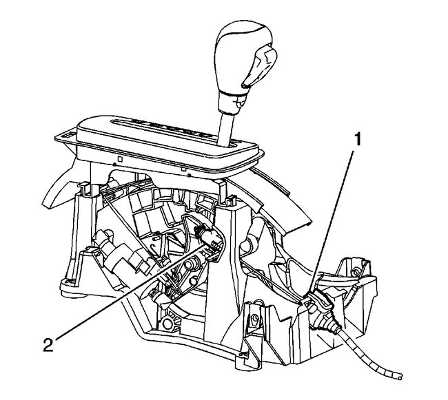
2. Disconnect the shift cable (2) from the control assembly pin.
3. Remove the shift cable retainer clip and remove the cable (1) from the control assembly.


pic 2

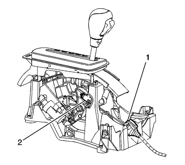
4. Disconnect the park lock cable assembly (2) from the pin on the control assembly.
5. Depress the tab on the park lock cable and remove the cable (1) from the control assembly. Discard the park lock cable clip.


pic 3

6. Disconnect the control assembly electrical connectors.
7. Set the park brake.


pic 4

8. Remove the nuts from the control assembly.
9. Remove the control assembly.



Installation Procedure



pic 5

1. Install the control assembly.

Notice: Refer to Fastener Notice .

2. Install the control assembly bolts.

Tighten the control assembly to bracket bolts to 25 N.m (18 lb ft).

3. Release the park brake.


pic 6

4. Connect the control assembly electrical connectors.


pic 7

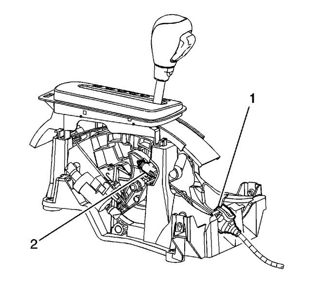
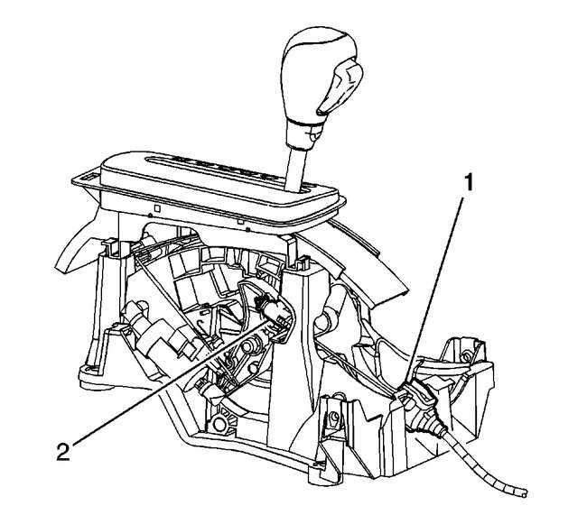
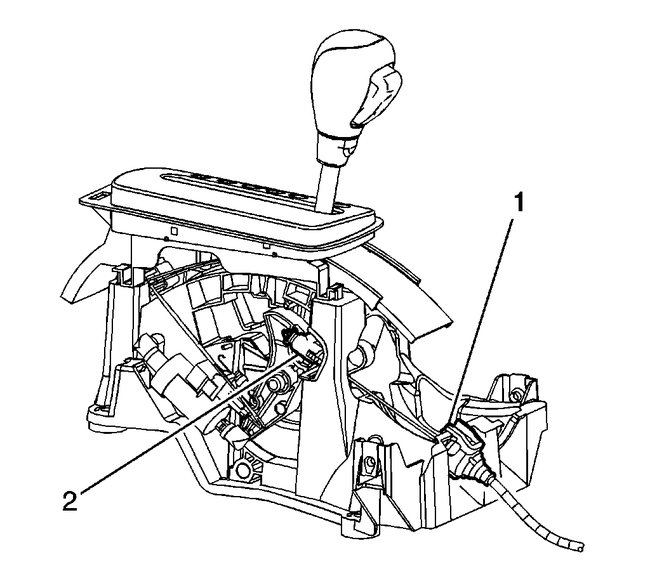
5. Install the park lock cable (1) onto the control assembly using the original clip.
6. Connect the park lock cable (2) onto the control assembly pin.


pic 8

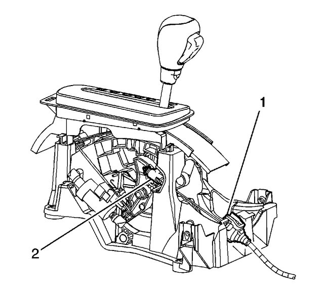
7. Install the shift cable (1) onto the control assembly. Secure with a new shiftier cable retainer clip.
8. Connect the shifter cable (2) onto the control assembly pin.
9. Install the console. Refer to Console Replacement .

___________________________________

Let me know if this helps or if you have other questions.

Take care,
Joe
Apr 3, 2020 at 9:46 PM
Advertisement
Repair Safety Notice: This information is for general instructional purposes only. Vehicle repair can be dangerous. Verify all information, follow manufacturer service procedures, use proper tools and safety equipment, and consult a qualified repair shop when needed.