Try to start and alarm goes off

Tiny
MINDY UPCHURCH
  • MEMBER
  • 1996 FORD EXPLORER
  • 4.3L
  • V8
  • 4WD
  • AUTOMATIC
  • 125,000 MILES
Boyfriend had lost his key for his SUV, and he took the tumbler out and some wires came loose. He ended up finding his key and he put the wires back and now when he puts the key in to start it won't start and the alarm goes off. What does he need to do?
Thursday, December 2nd, 2021 AT 1:17 PM

1 Reply

Tiny
AL514
  • MECHANIC
  • 5,584 POSTS
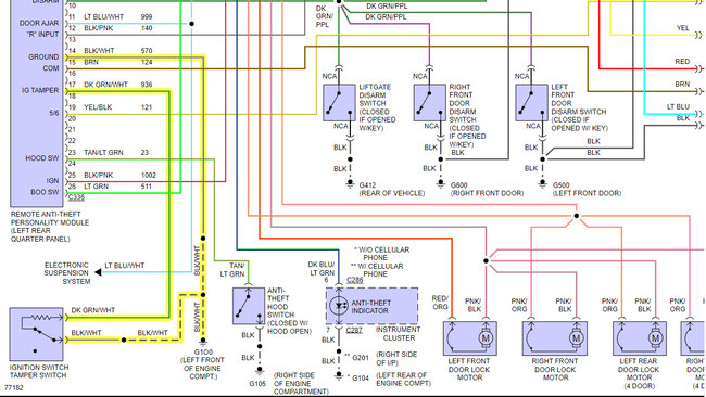
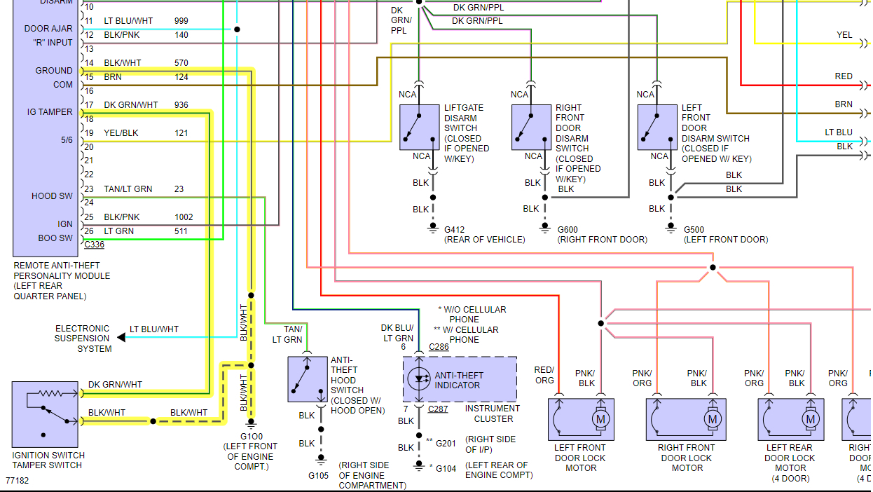
Hello, this is the wiring diagram for the Ignition Switch Anti-Theft Tamper Switch, which I'm assuming these are the wires that were torn out? Putting the key in ignition switch causes this circuit to be completed. If the wires were torn out of the tamper switch and the wire inside is not actually making contact, there will be a no start condition. Is the Anti-Theft light blinking or staying on the whole time? It should be going out, if it's not going out when you go to start the vehicle, the Anti-Theft system is not allowing the vehicle to start.
I'm adding instructions on replacing the Ignition Key Cylinder/Lock/Switch. And precautions about working around the airbag system as well, just in case.
Just make sure there is no damage to the electrical connectors.
Was this
answer
helpful?
Yes
No
Thursday, December 2nd, 2021 AT 7:58 PM

Please login or register to post a reply.