Trunk light not working

Tiny
JERI LOHR
  • MEMBER
  • 2015 VOLKSWAGEN BEETLE
  • TURBO
  • 28,000 MILES
I have replaced the bulb and that didn't help. Also on the dash it doesn't show the trunk lid is open.
Monday, December 23rd, 2019 AT 12:22 PM

1 Reply

Tiny
SCGRANTURISMO
  • MECHANIC
  • 4,897 POSTS
Hello,

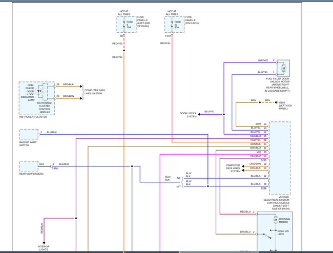
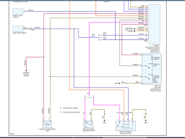
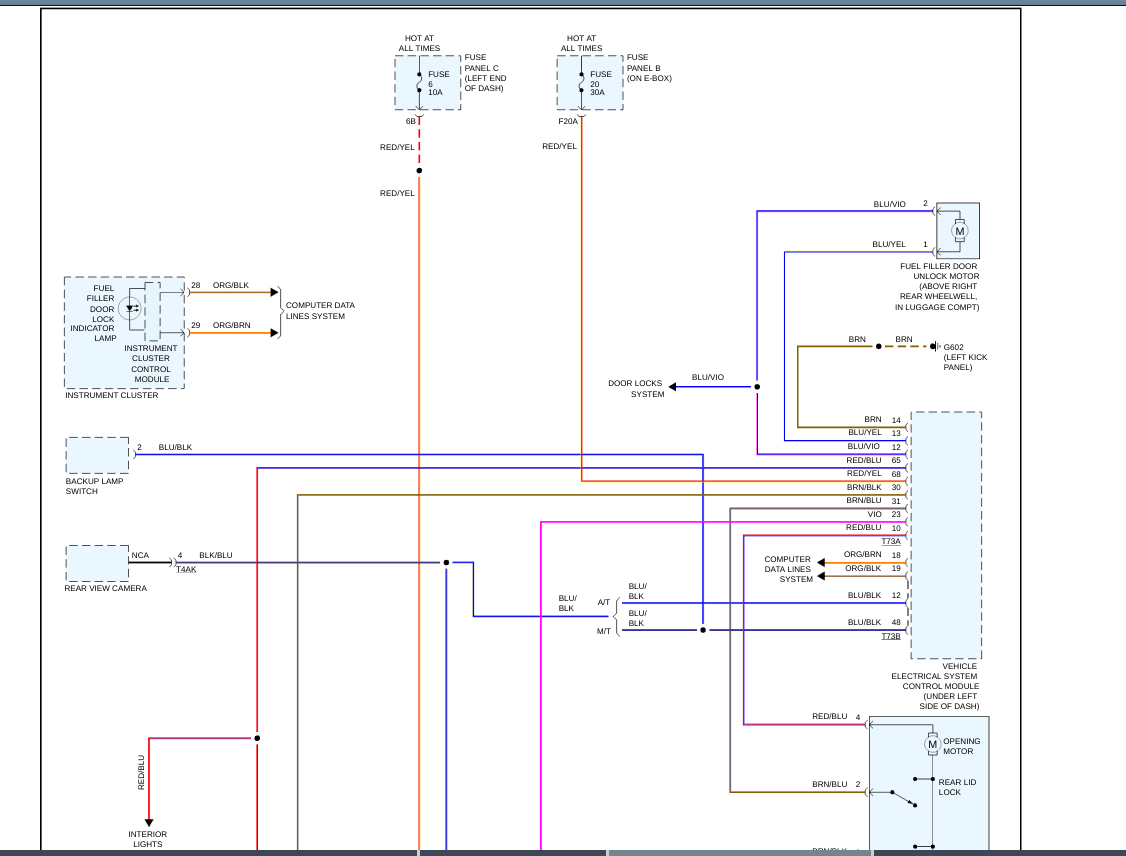
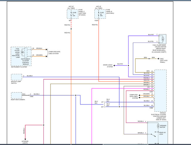
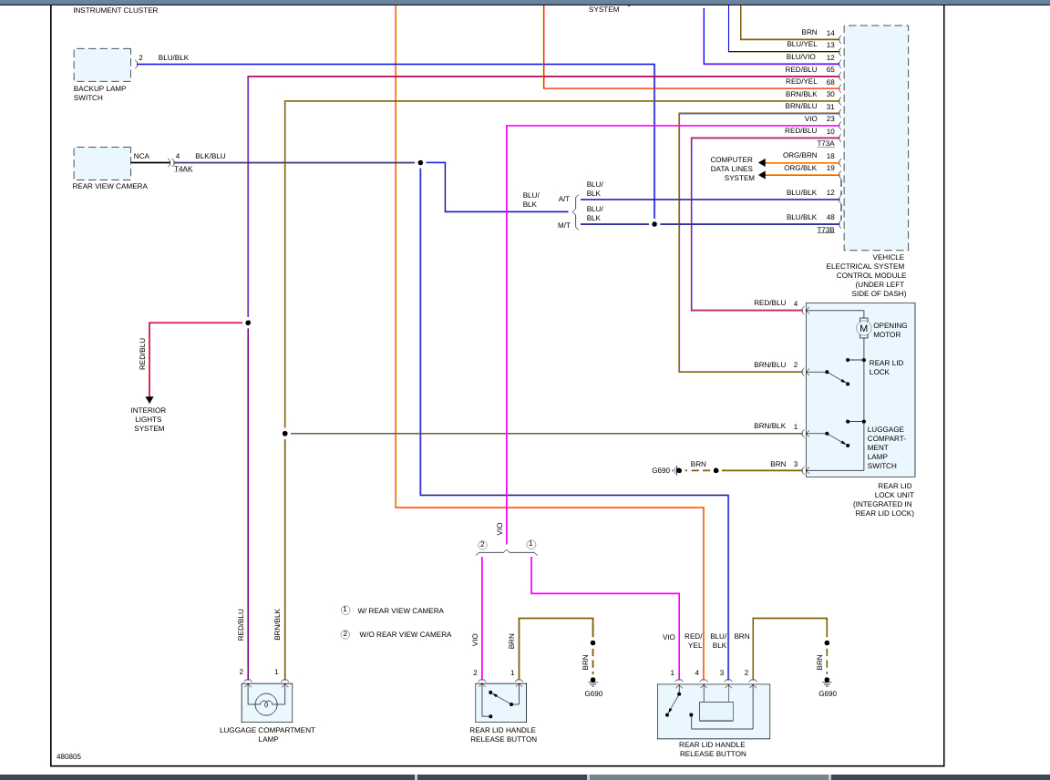
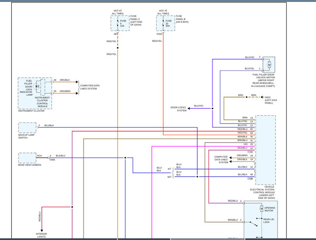
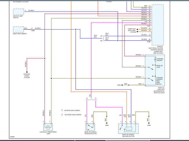
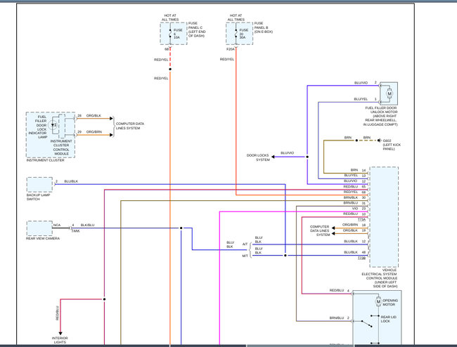
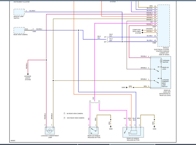
There could be a couple of different things going on here. Either your vehicle's electrical system control module has failed or you have an open or unwanted resistance somewhere in the wires in the trunk light circuit. In the diagrams down below I have included the wiring diagram for the trunk light circuit and guides on how to find an open and unwanted resistance in an automotive electrical circuit using voltage drop for you. You will need to use a Digital Multi-meter [DMM] to use these guides and here is a link below explaining how to use one:

https://www.2carpros.com/articles/how-to-use-a-voltmeter

Please go through these guides and report back with what you find out.

Thanks,
ALex
2CarPros
Was this
answer
helpful?
Yes
No
Tuesday, December 24th, 2019 AT 2:43 AM

Please login or register to post a reply.