Truck will not start?

Tiny
B.MYERS
  • MEMBER
  • 2007 GMC SIERRA
  • V8
  • 2WD
  • MANUAL
  • 260,000 MILES
Worked a site due to being a little cold I would start my truck and let it run about 20/30 minutes say about 5/6 times out of 12hrs. I went to start my truck to leave had no power.
Replaced the battery and cleaned cable ends, replaced starter, replaced battery fuse, alternator was tested showed good, replaced relay fuse. Still can't get it to start up.
Wednesday, January 4th, 2023 AT 2:26 AM

1 Reply

Tiny
JACOBANDNICKOLAS
  • MECHANIC
  • 110,194 POSTS
Hi,

Do you mean the starter isn't engaging? If that is the case, we need to determine where the circuit is losing power.

Take a look through this link first:

https://www.2carpros.com/articles/starter-not-working-repair

Next, I need to know if all other electrical components are working other than the starter.

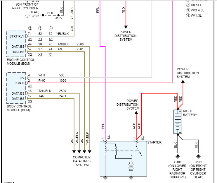
If everything else works, I need you to check for power at the clutch safety switch when the key is in the start position. Check for power both in and out of the switch.

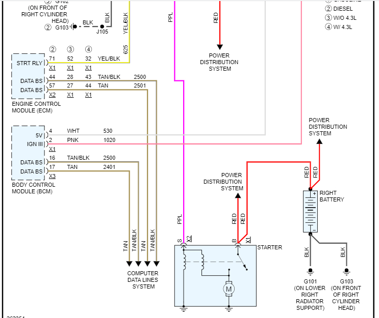
Next, at the starter, you will find a smaller gauge purple wire that is the trigger wire. That wire should only get power when the key is in the start position. Have a helper depress the clutch and turn the key to the start position while you check for power.

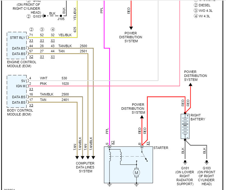
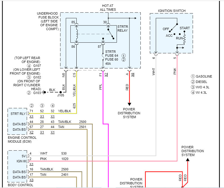
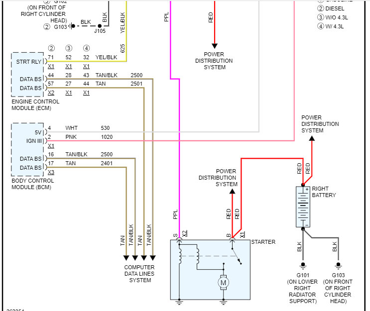
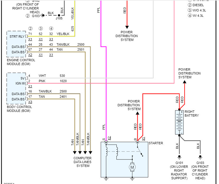
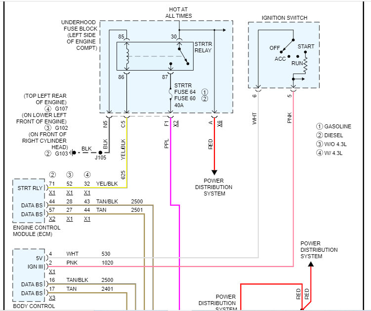
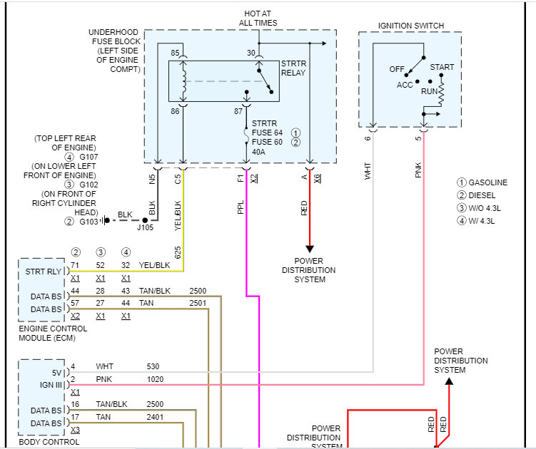
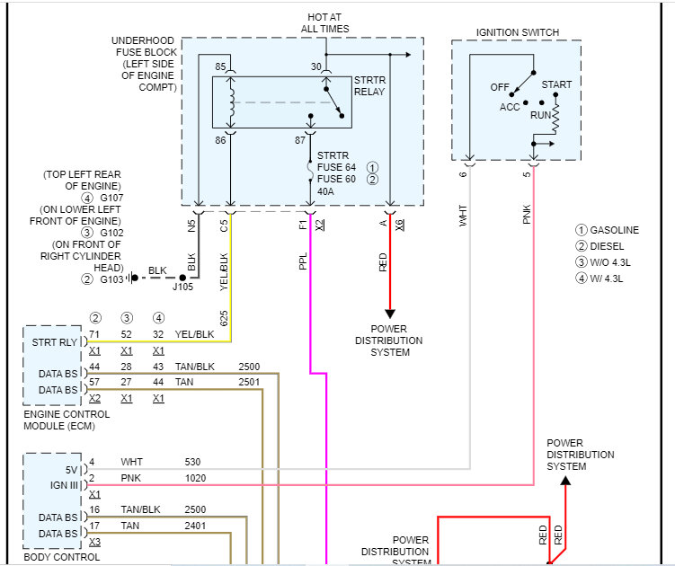
I attached the wiring schematic for the starting system below, so you have a reference.

Let me know what you find. Also, please confirm the engine size. There are three different V8 engines used. The schematic below is for a 5.3L engine.

Take care,

joe

See pics below.
Was this
answer
helpful?
Yes
No
Wednesday, January 4th, 2023 AT 9:41 PM

Please login or register to post a reply.