Engine still will not crank after replacing fuel pump

Tiny
DIDEE813
  • MEMBER
  • 2002 TOYOTA PICKUP
  • 3.0L
  • V6
  • 2WD
  • AUTOMATIC
  • 2,000 MILES
Put in new fuel pump but still will not crank. Will crank if you spray starting fluid.
Truck listed above is a 1992 with 20,000 miles.
Wednesday, July 29th, 2020 AT 11:40 AM

10 Replies

Tiny
AL514
  • MECHANIC
  • 5,595 POSTS
Hello, is this a Highlander 3.0L? And can you give us the VIN number please so we can look up the correct vehicle?
Was this
answer
helpful?
Yes
No
Wednesday, July 29th, 2020 AT 12:02 PM
Tiny
DIDEE813
  • MEMBER
  • 5 POSTS
This is a 1992 Toyota pickup 6 cylinder 3.0 VIN number JT4VN93D5N5033354.
Was this
answer
helpful?
Yes
No
Wednesday, July 29th, 2020 AT 12:10 PM
Tiny
AL514
  • MECHANIC
  • 5,595 POSTS
Okay, have you done a fuel pressure test? I'm going to assume you have no fuel pressure at this point since you just put a new pump in, but I would do a pressure test to start with. Here are the specs for pressure. If no pressure then the pump needs to be checked for power. You may have a bad fuel pump relay, Toyota calls it a "Circuit opening relay".
Was this
answer
helpful?
Yes
No
Wednesday, July 29th, 2020 AT 12:27 PM
Tiny
DIDEE813
  • MEMBER
  • 5 POSTS
Fuel is coming to the motor but is not going into the motor. The fuel pump is working.
Was this
answer
helpful?
Yes
No
Wednesday, July 29th, 2020 AT 12:29 PM
Tiny
AL514
  • MECHANIC
  • 5,595 POSTS
In this picture, it shows what terminals you can jump to activate the fuel pump, this can aid in checking for pressure. It also bypasses the Circuit Opening Relay, so you can rule that out as a problem. Power comes from the EFI relay next. Okay, so you're saying you have no injector pulse, this can be caused by a number of things. Such as no signal from from the pick up in the distributor, a wiring issue, a bad ECM. Lets see if you're getting any activity from the Injectors first.

https://www.2carpros.com/articles/how-to-test-a-fuel-injector

Are you missing spark too? And has this truck been sitting for along time? Does it really only have 2,000 miles on it? If that's the case, your fuel injectors may be stuck closed from sitting for so long. I have seen that happen.
Was this
answer
helpful?
Yes
No
Wednesday, July 29th, 2020 AT 12:30 PM
Tiny
DIDEE813
  • MEMBER
  • 5 POSTS
No, this truck has 200 thousand miles.
Was this
answer
helpful?
Yes
No
Wednesday, July 29th, 2020 AT 1:19 PM
Tiny
AL514
  • MECHANIC
  • 5,595 POSTS
Okay, you're going to have to check an injector for power and make sure the ECM is grounding the opposite wire. You can do this with a test light, unplug an injector and one wire should be battery voltage (around 12 volts) and then hook the test light to battery positive and the other wire should flash while cranking. that's the ECM controlling the injector.

https://www.2carpros.com/articles/how-to-test-a-fuel-injector
Was this
answer
helpful?
Yes
No
Wednesday, July 29th, 2020 AT 1:41 PM
Tiny
DIDEE813
  • MEMBER
  • 5 POSTS
My injectors are not getting power.
Was this
answer
helpful?
Yes
No
Wednesday, November 11th, 2020 AT 8:19 AM
Tiny
DIDEE813
  • MEMBER
  • 5 POSTS
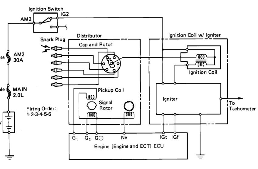
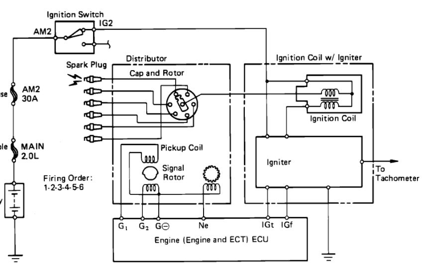
Where is the crankshaft angle sensor located on Toyota pickup?
Was this
answer
helpful?
Yes
No
Tuesday, November 17th, 2020 AT 10:17 AM
Tiny
4DRTOM
  • MECHANIC
  • 467 POSTS
Hello,

Your crank position sensor should be located on the front of the motor behind the timing cover. You should see two small wire leading down behind the harmonic balancer on the front of the motor. I have attached diagram of your ignition system hopefully it will help you out.
Tom
Was this
answer
helpful?
Yes
No
Thursday, November 19th, 2020 AT 11:47 PM

Please login or register to post a reply.