Wednesday, October 10th, 2018 AT 8:11 AM
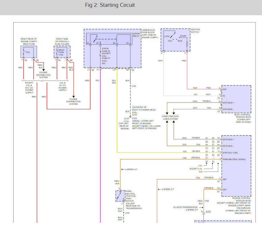
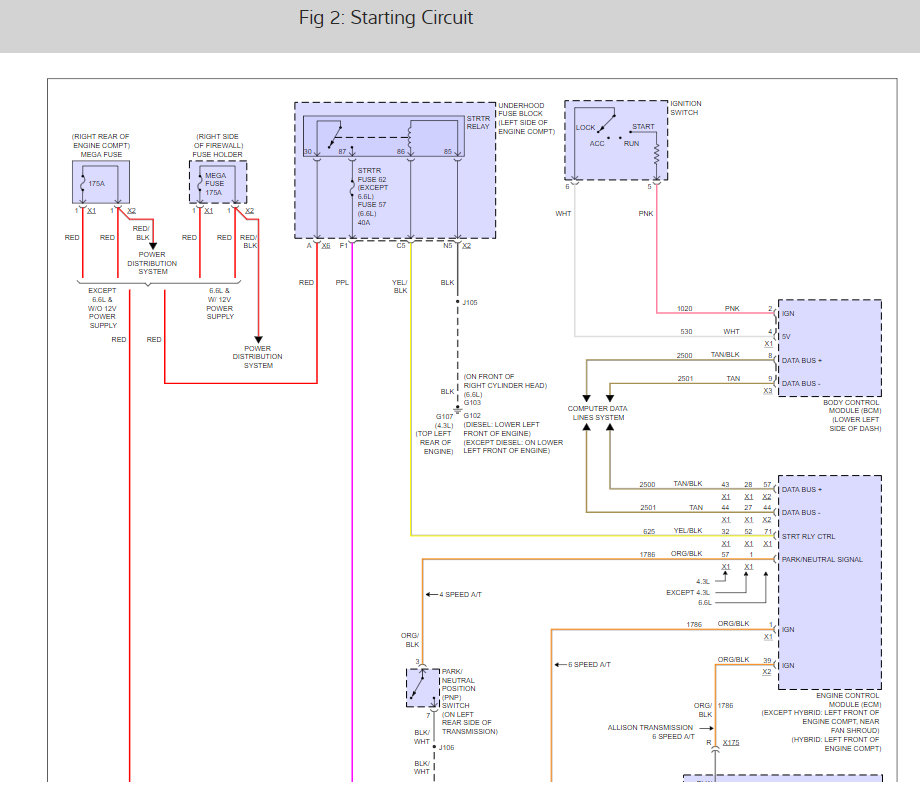
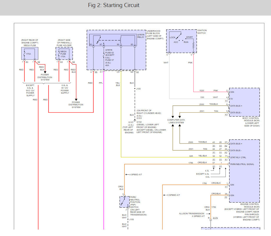
When I turn the key to the crank position the starter cranks the engine over, but it will not fire or start. When I move the key to the on position, the starter continues to crank the engine over until I move the key to the off position. I have replaced the battery, the starter, and the ignition switch. If I spray starting fluid in the intake, the engine still does not fire.






