Truck still dinging and side parking lights will not turn off

Tiny
DUWHOP31
  • MEMBER
  • 2003 NISSAN FRONTIER
  • 2.4L
  • 4 CYL
  • 2WD
  • MANUAL
  • 206,000 MILES
My vehicle listed above is still dinging and the side parking lights (Front and Back) won't turn off even after I turn the truck off and remove the keys? Last night I had to unhook the negative cable just so the battery would not drain. Why is this?
Wednesday, January 19th, 2022 AT 10:59 AM

1 Reply

Tiny
KASEKENNY
  • MECHANIC
  • 18,907 POSTS
When you say it is dinging, do you mean the chime to tell you the lights are still on when you remove the key is going off? Is the chime going all the time or only when the truck is off?

Can you get a video of what this is doing?

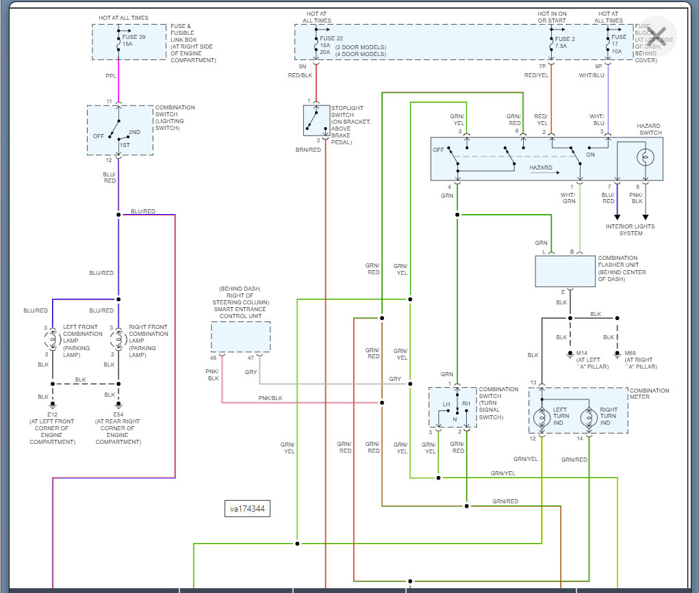
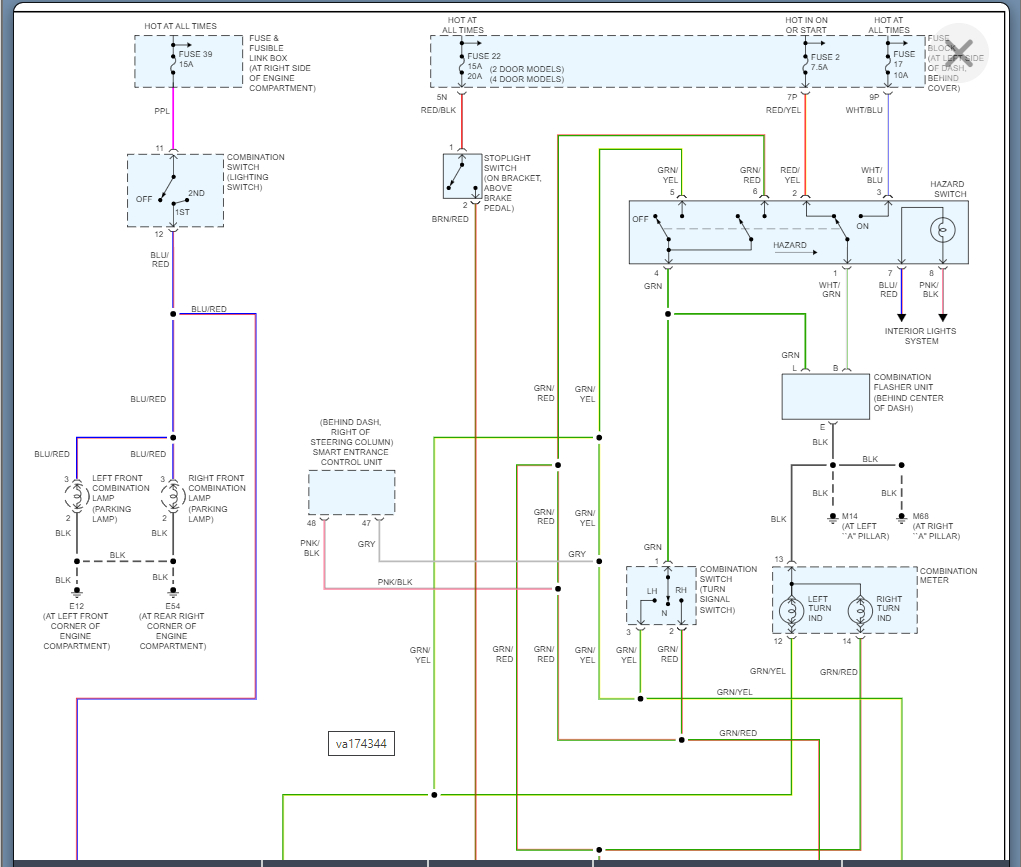
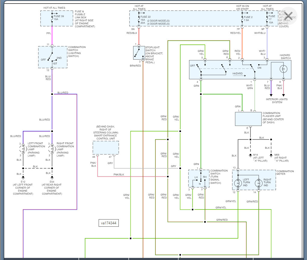
Basically, if the lights are remaining on and the chime is going on then that means the control module is seeing the light still on so the likely cause would be a switch issue.

https://www.2carpros.com/articles/how-to-check-wiring

We should check the voltage at the lights and then track it backwards through the system to find where we have the voltage. Basically, if the switch has power coming out of it, then the switch is shorted.

I attached the wiring diagrams below.
Was this
answer
helpful?
Yes
No
Thursday, January 20th, 2022 AT 2:04 PM

Please login or register to post a reply.