Transmission will not go into gear

Tiny
JDJONES
  • MEMBER
  • 2003 LINCOLN NAVIGATOR
  • V8
  • 4WD
  • AUTOMATIC
  • 122,000 MILES
Truck starts but will not go in gear.
Sunday, November 26th, 2017 AT 8:38 AM

1 Reply

Tiny
KEN L
  • MASTER CERTIFIED MECHANIC
  • 55,302 POSTS
When you say gear do you mean both no forward or reverse? Can you hear any noises ? If not I would check for codes to see what comes up.

Here is a guide:

https://www.2carpros.com/articles/checking-a-service-engine-soon-or-check-engine-light-on-or-flashing

If no codes are present check the transmission for leaks and if so check the fluid level. Here are some diagrams to help you see how to do it (below).

If the fluid level is okay and there are no codes the next step is to check the gear selector position switch.

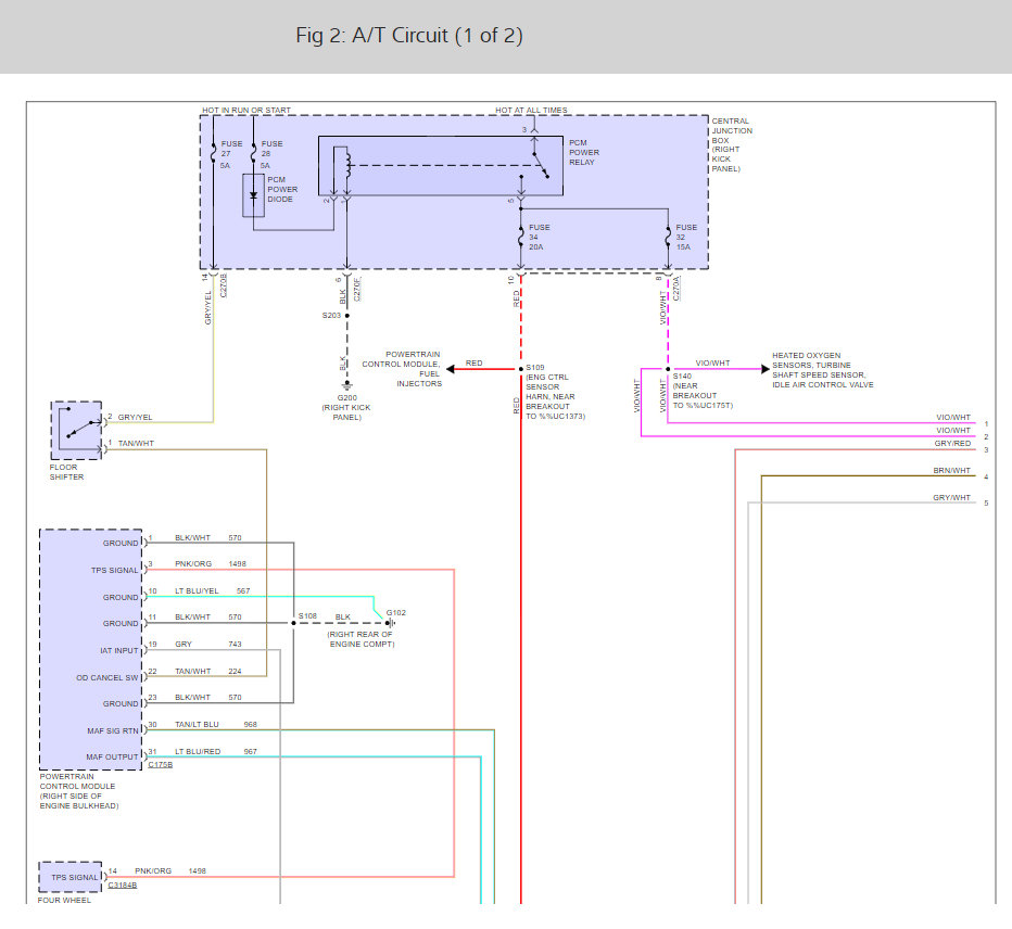
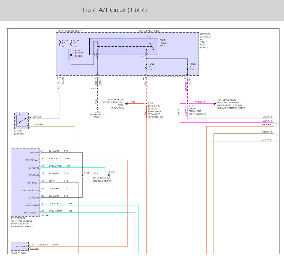
Here are the transmission wiring diagrams (below).

https://www.2carpros.com/articles/how-to-use-a-test-light-circuit-tester

If the switch tests okay chances are it is a major mechanical problem such as an input shaft failure.

Please let us know what you find. We are interested to see what it is.

Cheers, Ken
Was this
answer
helpful?
Yes
No
Monday, November 27th, 2017 AT 3:23 PM

Please login or register to post a reply.