Truck has no power after replacing battery

Tiny
CRCORPREW
  • MEMBER
  • 2004 FORD EXPLORER
  • 4.6L
  • V6
  • 2WD
  • AUTOMATIC
  • 230,000 MILES
I replaced a dead battery in my SUV. After replacing the battery I tried to start the vehicle. It started to turn over then I heard a loud popping sound and now I have absolutely no power.
Monday, May 25th, 2020 AT 9:52 AM

1 Reply

Tiny
JACOBANDNICKOLAS
  • MECHANIC
  • 110,194 POSTS
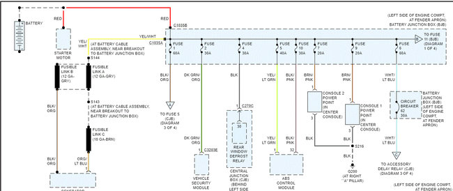
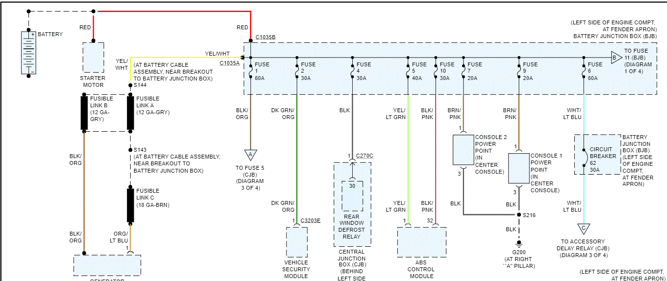
If nothing electrical work, recheck the connection at the battery. If you look at the attached pic, you'll see that power from the battery goes to the power distribution box and then in different directions. There isn't one fuse that will cause total failure.

Do me a favor. Check fuse 1 in the box. In addition to checking the fuse, see if there is power to it. Here is a link you may find helpful. I asking you to check for power because I want to know if it is making it to the fuse box or there is a problem before it. Also, let me know where the sound came from (approximately) when this happened.

https://www.2carpros.com/articles/how-to-check-a-car-fuse

Take care,
Joe
Was this
answer
helpful?
Yes
No
Monday, May 25th, 2020 AT 7:14 PM

Please login or register to post a reply.