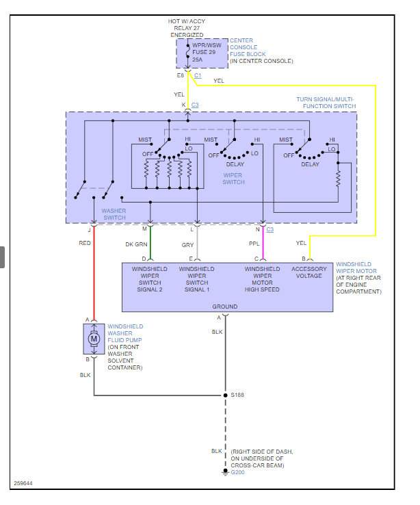
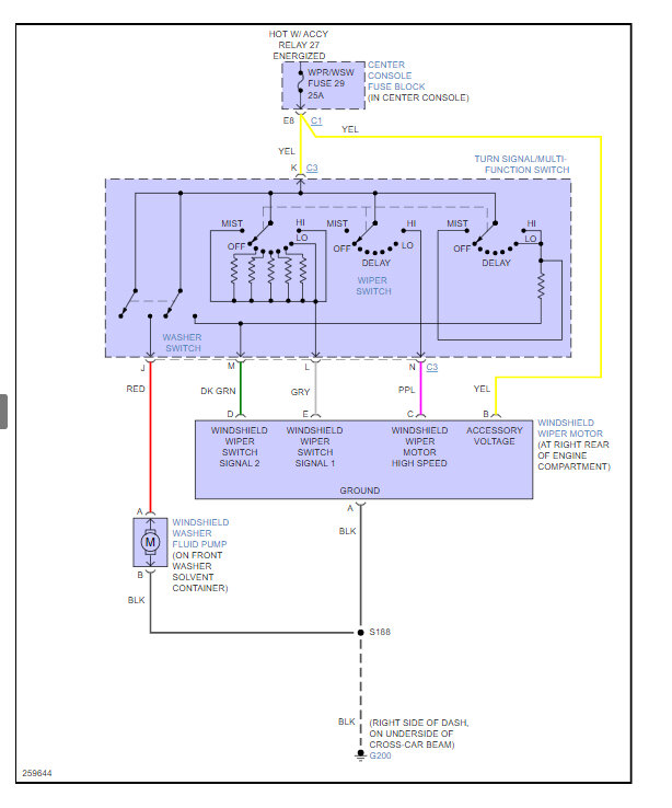
Thursday, October 13th, 2022 AT 7:52 AM
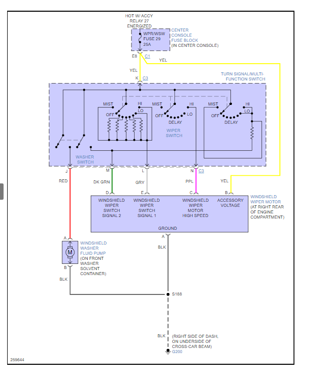
Hi again Ken: Here is the latest problem with my son's vehicle. The wiper went slow and then just quit. I checked the diode and the fuse and the power connector going to the motor. It appears that the motor is the culprit, but I am not sure.



