Transmission will not shift out of first gear

Tiny
CARLTON B.
  • MEMBER
  • 1998 MERCEDES BENZ C280
  • 160,000 MILES
I changed out my conductor plate, shift solenoids, TCM, and transmission oil. My car is still in limp mode.
Friday, December 8th, 2017 AT 5:02 PM

3 Replies

Tiny
KEN L
  • MASTER CERTIFIED MECHANIC
  • 55,322 POSTS
Limp mode can have nothing to do with the transmission. Can we run the codes to see whats comes up?

Here is a guide to help if you need it:

https://www.2carpros.com/articles/checking-a-service-engine-soon-or-check-engine-light-on-or-flashing

Please let us know what happens.

Cheers, Ken

Was this
answer
helpful?
Yes
No
+2
Sunday, December 10th, 2017 AT 1:37 PM
Tiny
CARLTON B.
  • MEMBER
  • 2 POSTS
An error code popped up P0715. I cleared it then took the car on the road to reset the monitors on the scan tool. No code as of yet popped up
. Car not shifting. Checked trainee fld. Good. Ran scan again no code or DTC popped up and pendinding error cleared. That's where I'm at so far. Oh but I do have a dip stick that rums down and shows the bottom tip under the valve body. Its not store bought(Mercedes dealer) I'll check more into that. So what now, Ken?
Was this
answer
helpful?
Yes
No
-1
Wednesday, December 13th, 2017 AT 3:09 PM
Tiny
KEN L
  • MASTER CERTIFIED MECHANIC
  • 55,322 POSTS
Hello,

The codes you gave is a turbine speed sensor which if bad will not let the transmission shift. Here is a video that will give you an idea of what you are in for when changing the sensor. They call is an RPM sensor

https://youtu.be/f3bETtCIdxM

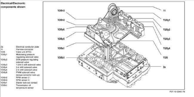
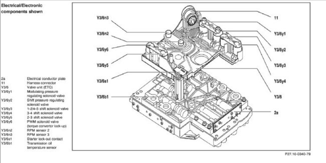
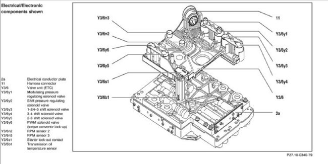
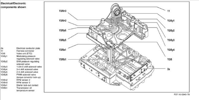
and diagram below for you car

Check out the diagrams (Below)

Let us know what happens and please upload pictures or videos of the problem.

Cheers, Ken
Was this
answer
helpful?
Yes
No
+2
Sunday, December 17th, 2017 AT 3:59 PM

Please login or register to post a reply.