Tuesday, February 18th, 2025 AT 6:57 PM
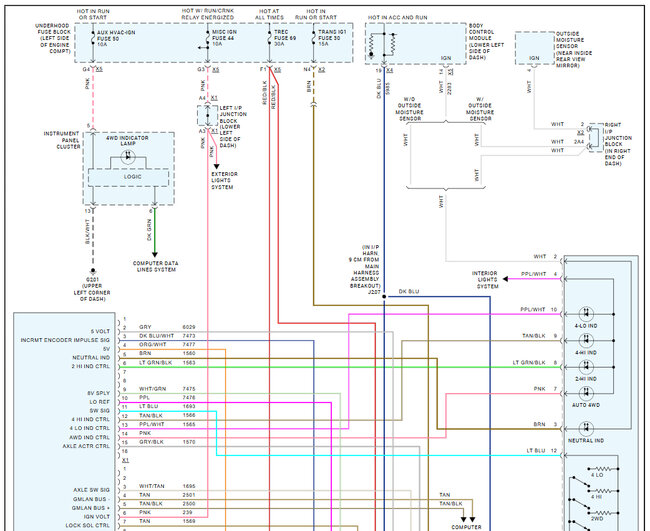
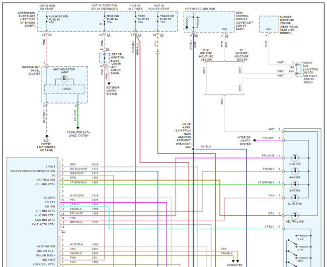
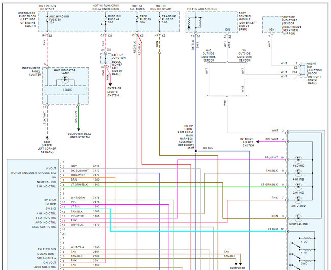
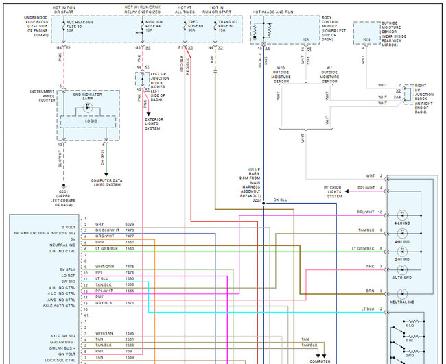
I need a picture of 4l60e transmission wires and connectors plugged into truck after a reinstall. Want to make sure I have them all plugged in correct. The speed sensor, oxygen sensors and other plugs.








