Transmission stuck in gear

Tiny
BLESSING EWOBOR
  • MEMBER
  • 2005 LAND ROVER LR3
  • V8
  • AUTOMATIC
  • 234,367 MILES
Hello, the transmission is not shifting from a particular gear and on the combination meter, the display is E, where supposed to indicate the gear range selected. I scanned it the codes seen are found on the image below.
Friday, November 12th, 2021 AT 4:30 PM

8 Replies

Tiny
JACOBANDNICKOLAS
  • MECHANIC
  • 110,194 POSTS
Hi,

The letter indicated, E. This code (E) indicates the transmission gear position sensor has developed a fault.

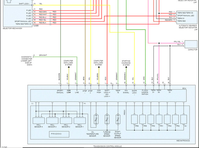
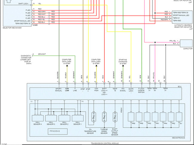
Looking at the codes you have, the primary problem is a breakdown in communication via the CAN-bus system. CAN stands for controller area network. Basically, all the computers/modules are tied together via a few wires.

I attached a wiring schematic below showing the CAN circuit. Note that all of the things listed on the scan tool contain the same color wiring. If you look at pic 1, I included a picture of how things are tied together. The next pics are the schematic. I had to cut the pic in half to make it readable, but I did overlap them so you can follow from one to the next and highlighted related wiring.

First, confirm fuse 63 in the fuse box behind the right side of the dash is good. In addition to checking the fuse, confirm there is power to and from it. That is power to the diagnostic socket. If it's bad, things won't properly work.

Next, check the yellow /black wire and the yellow/brown wires at the TCM and ECM.

Here is a link you may find helpful:

https://www.2carpros.com/articles/how-to-check-wiring

Let me know what you find or if you have other questions.

Take care,

Joe

See pics below.
Was this
answer
helpful?
Yes
No
Friday, November 12th, 2021 AT 6:18 PM
Tiny
BLESSING EWOBOR
  • MEMBER
  • 754 POSTS
Thank you, sir,

Checking the yellow/black and yellow/brown, is it for continuity or signal?
Was this
answer
helpful?
Yes
No
Friday, November 12th, 2021 AT 8:45 PM
Tiny
JACOBANDNICKOLAS
  • MECHANIC
  • 110,194 POSTS
I'm sorry. In this case, check for continuity. There is a non-communication code, so it sounds like it is trying to communicate, but is being prevented.

Let me know, and sorry I didn't mention that.

Joe
Was this
answer
helpful?
Yes
No
Saturday, November 13th, 2021 AT 8:30 PM
Tiny
BLESSING EWOBOR
  • MEMBER
  • 754 POSTS
Okay, sir.
Was this
answer
helpful?
Yes
No
Sunday, November 14th, 2021 AT 4:12 AM
Tiny
BLESSING EWOBOR
  • MEMBER
  • 754 POSTS
Good evening, I have checked the continuity, it is quite okay sir.
Was this
answer
helpful?
Yes
No
Tuesday, November 16th, 2021 AT 5:40 AM
Tiny
JACOBANDNICKOLAS
  • MECHANIC
  • 110,194 POSTS
Hi,

Did you check fuses for power? See the attached wiring schematic. The last pic shows the central junction box. I highlighted the fuses.

Let me know.

Joe

See pics below.
Was this
answer
helpful?
Yes
No
Tuesday, November 16th, 2021 AT 6:22 PM
Tiny
BLESSING EWOBOR
  • MEMBER
  • 754 POSTS
Yes, there is power at the fuse.
Was this
answer
helpful?
Yes
No
Tuesday, November 16th, 2021 AT 9:40 PM
Tiny
JACOBANDNICKOLAS
  • MECHANIC
  • 110,194 POSTS
Hi,

Each of the related codes indicates a breakdown in the CAN. Take a look below. If there is power, there must be a wiring issue. Check connectors and pins in the connectors.

Make sure power is at the module.

Let me know.

Joe

See pics below.
Was this
answer
helpful?
Yes
No
Wednesday, November 17th, 2021 AT 3:46 PM

Please login or register to post a reply.