After replacing solenoid pack in transmission it will not crank or start

Tiny
GARY SCHRAG
  • MEMBER
  • 2012 DODGE CARAVAN
  • 3.6L
  • V6
  • 2WD
  • AUTOMATIC
  • 96,000 MILES
Put new solenoid pack in transmission got it all done and van would not start would not even try to turn over.
Sunday, June 10th, 2018 AT 11:57 AM

7 Replies

Tiny
ASEMASTER6371
  • MECHANIC
  • 52,796 POSTS
Good afternoon.

Did you check the battery to be sure it is not too low?

Why did you replace the solenoid pack?

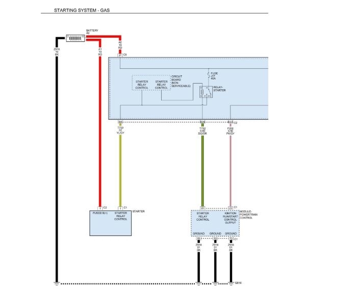
Check the fuse listed in the diagram as well for power on both sides.

Roy

https://www.2carpros.com/articles/car-battery-load-test
Was this
answer
helpful?
Yes
No
Sunday, June 10th, 2018 AT 12:18 PM
Tiny
GARY SCHRAG
  • MEMBER
  • 5 POSTS
Battery and everything was good replaced it because van was running in limp mode and putting out a p1745 code. So I took everything apart put solenoid pack in got everything put back together and got nothing. When I turn the key all lights radio everything works.
Was this
answer
helpful?
Yes
No
+2
Sunday, June 10th, 2018 AT 12:29 PM
Tiny
ASEMASTER6371
  • MECHANIC
  • 52,796 POSTS
Did you have the valve body down? There is a transmission range switch in the valve body that sends a signal to the PCM so it can allow starter operation.

Once it sees that signal, the PCM will ground the relay and allow starter operation.

Roy
Was this
answer
helpful?
Yes
No
+2
Sunday, June 10th, 2018 AT 12:37 PM
Tiny
GARY SCHRAG
  • MEMBER
  • 5 POSTS
Yes, I had to take that apart to remove and replace solenoid. How do I fix that?
Was this
answer
helpful?
Yes
No
-1
Sunday, June 10th, 2018 AT 12:43 PM
Tiny
ASEMASTER6371
  • MECHANIC
  • 52,796 POSTS
You need to verify that it is connected. I do not believe you can see that externally. That may be internal.

You will need to go back over your work.

Roy
Was this
answer
helpful?
Yes
No
Sunday, June 10th, 2018 AT 12:47 PM
Tiny
GARY SCHRAG
  • MEMBER
  • 5 POSTS
If I take the vale pan back off will the van start without that on so I would know that I fixed it before I put it all back together again?
Was this
answer
helpful?
Yes
No
-1
Sunday, June 10th, 2018 AT 12:52 PM
Tiny
ASEMASTER6371
  • MECHANIC
  • 52,796 POSTS
Yes, it could but do not put it in gear. That would be a test.

Roy
Was this
answer
helpful?
Yes
No
+1
Sunday, June 10th, 2018 AT 12:55 PM

Please login or register to post a reply.