Wednesday, August 2nd, 2023 AT 3:21 PM
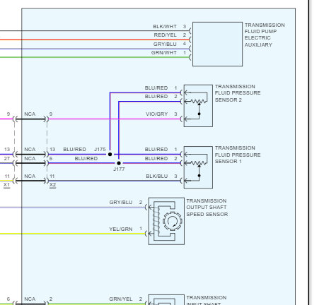
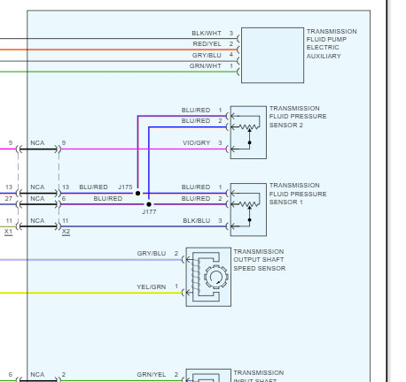
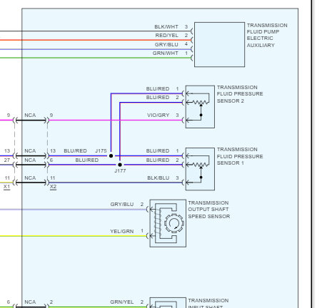
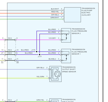
If you shift it back into park and shut the car off, then restart and shift it's fine. P2714 power train code. Calling for transmission control solenoid and filter. Fluid has not been changed regularly only topped off at last oil change. Is this your basic filter or do you have to remove the transmission and open it up to change it? At this point would it be worth just doing a drain and refill or would a complete flush be in order? I've seen three different types of filters for this car in addition to a screw in one from the side.





