Saturday, August 12th, 2023 AT 9:36 PM
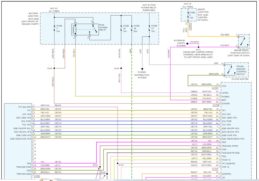
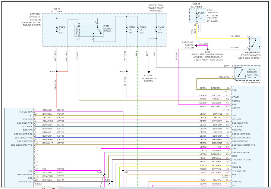
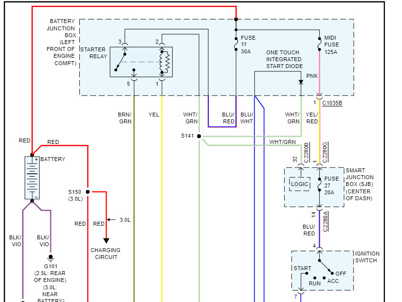
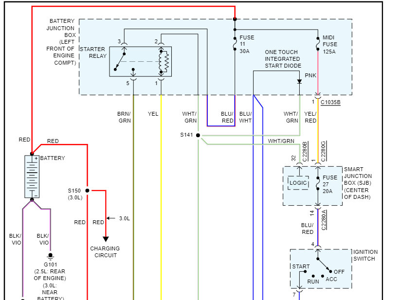
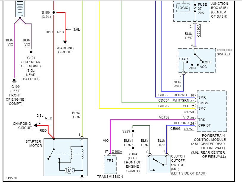
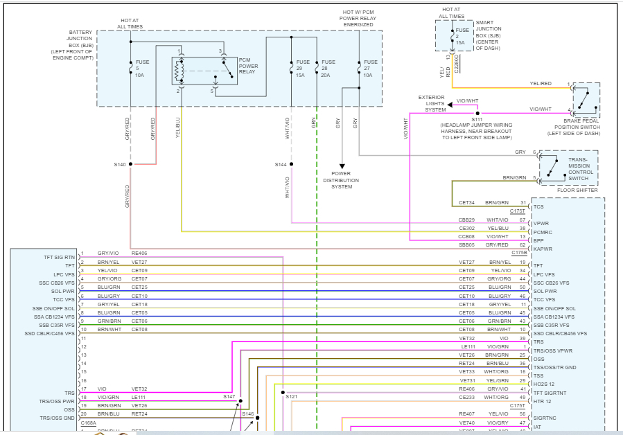
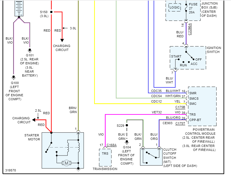
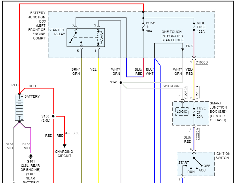
My car won't start with the key. I am able to jumper the relay to start the car and replace the ignition switch. I think the transmission range sensor is bad, but before going through all the effort to tear into the transmission I'd like to test for any electrical issues first. Does anyone have a detailed diagram of the starting system?




















