Transmission problem?

Tiny
LINDA1974
  • MEMBER
  • 1999 FORD EXPLORER
  • 4.0L
  • V6
  • 4WD
  • AUTOMATIC
  • 220,000 MILES
Transmission shifts into reverse fine, but when you put it into drive no forward motion as if you shifted into neutral?
Wednesday, March 19th, 2025 AT 9:50 AM

1 Reply

Tiny
KEN L
  • MASTER CERTIFIED MECHANIC
  • 55,535 POSTS
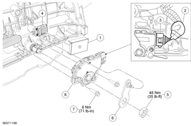
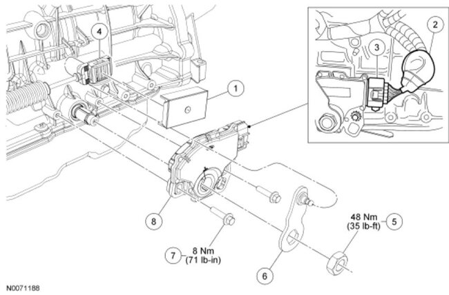
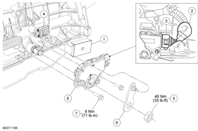
I would check the fluid level first, but it sounds like the gear range sensor is not working. Does the gear light up in the gear selections? This guide will help you check the level:

https://www.2carpros.com/articles/how-to-check-and-add-transmission-fluid

Also, we should run the codes to see if any are stored.

https://www.2carpros.com/articles/checking-a-service-engine-soon-or-check-engine-light-on-or-flashing

Here is what I think is wrong with it Check out the images (below). Please let us know what happens.
Was this
answer
helpful?
Yes
No
Wednesday, March 19th, 2025 AT 12:06 PM

Please login or register to post a reply.