Thursday, October 11th, 2018 AT 2:27 PM
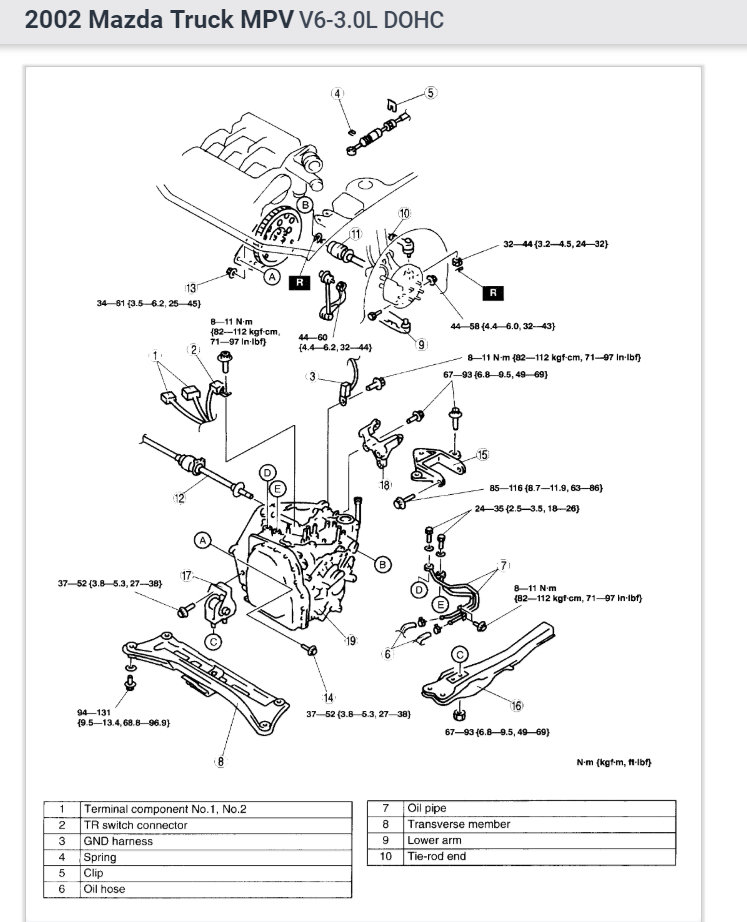
No issues with the transmission the other night I kind of pulled out in front of some one close so I kind of gunned it it shifted hard in second then it kind of started bucking so I let off and pulled over. It was like the transmission was in not in gear. I shut it off let it set ten minutes it went back in gear went fifty feet then quit. So I had it towed home. Fluid is full and clear.











