Sunday, December 17th, 2023 AT 11:46 PM
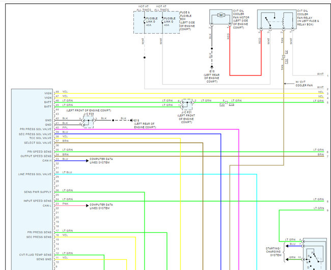
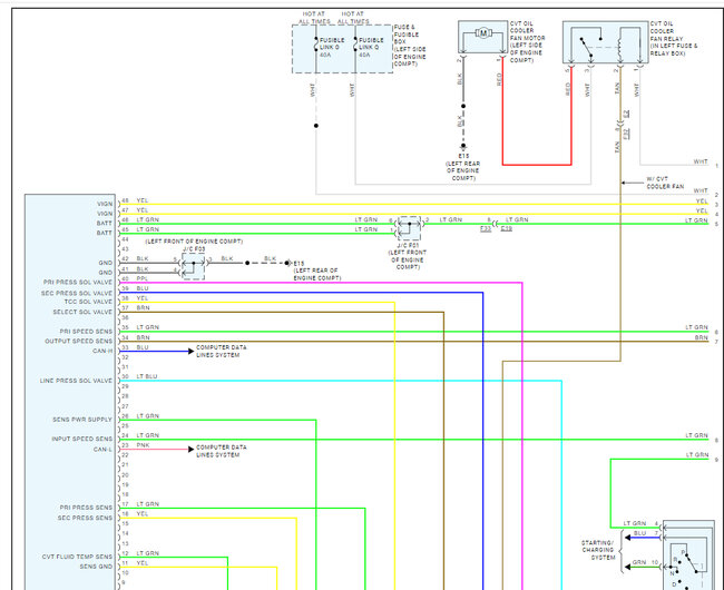
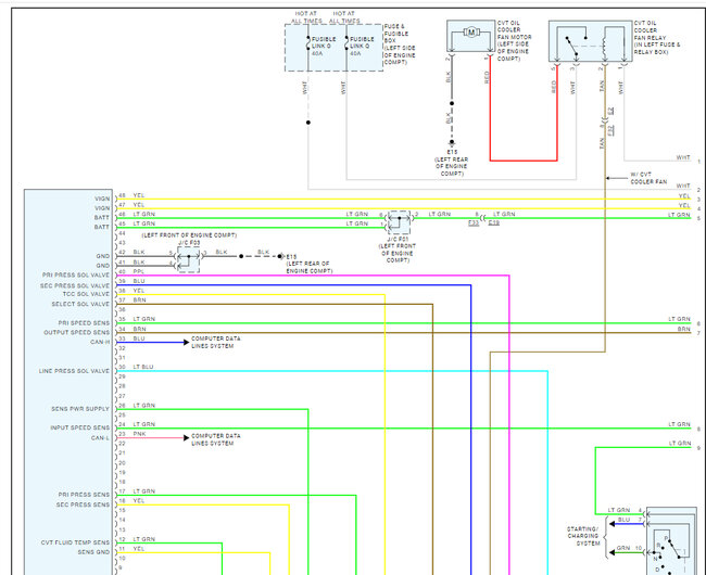
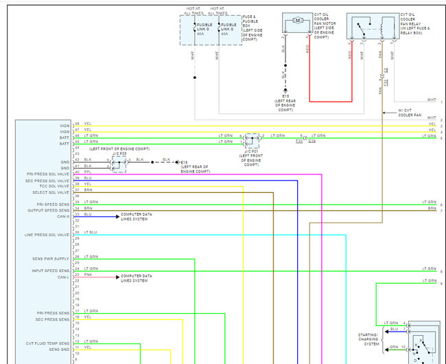
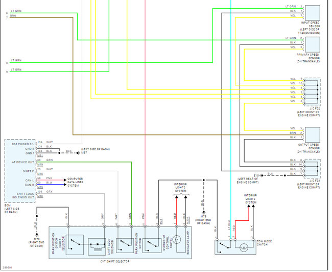
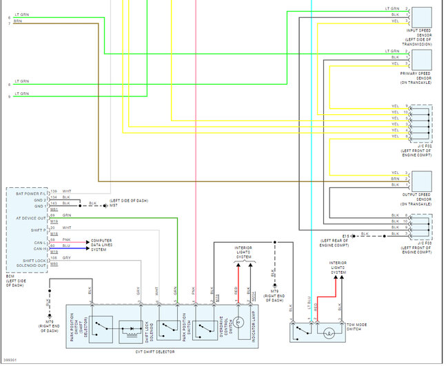
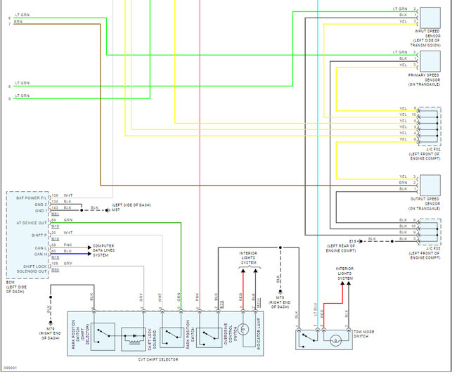
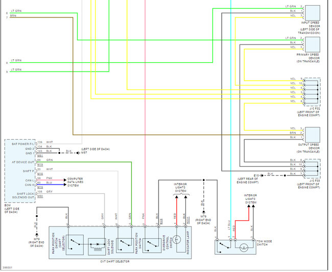
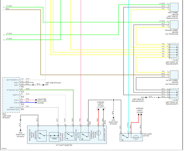
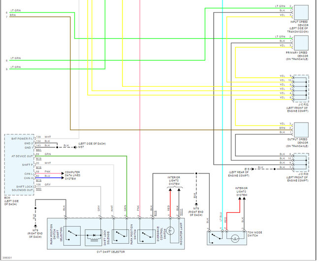
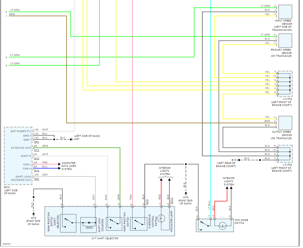
The transmission job was done on this vehicle and the cause was that the CVT chain was broken, and it was replaced. So, I need the troubleshooting of this fault code, wire diagram and fuse box diagram to do the basic inspection.






