Transmission issue, code U0101?

Tiny
BHAMDOC1973
  • MEMBER
  • 2011 MAZDA 3
  • 4 CYL
  • 2WD
  • AUTOMATIC
  • 174,000 MILES
Is this a possible PCM issue? Code u0101. Something isn't right.
Sunday, October 23rd, 2022 AT 3:06 PM

5 Replies

Tiny
KEN L
  • MASTER CERTIFIED MECHANIC
  • 55,235 POSTS
The code U0101 means the TCM, is unable to communicate. Start by checking the fuses and if all are okay, I would replace the TCM. Here is the location and how to do the job in the images below. Fortunately, it does not require reprogramming. Check out the images (below). Let us know what happens and please upload pictures or videos of the problem.
Was this
answer
helpful?
Yes
No
Monday, October 24th, 2022 AT 11:26 AM
Tiny
BHAMDOC1973
  • MEMBER
  • 2,018 POSTS
I see. You mean just fuses in general? So, the TCM is under the battery on top of the transmission?
Was this
answer
helpful?
Yes
No
Monday, October 24th, 2022 AT 11:28 AM
Tiny
KEN L
  • MASTER CERTIFIED MECHANIC
  • 55,235 POSTS
Yes, and yes, check all fuses and let me know.
Was this
answer
helpful?
Yes
No
Tuesday, October 25th, 2022 AT 1:43 PM
Tiny
BHAMDOC1973
  • MEMBER
  • 2,018 POSTS
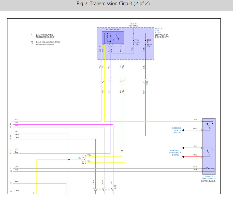
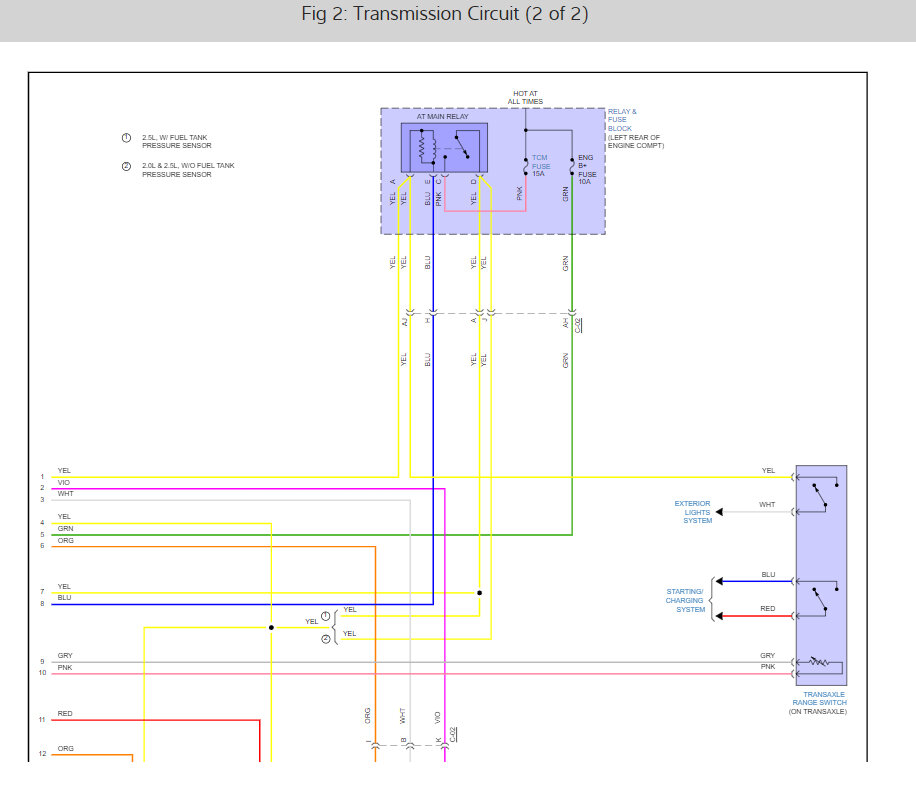
Can you provide the diagram to the TCM wires? I want to check the CAN wires as they may be loose, corrosion, or the pins are too loose on inside before replacing the TCM. I have seen one video where this was their issue after they probed one wire all came to life.
Was this
answer
helpful?
Yes
No
Thursday, October 27th, 2022 AT 11:17 AM
Tiny
KEN L
  • MASTER CERTIFIED MECHANIC
  • 55,235 POSTS
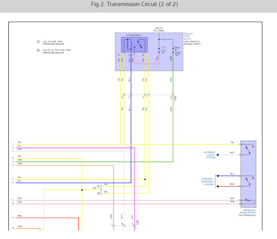
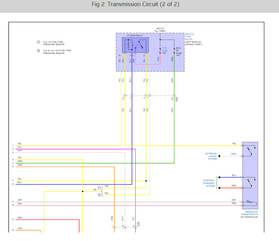
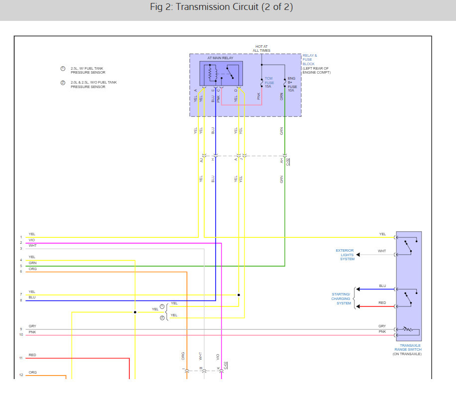
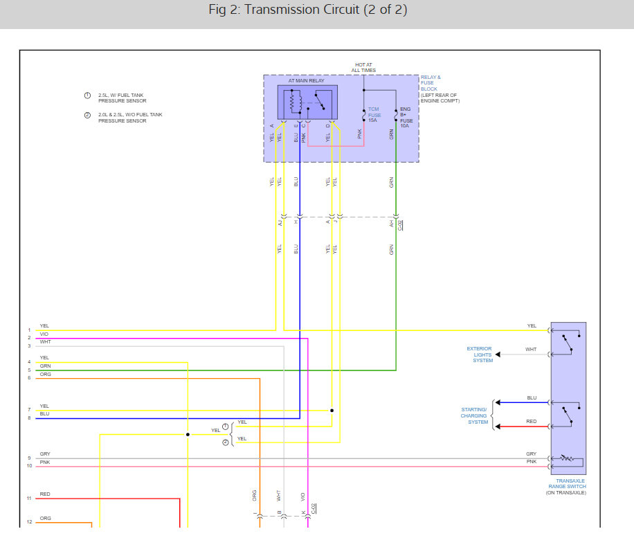
Sure, here you go, and I have included a guide on how to check the TCM wiring and connections.

https://www.2carpros.com/articles/how-to-check-wiring

Check out the images (below). Please let us know what happens.
Was this
answer
helpful?
Yes
No
Saturday, October 29th, 2022 AT 2:03 PM

Please login or register to post a reply.