Transmission wiring diagrams

Tiny
ROBERTB1025
  • MEMBER
  • 2005 DODGE CARAVAN
  • 3.8L
  • 6 CYL
  • 2WD
  • AUTOMATIC
  • 174,000 MILES
We have a transmission modular control code 700, and a low pressure transmission code 841. We changed the transmission and still have the same codes. Any ideas?
Wednesday, January 16th, 2019 AT 6:44 PM

15 Replies

Tiny
ASEMASTER6371
  • MECHANIC
  • 52,796 POSTS
Good morning,

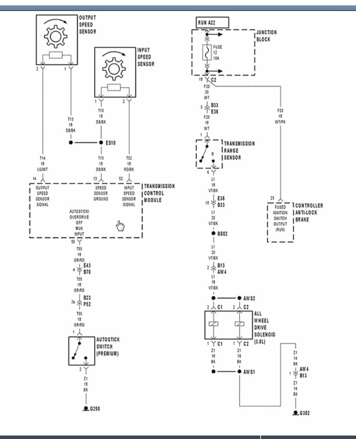
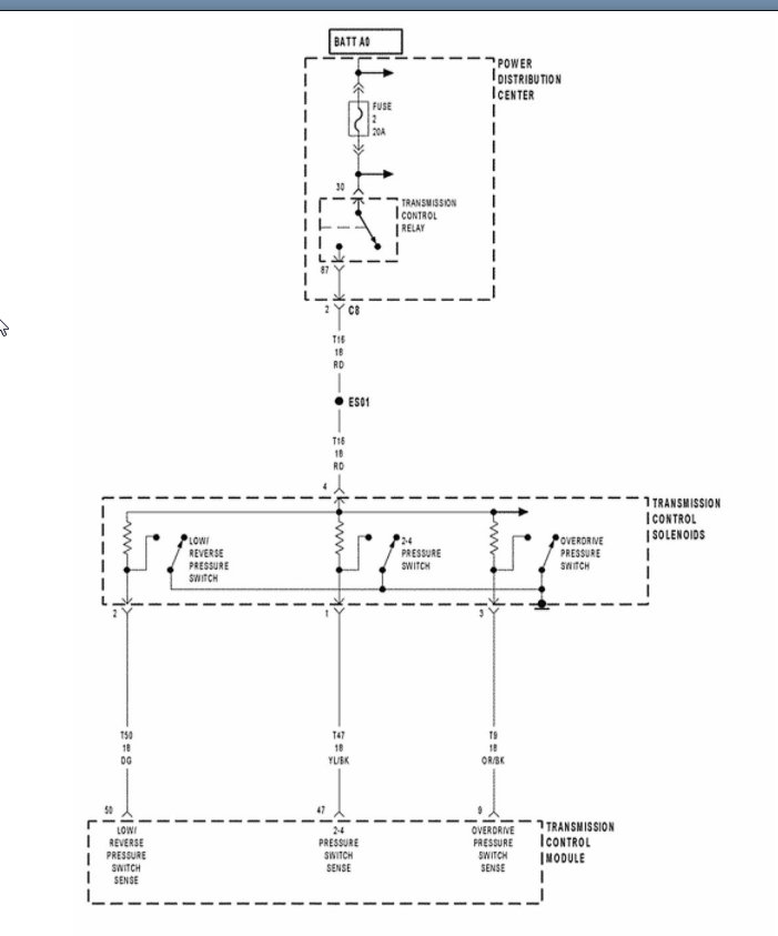
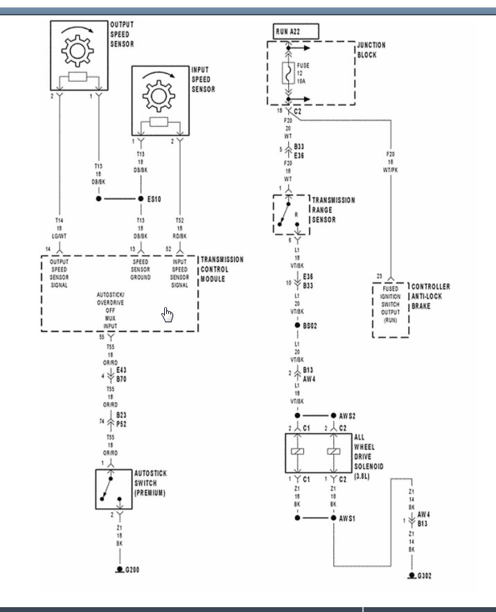
The 700 is a general code that means there is another issue.

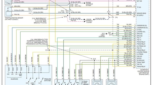
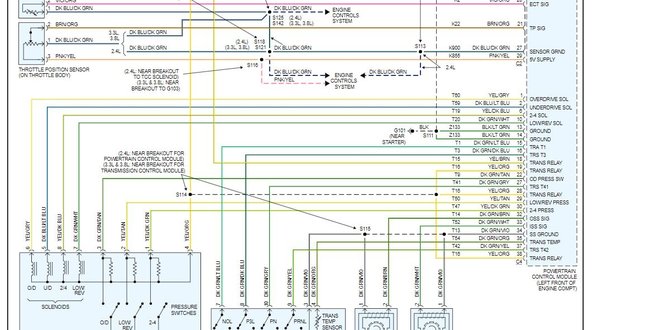
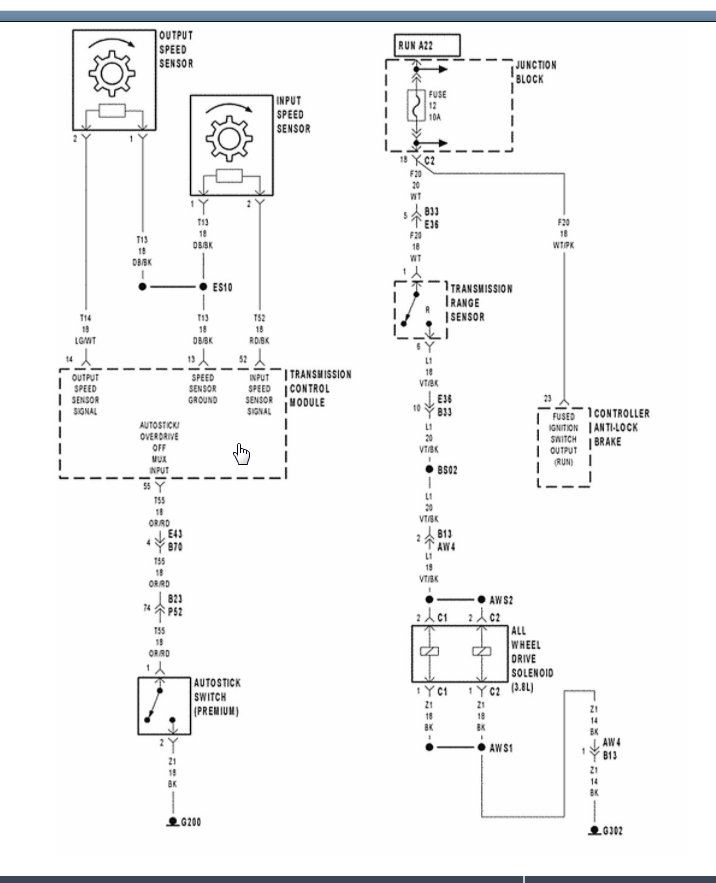
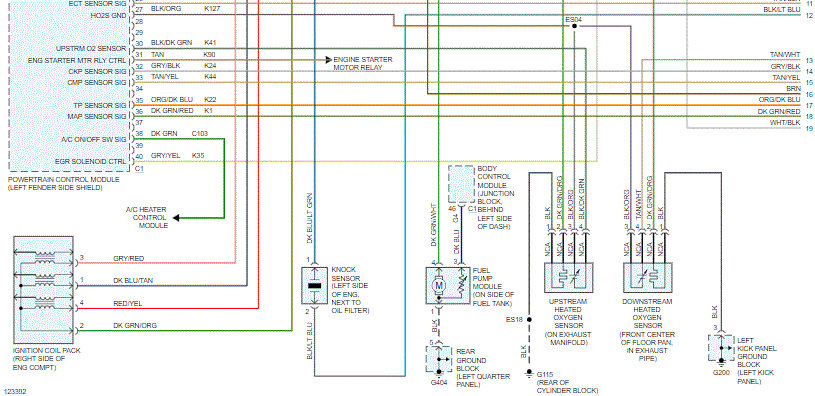
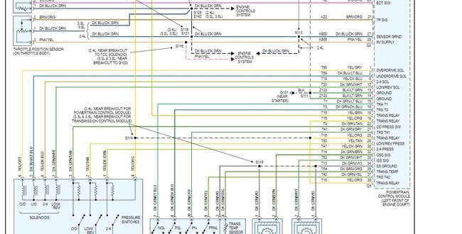
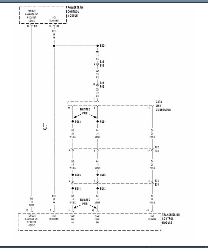
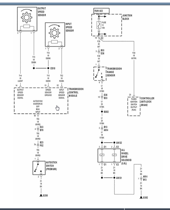
The 841 is from the description, a wiring issue to the transmission.

P0841
Descriptor
Lr Pressure Switch Sense Circuit
Probable Causes
Intermittent Wiring and Connectors
L/R Pressure Switch
Loss of Prime Diagnostic Trouble Code (DTC) P0944 Present
Loss of Prime P0944 Present
Low Reverse (L/R) Pressure Switch Sense Circuit Open
Low Reverse (L/R) Pressure Switch Sense Circuit Short to Ground
Low Reverse (L/R) Pressure Switch Sense Circuit Short to Voltage
Powertrain Control Module (PCM)
Pressure Switch
Related Relay Diagnostic Trouble Codes (DTC's) Present
Transmission Control Module (TCM)
Transmission Control Module (TCM) and Wiring
Transmission Control Relay Diagnostic Trouble Codes (DTC's) Present
Transmission Control Relay Output Circuit Open
Transmission Solenoid

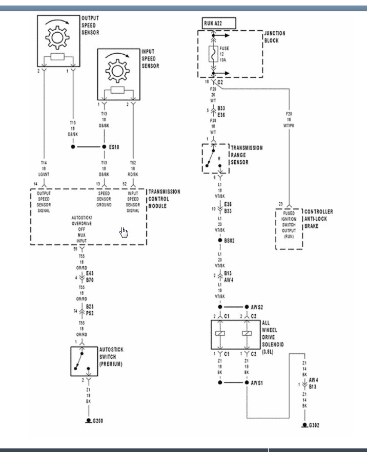
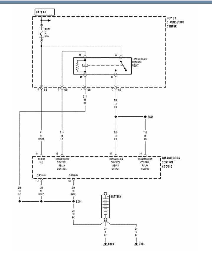
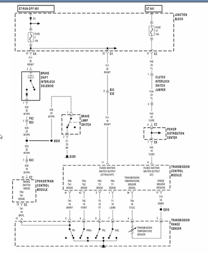
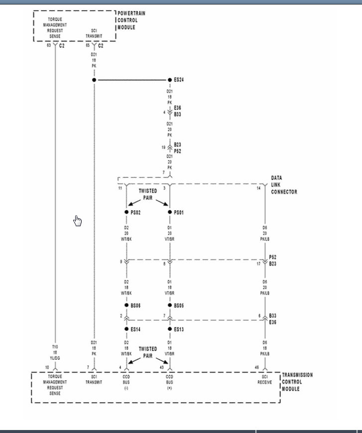
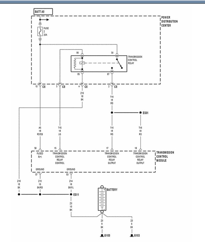
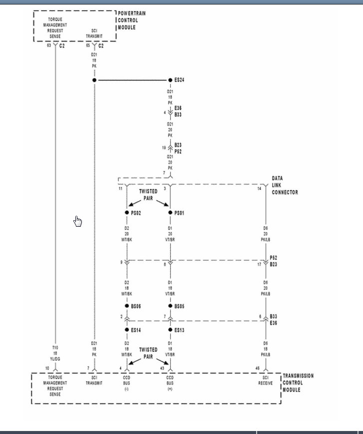
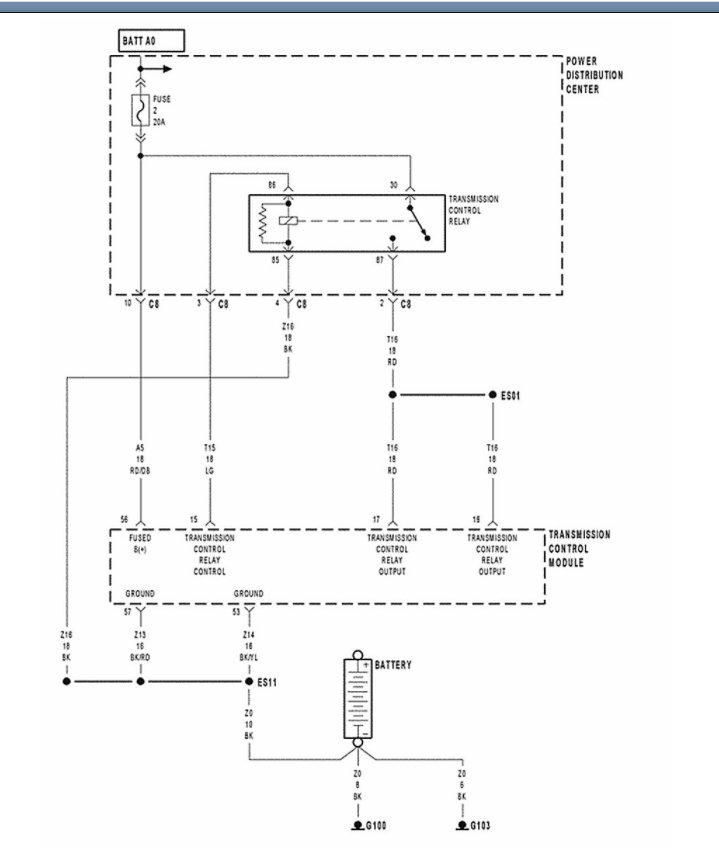
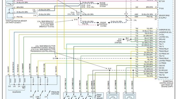
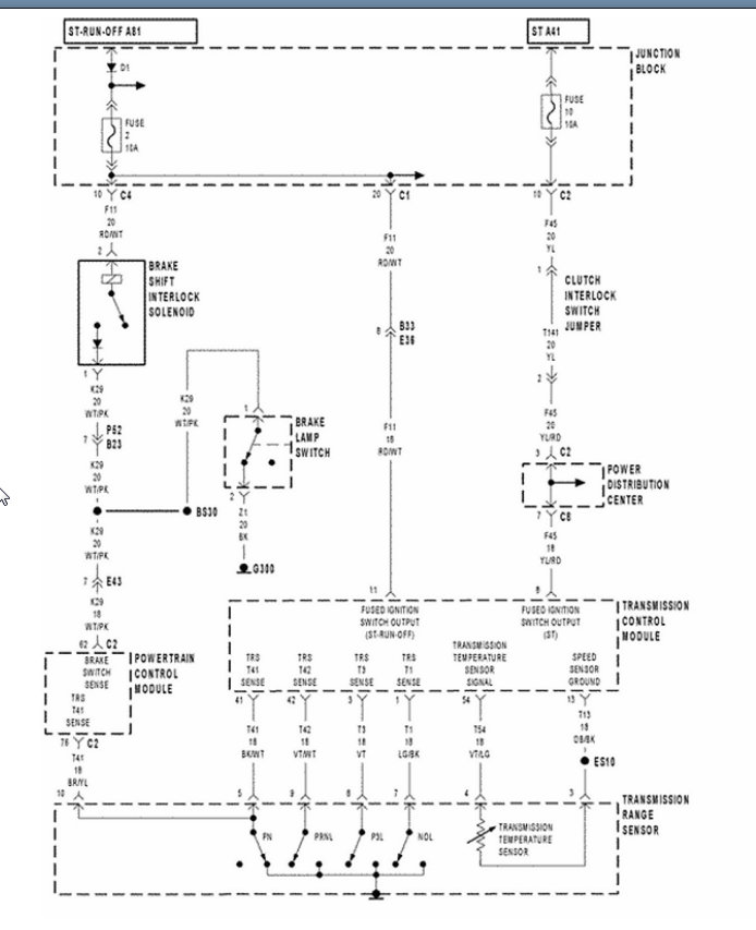
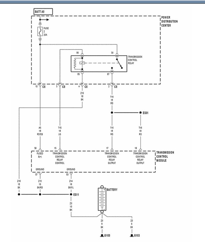
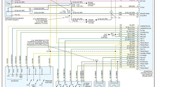
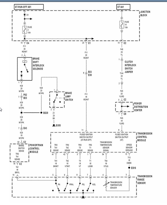
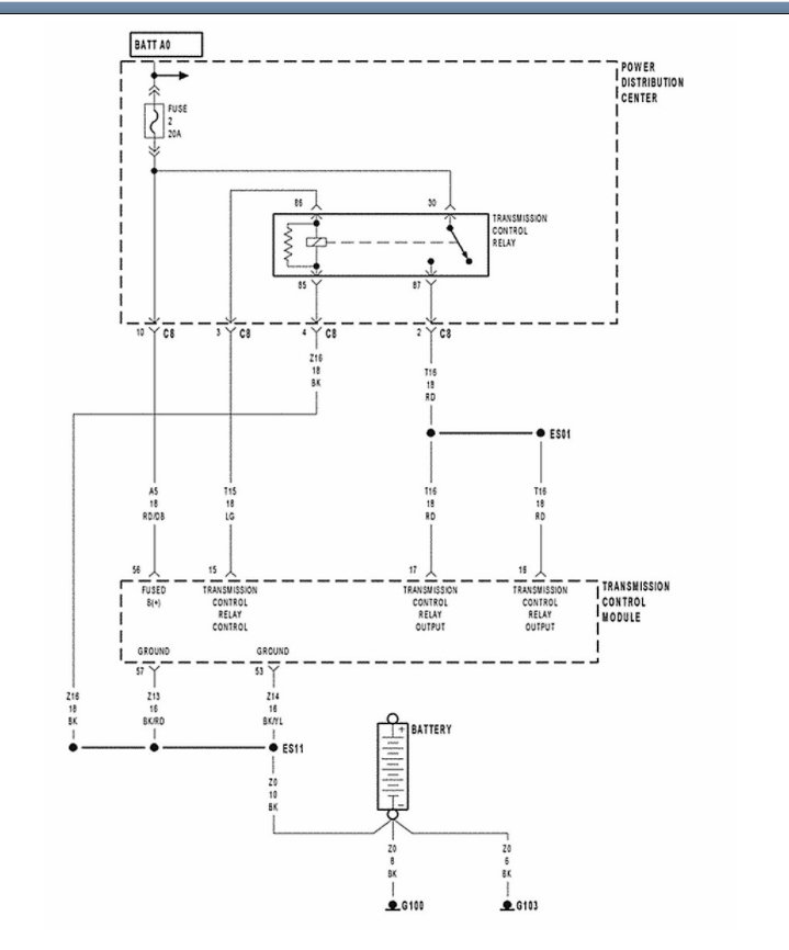
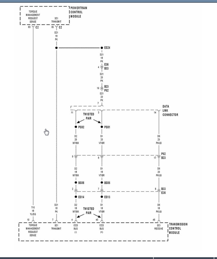
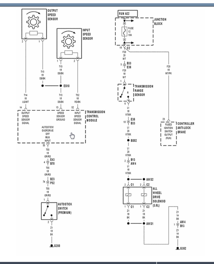
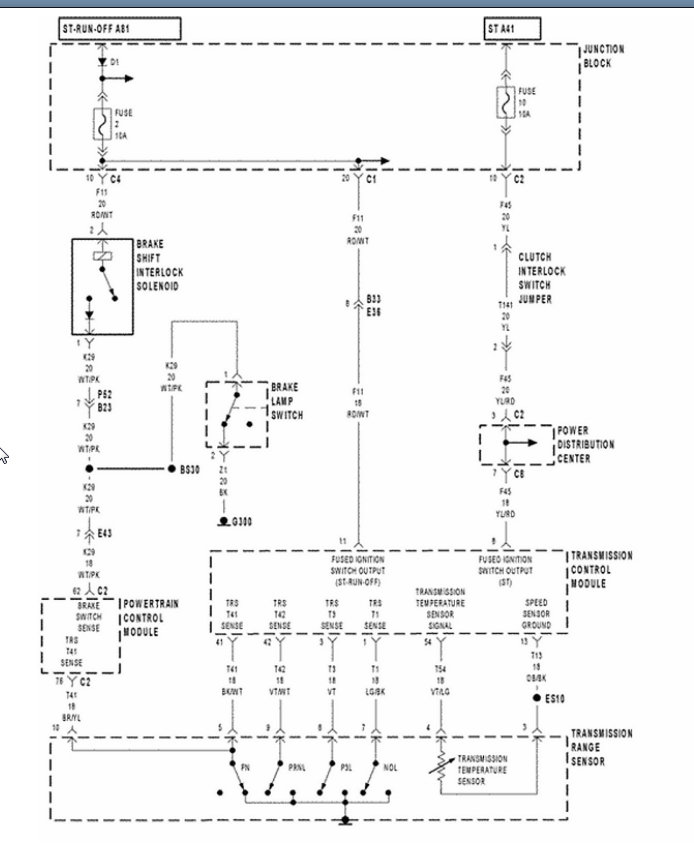
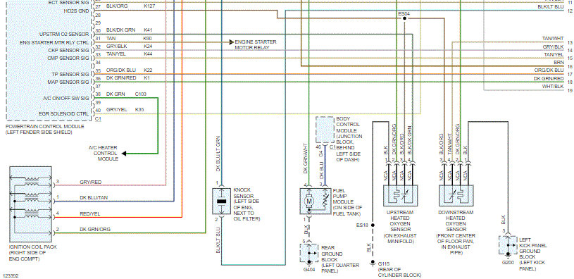
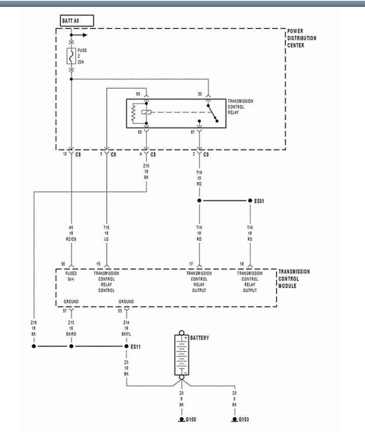
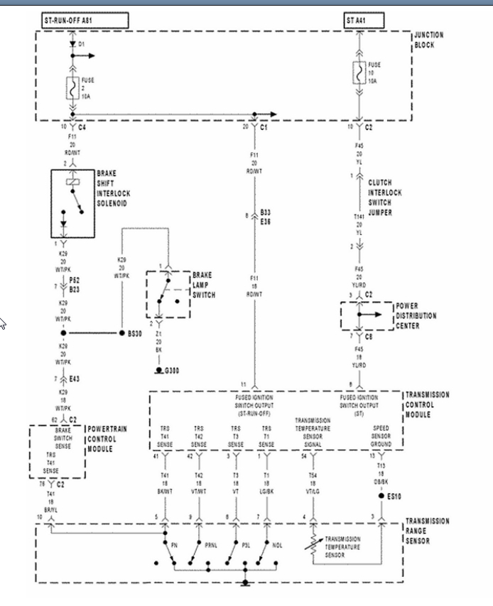
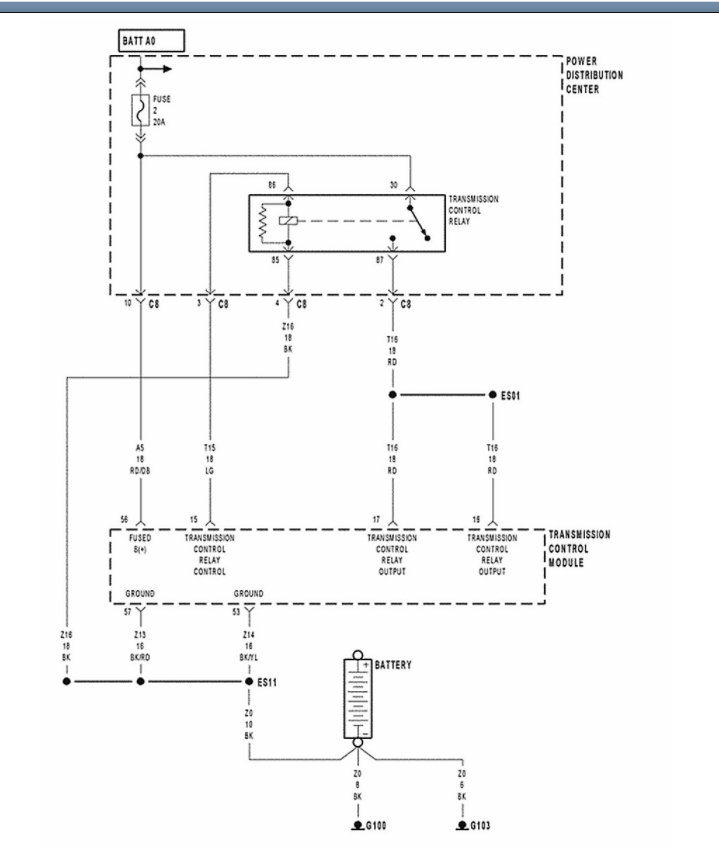
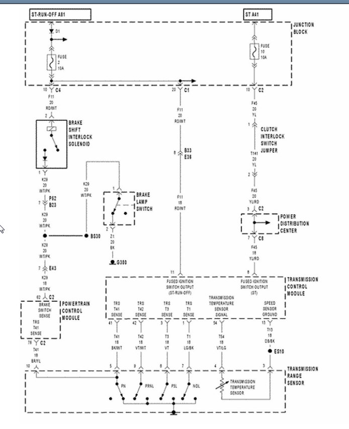
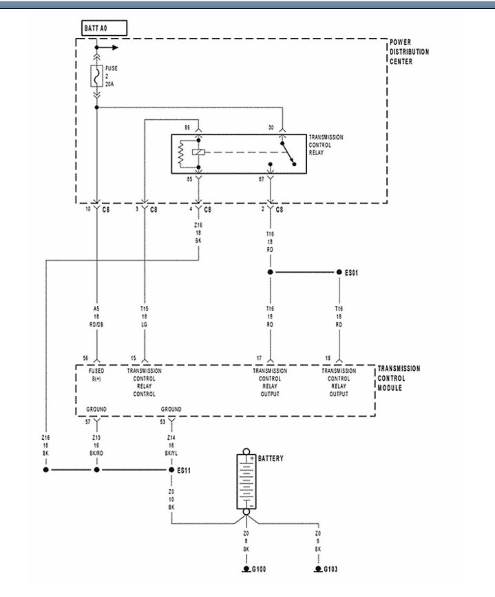
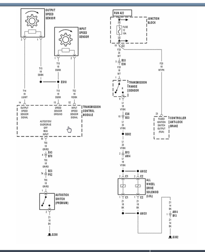
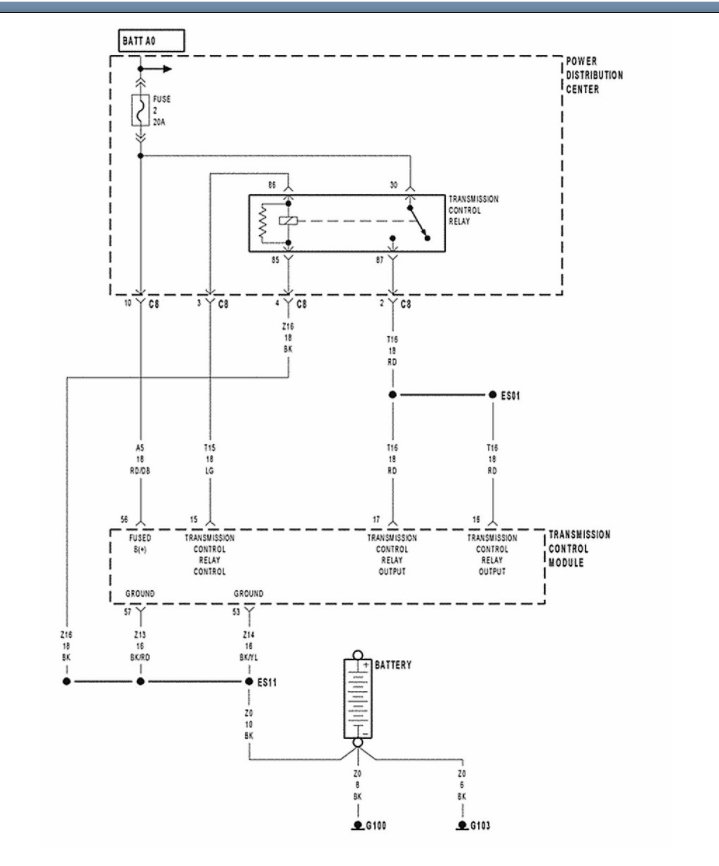
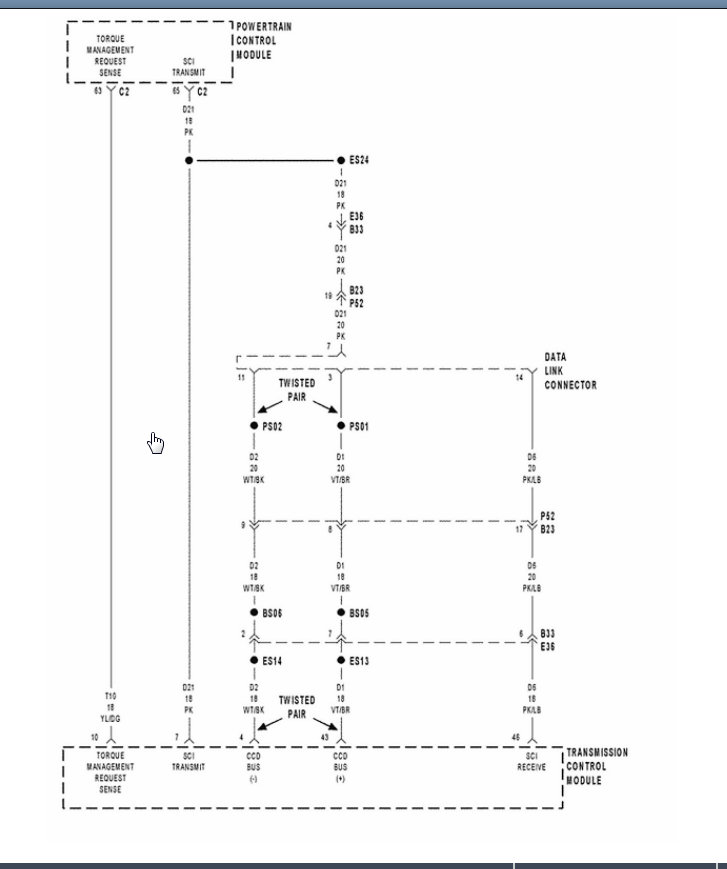
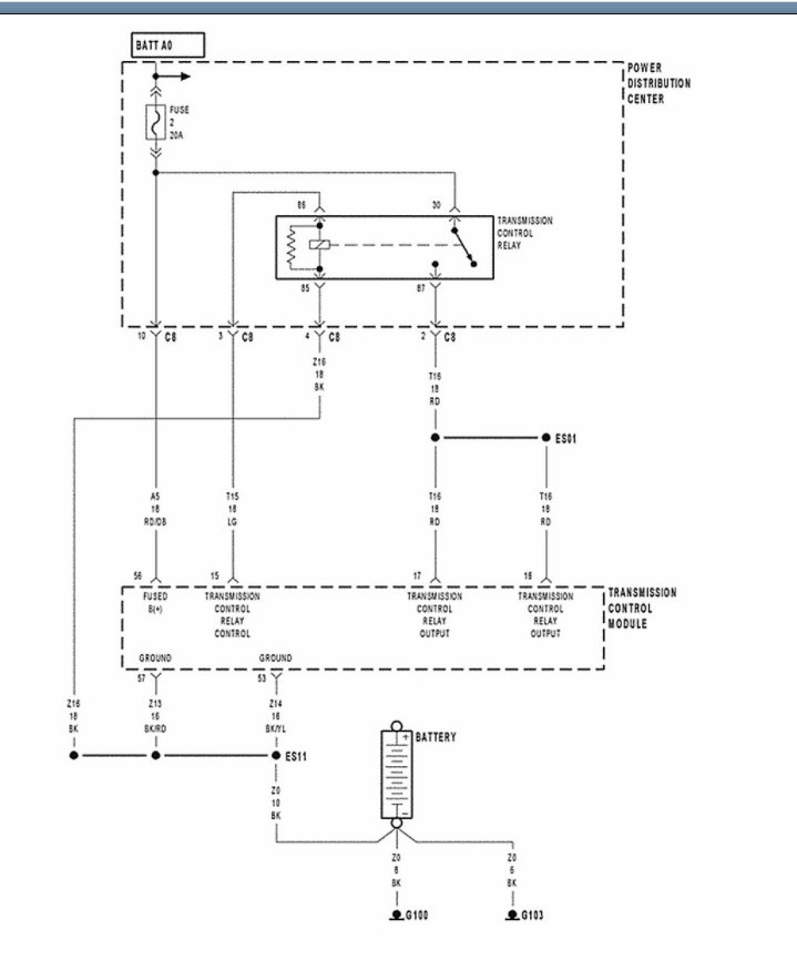
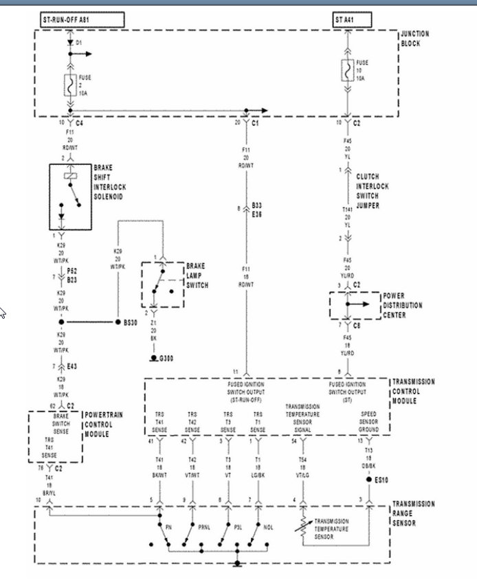
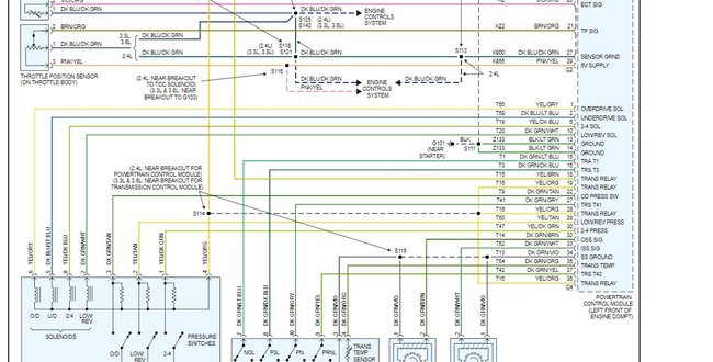
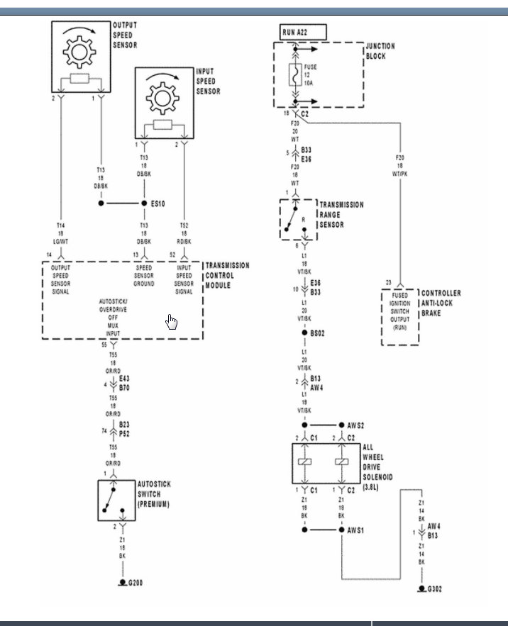
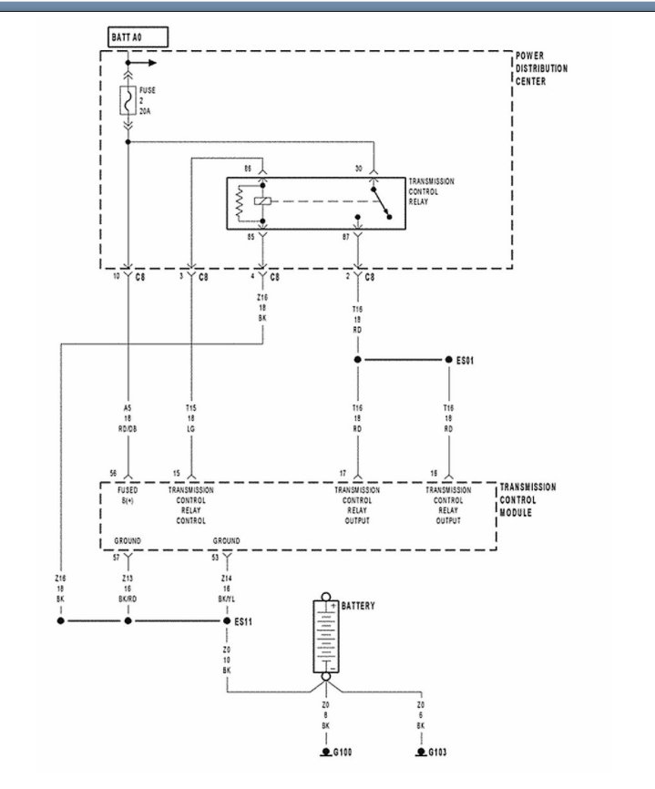
Check out the diagrams (Below). Please let us know if you need anything else to get the problem fixed.
Was this
answer
helpful?
Yes
No
+2
Thursday, January 17th, 2019 AT 4:24 AM
Tiny
ROBERTB1025
  • MEMBER
  • 2 POSTS
I did change the filter and fluid. I will check the wires.
Was this
answer
helpful?
Yes
No
-1
Thursday, January 17th, 2019 AT 5:50 AM
Tiny
ASEMASTER6371
  • MECHANIC
  • 52,796 POSTS
Sounds like a good plan.

https://www.2carpros.com/articles/how-to-check-wiring

Roy
Was this
answer
helpful?
Yes
No
+2
Thursday, January 17th, 2019 AT 5:59 AM
Tiny
ZIGGY HAQUE
  • MEMBER
  • 2 POSTS
  • 2002 DODGE CARAVAN
  • 3.3L
  • 6 CYL
  • 2WD
  • AUTOMATIC
  • 125,062 MILES
The transmission does not work when the engine temperature gets to normal working temperature. No problem as long as it is cold after starting. I have changed ATF 4 transmission fluid, both Speed Sensors, TCU and the Shift Solenoid but still does not work. What do you think is wrong with it?

Your advise will be greatly appreciated. I suspect the electrical problem (wiring issue) If I have the correct wiring diagram Between TCU and shift solenoid and the both speed sensors maybe I can trace an open circuit or short. Thanks.

Ziggy.
Was this
answer
helpful?
Yes
No
Friday, May 21st, 2021 AT 2:59 PM (Merged)
Tiny
ASEMASTER6371
  • MECHANIC
  • 52,796 POSTS
Good afternoon,

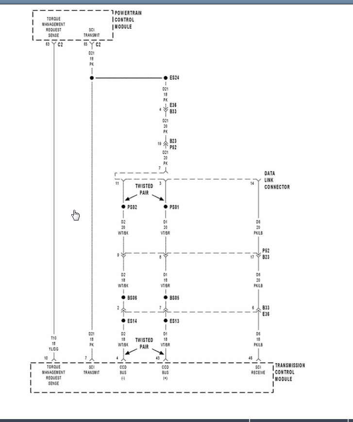
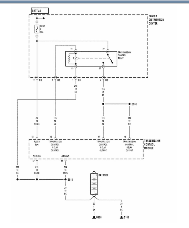
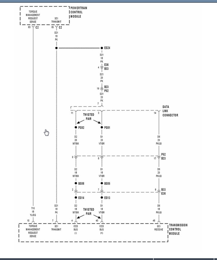
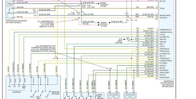
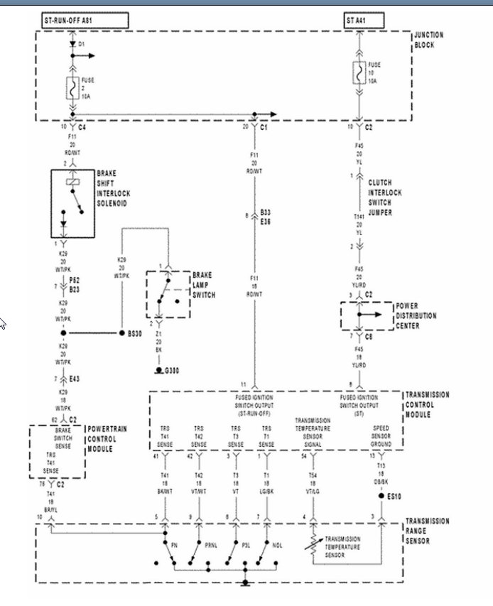
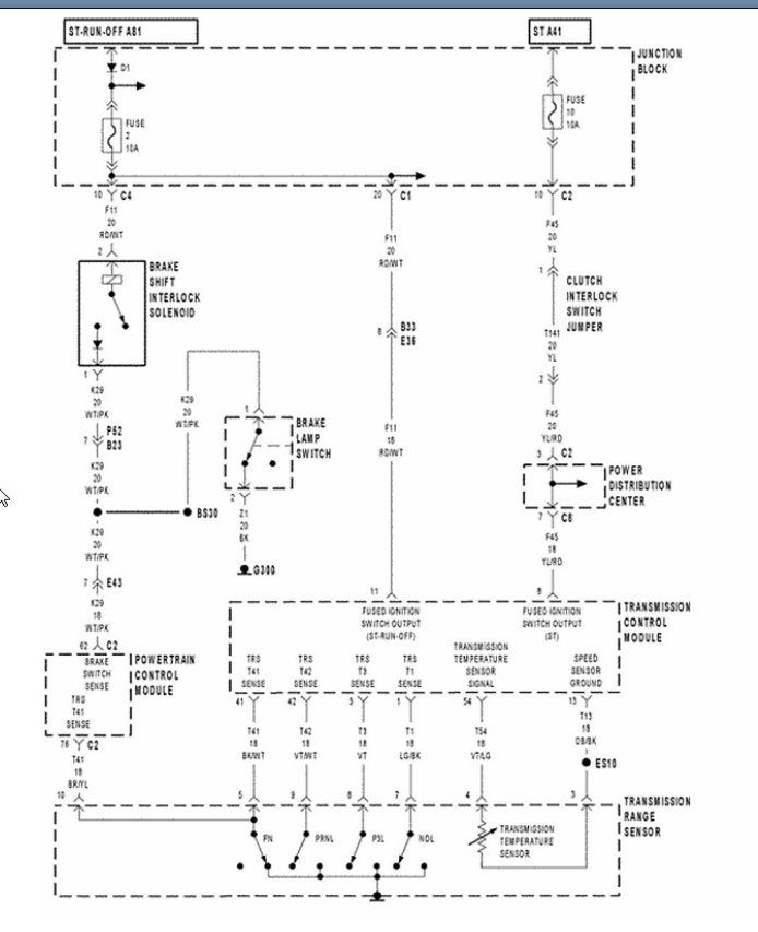
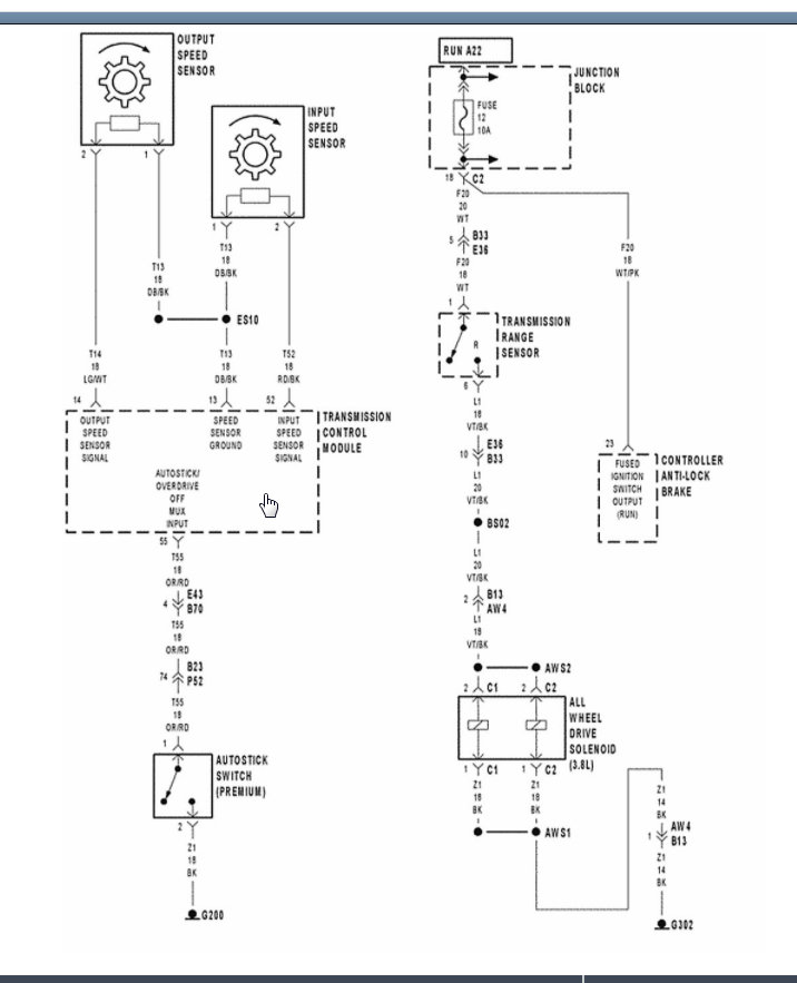
I attached the wire diagram for you to view with a guide so you can run some tests

https://www.2carpros.com/articles/how-to-check-wiring

Check out the diagrams (Below). Please let us know what you find.
Was this
answer
helpful?
Yes
No
+3
Friday, May 21st, 2021 AT 2:59 PM (Merged)
Tiny
ZIGGY HAQUE
  • MEMBER
  • 2 POSTS
Its not that I dont like the answer the wiring diagram are great! I got following Codes:
1- P0700
2- P0841
3- P0732
4- P0731
5- P0846
Was this
answer
helpful?
Yes
No
Friday, May 21st, 2021 AT 2:59 PM (Merged)
Tiny
ASEMASTER6371
  • MECHANIC
  • 52,796 POSTS
Got it.

I attached the possibilities below. The gear ratio codes indicate to me that the transmission itself is the issue.

Roy

841

P0841
Descriptor
Lr Pressure Switch Sense Circuit
Probable Causes
Intermittent Wiring and Connectors
Loss of Prime Diagnostic Trouble Code (DTC) P0944 Present
Low Reverse (L/R) Pressure Switch Sense Circuit Open
Low Reverse (L/R) Pressure Switch Sense Circuit Short to Ground
Low Reverse (L/R) Pressure Switch Sense Circuit Short to Voltage
Low Reverse Pressure Switch
Transmission Control Module (TCM)
Transmission Control Module (TCM) Low Reverse (L/R) Pressure Switch Circuit
Transmission Control Module (TCM) and Wiring Low Reverse (L/R) Pressure Switch
Transmission Control Relay Diagnostic Trouble Codes (DTC's) Present
Transmission Relay Output Circuit Open

732

P0732
Descriptor
Gear Ratio Error In 2Nd
Probable Causes
Intermittent Gear Ratio Errors
Internal Transmission
Pressure Switch
Related Diagnostic Trouble Codes (DTC's) Present
Related Pressure Switch Diagnostic Trouble Codes (DTC's) Present
Transmission Internal Damage

731

P0731
Descriptor
Gear Ratio Error In 1St
Probable Causes
Intermittent Gear Ratio Errors
Internal Transmission
Related Diagnostic Trouble Codes (DTC's) Present
Transmission Internal Damage

846

P0846
Descriptor
2/4 Pressure Switch Sense Circuit
Probable Causes
2-4 Pressure Switch
2/4 Pressure Switch
2/4 Pressure Switch Sense Circuit Open
2/4 Pressure Switch Sense Circuit Short to Ground
2/4 Pressure Switch Sense Circuit Short to Voltage
Intermittent Wiring and Connectors
Internal Transmission
Transmission Control Module (TCM)
Transmission Control Module (TCM) 2/4 Pressure Switch Circuit
Transmission Relay Diagnostic Trouble Codes (DTC's) Present
Transmission Relay Output Circuit Open
Was this
answer
helpful?
Yes
No
Friday, May 21st, 2021 AT 2:59 PM (Merged)
Tiny
MUFATO
  • MEMBER
  • 3 POSTS
  • 2000 DODGE CARAVAN
  • 3.8L
  • 6 CYL
  • 4WD
  • AUTOMATIC
  • 180,000 MILES
Car doesn't move on any gear. Fluid is sufficient, new solenoid pack and new input/output sensors. Would like to troubleshoot the harness from the IPM to the 80 pins PCM. What I need is the diagram for the wiring.
Was this
answer
helpful?
Yes
No
+1
Friday, May 21st, 2021 AT 2:59 PM (Merged)
Tiny
KASEKENNY
  • MECHANIC
  • 18,907 POSTS
This could be an electrical issue but we also need to check the pressure in the unit because if your pump is not working then you will not have movement in any gear like this.

Attached are the wiring diagrams you requested. Let us know if you need more information. Thanks
Was this
answer
helpful?
Yes
No
+1
Friday, May 21st, 2021 AT 2:59 PM (Merged)
Tiny
MUFATO
  • MEMBER
  • 3 POSTS
  • 2000 DODGE CARAVAN
  • 3.8L
  • V6
  • 4WD
  • AUTOMATIC
  • 180,000 MILES
Turn the key, engine runs okay, shift to drive or reverse and no movement at all. I assume can be mechanical or electrical failure somewhere. I request some help about getting the full engine performance wiring diagram for the van listed above. I'll plan to troubleshoot the integrity of the wiring, relays and 80 Pin computer.
Was this
answer
helpful?
Yes
No
+2
Friday, May 21st, 2021 AT 3:00 PM (Merged)
Tiny
JACOBANDNICKOLAS
  • MECHANIC
  • 110,192 POSTS
Hi,

I have a question. When you place it in drive, is there any noise or does the speedometer indicate a speed? Have you checked the fluid level and condition?

_____________________

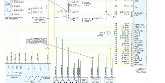
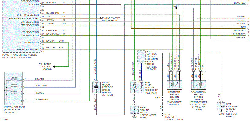
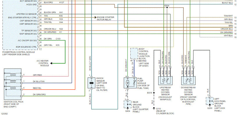
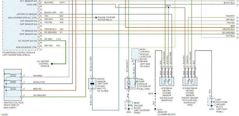
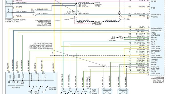
As far as the powertrain management schematics, I attached them below. I had to cut them in half to make them readable for you. I did overlap them to help you follow them.

____________________

Let me know if this helps.

Take care,
Joe
Was this
answer
helpful?
Yes
No
Friday, May 21st, 2021 AT 3:00 PM (Merged)
Tiny
MUFATO
  • MEMBER
  • 3 POSTS
Thank you for the fast reply Joe. The fluid has 10,000 miles since last change. What would be the case if the speedometer doesn't move if in drive position? The solenoid pack wouldn't make any noise in this case, I assume no power to it. I have to keep open mind about the various similar symptoms to the same result. The focus right now is to assure reliable wiring, second are the power and ground points and third the PDC and PCM. The transmission itself only would be the culprit if the pump is bad (my last hope). Again, your help is much appreciated.
Was this
answer
helpful?
Yes
No
Friday, May 21st, 2021 AT 3:00 PM (Merged)
Tiny
JACOBANDNICKOLAS
  • MECHANIC
  • 110,192 POSTS
Hi,

I asked about the speedometer simply because I have had experience where the differential has come apart and the vehicle wouldn't move. However, the speedometer would still indicate a speed simply because the transmission was still working but no longer attached to the wheels via the differential.

I hope that makes sense. LOL

Before you dig into this, have you confirmed there are no transmission related trouble codes?

Let me know if I can help or if you have other questions.

Joe
Was this
answer
helpful?
Yes
No
Friday, May 21st, 2021 AT 3:00 PM (Merged)
Tiny
PATRICIAFIREWALL
  • MEMBER
  • 1 POST
  • 1997 DODGE CARAVAN
  • 3.3L
  • 6 CYL
  • 2WD
  • AUTOMATIC
  • 147,000 MILES
I did a transmission swap in my 2002 Chrysler Town and Country 3.3 engine. The replacement transmission came from a 1997 Dodge Grand Caravan 3.3 engine. I need to know the pinout diagram and color code for each wire on the transmission range sensor plug, on the Dodge. An also the pinout diagram and color code for wires on the Chrysler Town and Country plug that it connects to on the chassis.
Was this
answer
helpful?
Yes
No
Friday, May 21st, 2021 AT 3:00 PM (Merged)
Tiny
ASEMASTER6371
  • MECHANIC
  • 52,796 POSTS
Good afternoon,

I attached the pin out for the body harness for the 2002 and the park/neutral switch for the 1997.

Let me know if you have any other questions.

Roy
Was this
answer
helpful?
Yes
No
Friday, May 21st, 2021 AT 3:00 PM (Merged)

Please login or register to post a reply.