Monday, September 30th, 2024 AT 4:02 PM
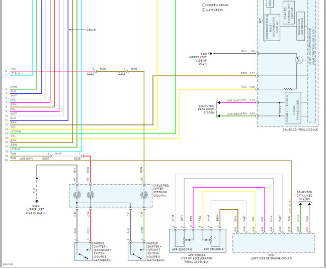
Neutral light was blinking on dashboard cluster panel, scan an p2721 code came up which is solenoid D issue on the transmission. Replaced completely new original Honda valve body, Neutral switch, valve body wire harness, filters and oil. After such Neutral light still blinking and code not clearing and also TCM not resetting. To note car running great all gear engaging properly no issues. Any help will be appreciated.




















