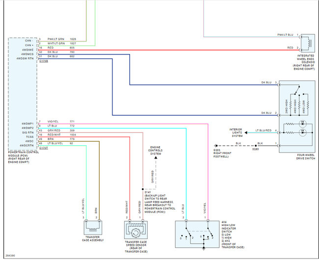
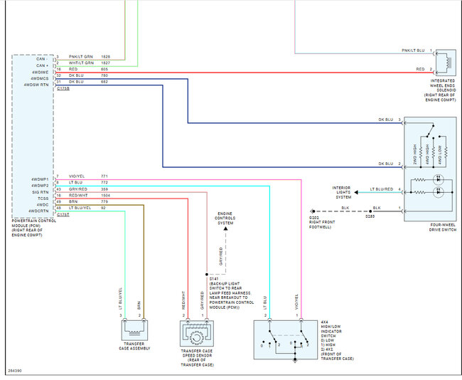
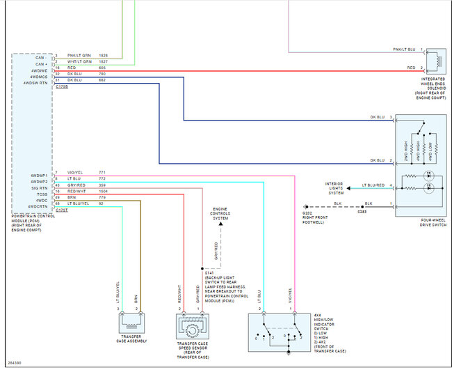
Sunday, December 2nd, 2018 AT 1:46 PM
Replaced the transfer case motor and noticed the black wire from the connector that I had to swap into the new connector had broken off from somewhere on top of transmission. I need to know where it goes and what it does?



