My selector switch blinks on 4 when I try to go to 2 it flashes

Tiny
MICHAEL SMITH6
  • MEMBER
  • 2001 CHEVROLET BLAZER
  • 195,000 MILES
My selector switch blinks on 4 hi when I try to go to 2 hi it flashes and you here the module clicking under the dash then it goes back to 4 hi. I have replaced the module and tried to replace the encoder motor but new motor kept blowing atc fuse. Should I try a new motor or look somewhere else for problem?
Tuesday, September 3rd, 2019 AT 3:22 AM

16 Replies

Tiny
JACOBANDNICKOLAS
  • MECHANIC
  • 110,194 POSTS
Welcome to 2CarPros.

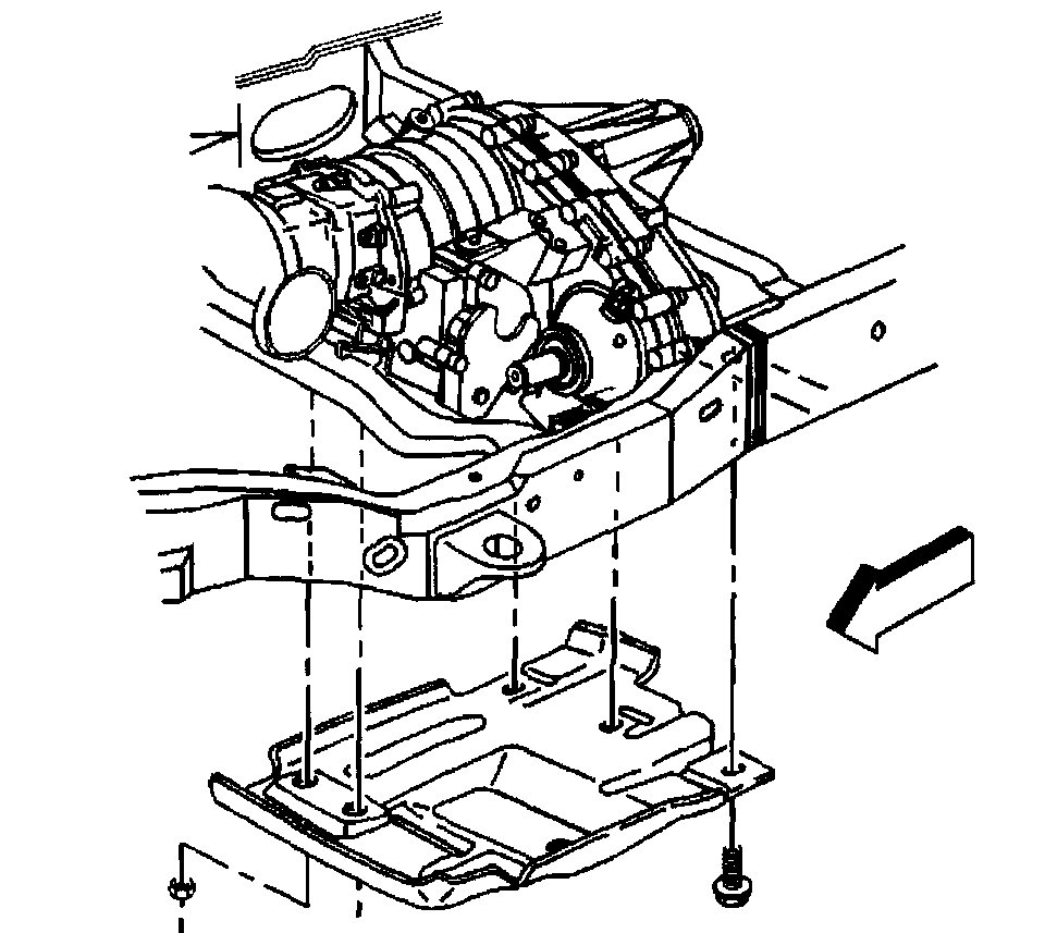
If the new motor keeps blowing a fuse, either you have a bad motor or you pinched a wire and caused a short. First, make sure nothing is pinched or damaged. Make sure the plug that connects to the motor doesn't have pins that are bent or damaged causing a short. Check out the diagrams (Below).

Here are the directions specific to your vehicle for replacing the encoder motor. I'm attaching them so you can confirm everything was done correctly. The attached pictures correlate with the directions.

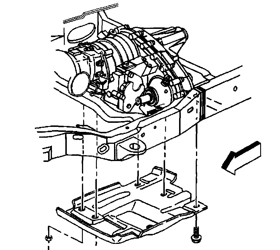
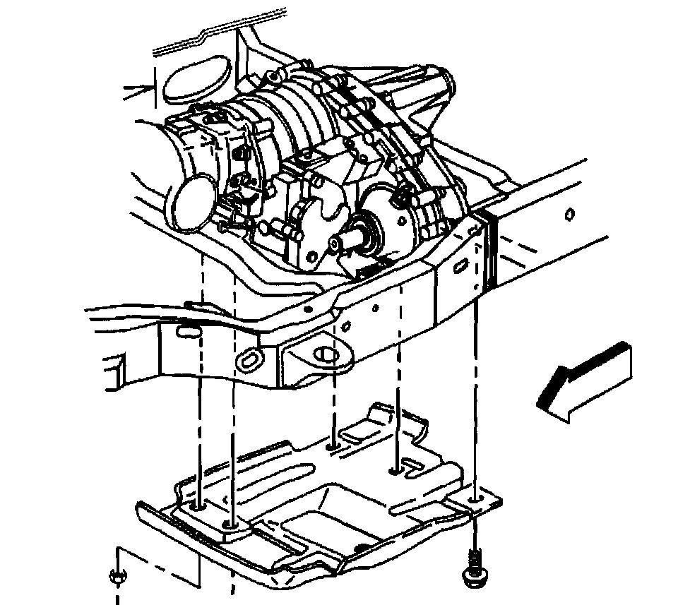
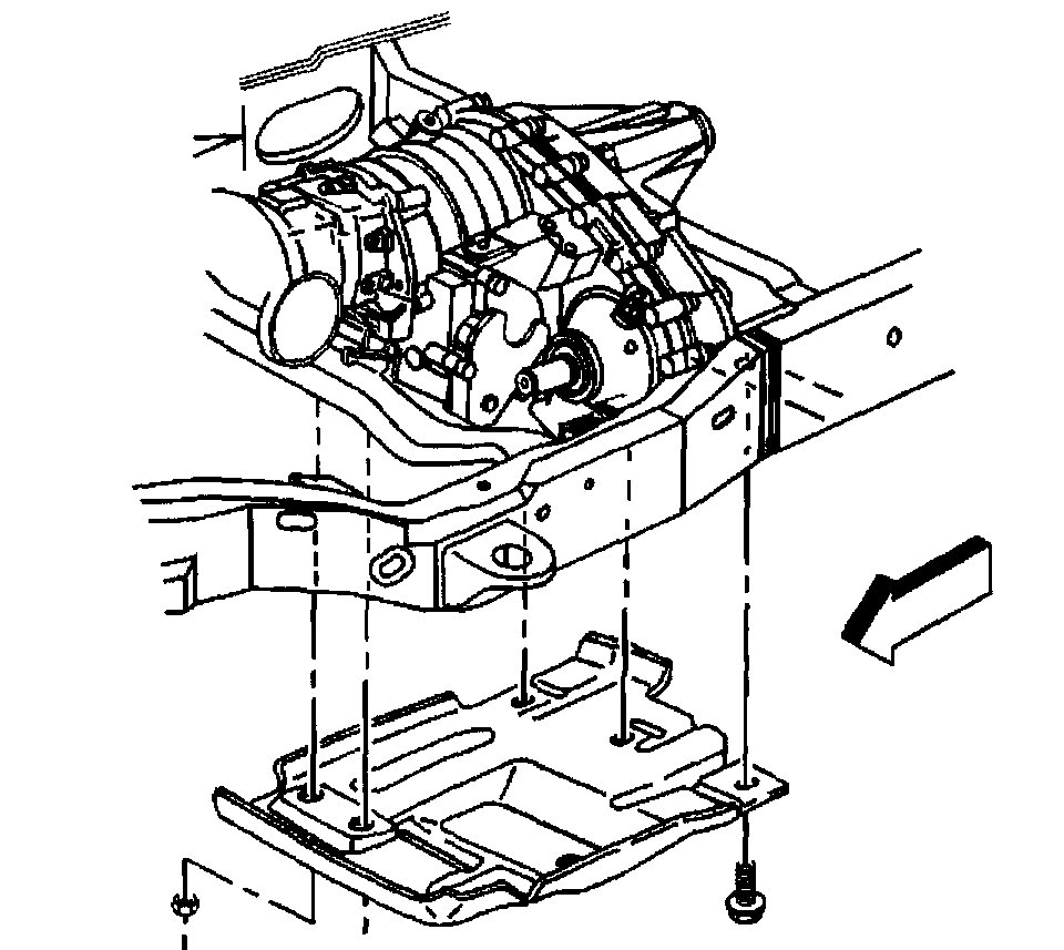
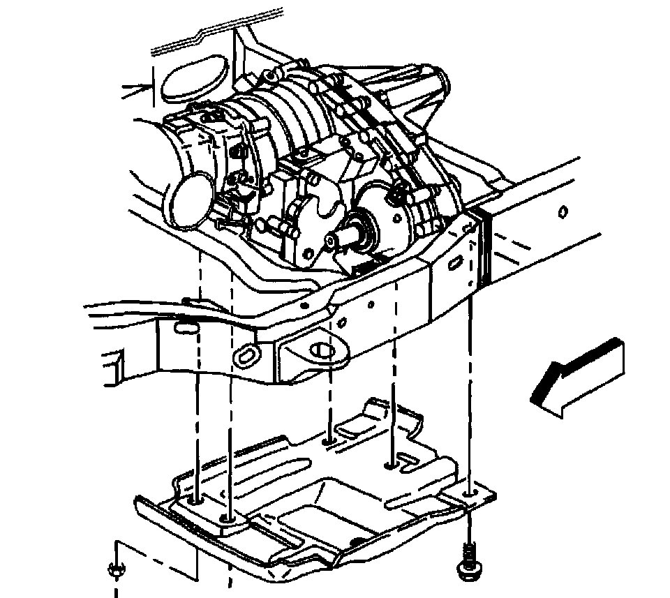
TRANSFER CASE MOTOR/ENCODER REPLACEMENT
Transfer Case Motor/Encoder Replacement

Removal Procedure
1. Raise the vehicle. Refer to Vehicle Lifting.
2. Remove the transfer case shield from the vehicle.
3. Remove the motor/encoder electrical connector.
4. Remove the motor/encoder mounting bolts.
5. Remove the motor/encoder assembly.
6. Remove the motor/encoder gasket.

Installation Procedure

Important: When performing this service procedure make sure that the motor/encoder unit is flat against the transfer case for proper installation.
1. Install the motor/encoder to the transfer case.
2. Install the motor/encoder gasket to the transfer case.

Notice: Refer to Fastener Notice in Service Precautions.

3. Install motor/encoder mounting bolts to the transfer case.
Tighten the motor/encoder mounting bolts to 20 Nm (15 ft. Lbs.).

4. Install the motor/encoder electrical connector.
5. Install the transfer case shield.
6. Lower the vehicle. Refer to Vehicle Lifting.

Check out the diagrams (Below). Please let us know if you need anything else to get the problem fixed.
Was this
answer
helpful?
Yes
No
Tuesday, September 3rd, 2019 AT 8:38 PM
Tiny
MICHAEL SMITH6
  • MEMBER
  • 10 POSTS
Okay, I'm pretty sure the new motor is bad.I plugged the old motor back in and I hear the old motor come on and it doesn't blow the fuse. My problem is I'm not sure it's the motor at all. The vacuum solenoid on the firewall hose can I check that. I also cannot get my old motor to line back up on the transfer case.I can only turn the transfer case like 3 notches and it is not enough to linger up with the motor.
Was this
answer
helpful?
Yes
No
Wednesday, September 4th, 2019 AT 2:40 AM
Tiny
JACOBANDNICKOLAS
  • MECHANIC
  • 110,194 POSTS
Welcome back:

It sounds like the new part is bad. Does the vehicle shift into 4wd? Or is it stuck in 4wd? Or does 4wd not engage? I ask because there are other things that can cause it not to engage or disengage.

The front axle control circuit consists of a Front Drive Axle Clutch Solenoid, which is electronically controlled by the transfer case shift control module. This solenoid opens and closes a vacuum control valve allowing vacuum to apply and release a clutch pack inside the front axle housing. The transfer case shift control module determines whether or not the clutch pack has been applied or released based on a signal from the front axle switch mounted on the front axle housing assembly. The front axle is normally locked or engaged during AUTO 4WD, 4WD Al, and 4WD LO modes. The front axle is unlocked or disengaged only during 2 Hi or neutral modes. So it could be the switch on the axle, a vacuum leak, or a broken/disconnected wire.

Let me know.

Joe
Was this
answer
helpful?
Yes
No
Wednesday, September 4th, 2019 AT 6:17 PM
Tiny
MICHAEL SMITH6
  • MEMBER
  • 10 POSTS
Okay, thanks. I will check that. Right now I'm having a problem getting my old motor back on the transfer case. It's not lining up. Not sure about how to go about lining it up. Tried moving the shaft on transfer case but can't get enough movement out of it. Shaft only has a couple of positions to move it in.
Was this
answer
helpful?
Yes
No
Wednesday, September 4th, 2019 AT 6:50 PM
Tiny
JACOBANDNICKOLAS
  • MECHANIC
  • 110,194 POSTS
Welcome back:

What was the last position the transfer case was in? If it was 4hi, connect the motor and shift it to the 4hi position. That way you know it is where it should be. Wish I was there to help.

Let me know if you get it.

Joe
Was this
answer
helpful?
Yes
No
Wednesday, September 4th, 2019 AT 7:10 PM
Tiny
MICHAEL SMITH6
  • MEMBER
  • 10 POSTS
Okay, so I noticed that I have vacuum coming out of the line at the actuator under the battery tray and is sucking the actuator in. When I unplug the line the actuator comes out. So why is there constant vacuum.
Was this
answer
helpful?
Yes
No
Tuesday, September 17th, 2019 AT 12:22 PM
Tiny
JACOBANDNICKOLAS
  • MECHANIC
  • 110,194 POSTS
Welcome back:

Since you are getting constant vacuum regardless of selection, the first suspect is the transfer case vacuum switch. Based on the gear selected in the transfer case, vacuum is applied or removed. It sounds like the switch is stuck and not moving to stop the vacuum supply.

I attached a pic of the switch I'm referring to.

Let me know if this helps.

Joe
Was this
answer
helpful?
Yes
No
Tuesday, September 17th, 2019 AT 7:37 PM
Tiny
MICHAEL SMITH6
  • MEMBER
  • 10 POSTS
Okay. Me being a mechanic I'm looking for the vacuum switch on the transfer case and I don't see it nowhere. I don't believe there's one on there. I'm looking right where YouTube videos are showing me and no luck. If you know something different please enlighten me. What does the vacuum switch on the firewall do?
Was this
answer
helpful?
Yes
No
Thursday, September 19th, 2019 AT 2:32 PM
Tiny
MICHAEL SMITH6
  • MEMBER
  • 10 POSTS
Hey also wanted to throw in I do have a 4 auto button on my dash switch so it is a 4 button switch.
Was this
answer
helpful?
Yes
No
Thursday, September 19th, 2019 AT 2:58 PM
Tiny
JACOBANDNICKOLAS
  • MECHANIC
  • 110,194 POSTS
Welcome back:

Mike, I have the diagnostics but they are indicating the need for a scan tool. By any chance do you have one for the OBD2 system that can read such codes?

Take a look at the starting point. See pic 1. As I'm sure you are aware, this leads to multiple other flow charts. However, if it would help, I'd be happy to get them for you. Since the light is flashing, it could be related to the shift control module itself and will require more diagnostics.

Let me know if you have the tooling.

Joe
Was this
answer
helpful?
Yes
No
Thursday, September 19th, 2019 AT 6:56 PM
Tiny
MICHAEL SMITH6
  • MEMBER
  • 10 POSTS
Okay, so I scanned it and it's saying transfer case lock circuit is low.
Was this
answer
helpful?
Yes
No
Friday, September 20th, 2019 AT 5:11 PM
Tiny
MICHAEL SMITH6
  • MEMBER
  • 10 POSTS
Code co323.
Was this
answer
helpful?
Yes
No
Friday, September 20th, 2019 AT 5:12 PM
Tiny
MICHAEL SMITH6
  • MEMBER
  • 10 POSTS
So what should I check for that code?
Was this
answer
helpful?
Yes
No
Friday, September 20th, 2019 AT 5:18 PM
Tiny
JACOBANDNICKOLAS
  • MECHANIC
  • 110,194 POSTS
Welcome back:

I attached a flow chart below in the pics. I enlarged it so it is readable for you which required me to put it into 3 different pics. Follow the chart to identify the cause.

Let me know if it helps.

Joe
Was this
answer
helpful?
Yes
No
Friday, September 20th, 2019 AT 9:21 PM
Tiny
MICHAEL SMITH6
  • MEMBER
  • 10 POSTS
Okay, so I put another encoder motor in and when I turn the truck on the switch says neutral and when I try to switch to 2 wheel it just blinks until the atc fuse blows. The whole truck won't move at all. In drive, reverse don't matter I hear the new motor like grinding when I try to put it back in park. So I'm stuck and aggravated. Don't know what's making this light keep blinking and not shifting.
Was this
answer
helpful?
Yes
No
Saturday, September 28th, 2019 AT 12:05 PM
Tiny
JACOBANDNICKOLAS
  • MECHANIC
  • 110,194 POSTS
Welcome back:

Sorry for the delay. I had to drive to Philly this weekend unexpected.

Did you follow the flow chart I provided?
Was this
answer
helpful?
Yes
No
Sunday, September 29th, 2019 AT 4:58 PM

Please login or register to post a reply.