Transmission wiring diagrams please?

Tiny
CTANLEY_WITA_C
  • MEMBER
  • 2000 PLYMOUTH VOYAGER
  • 3.0L
  • V6
  • 2WD
  • AUTOMATIC
  • 76,000 MILES
I am looking for the transmission harness diagram for the car listed above base model.
Friday, September 27th, 2019 AT 5:31 PM

1 Reply

Tiny
STEVE W.
  • MECHANIC
  • 15,698 POSTS
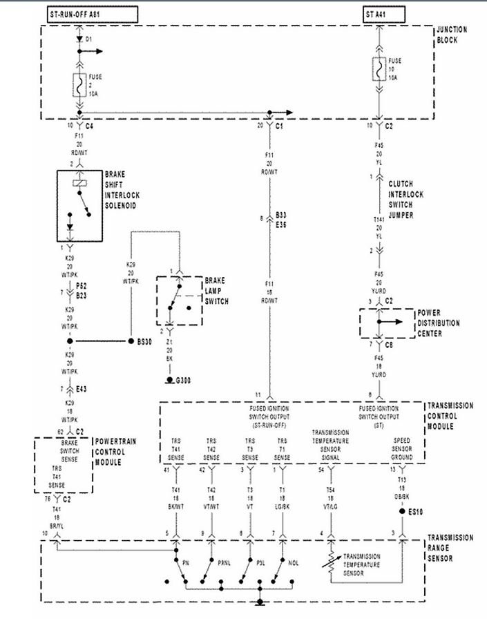
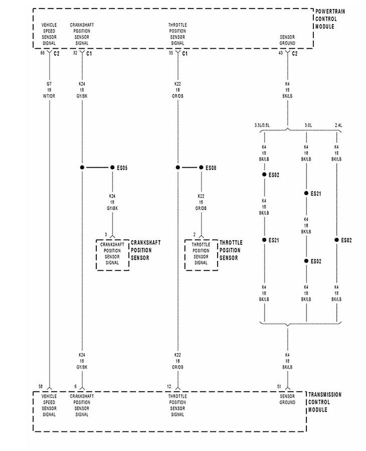
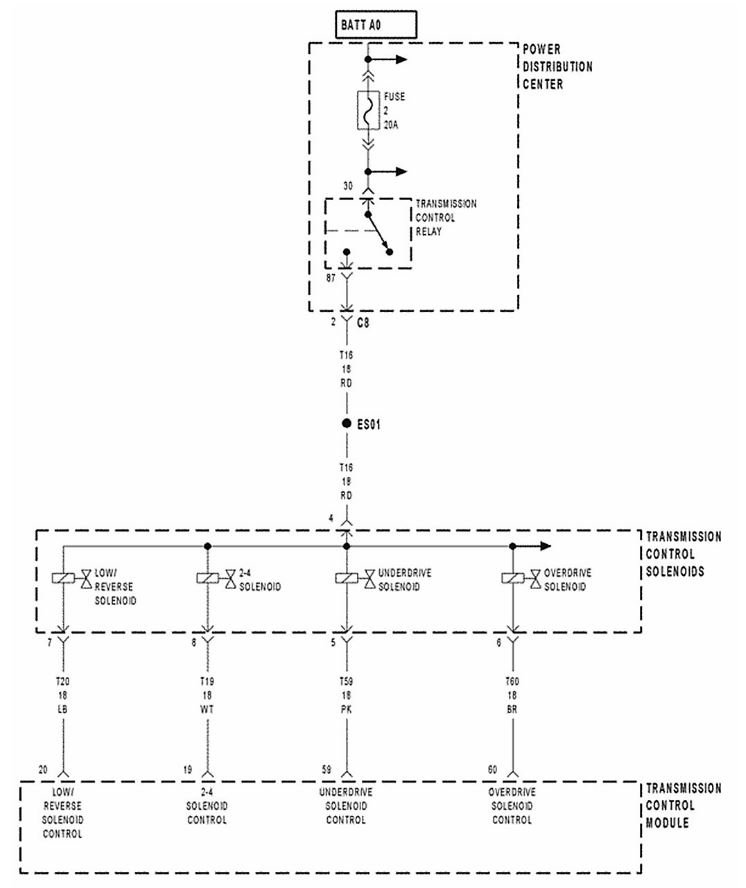
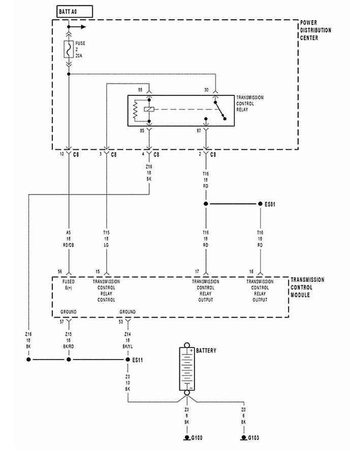
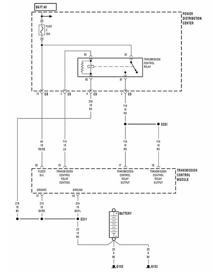
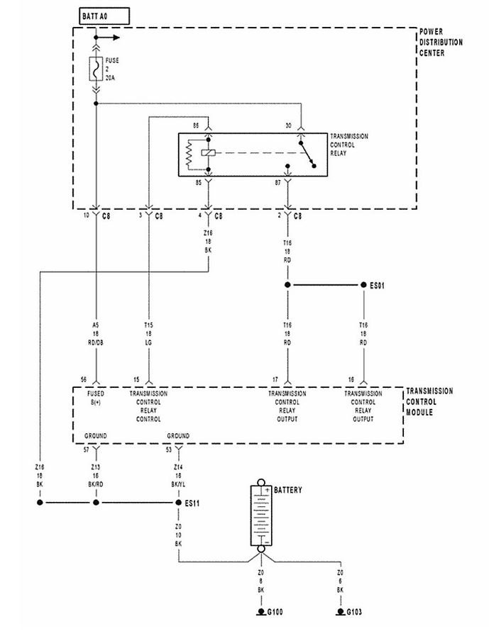
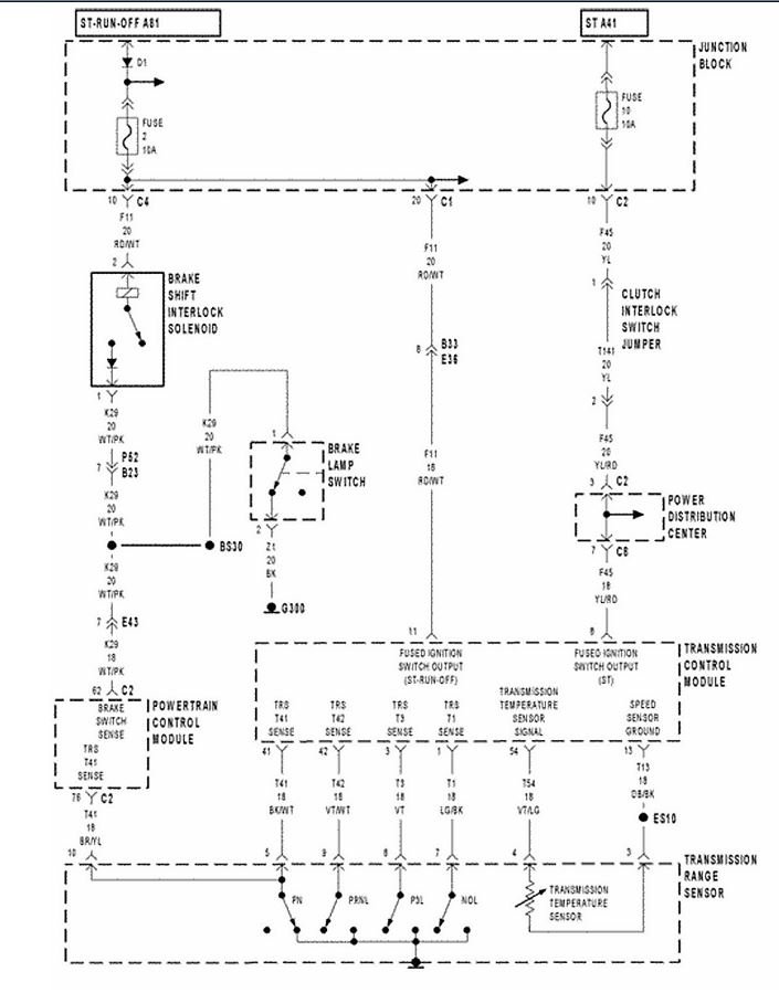
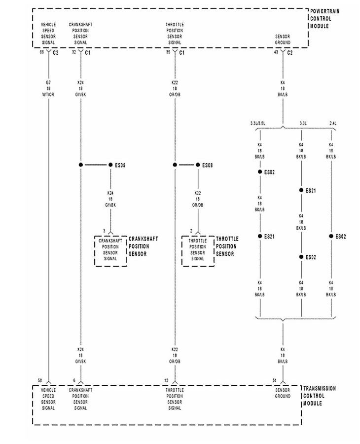
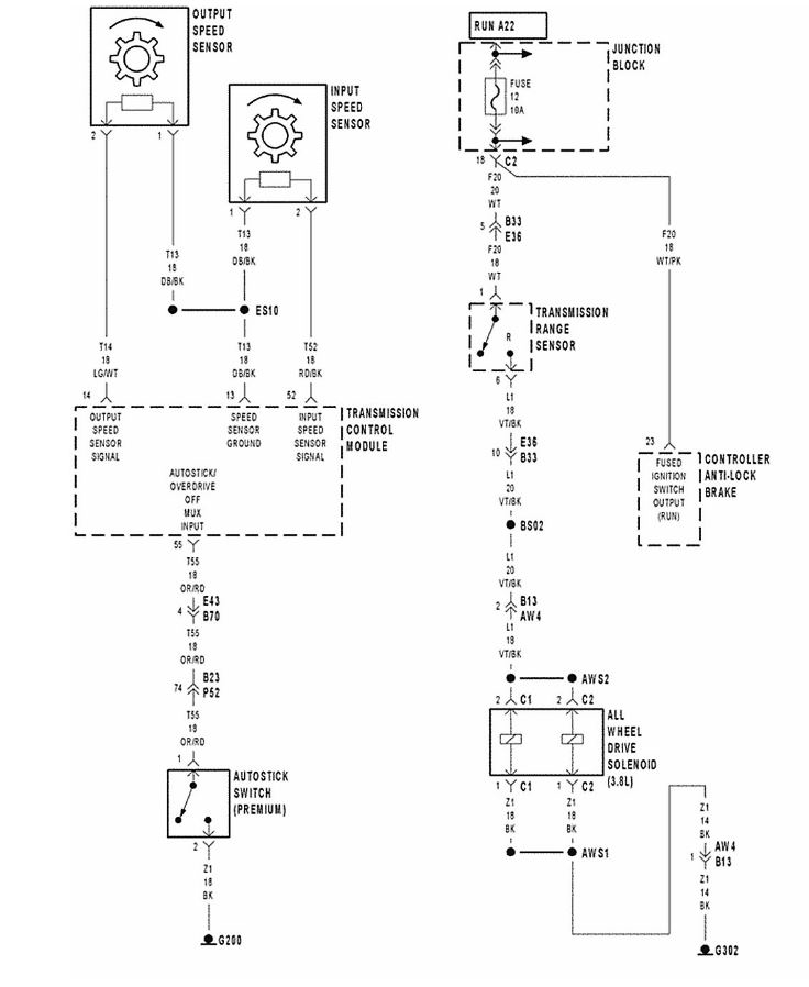
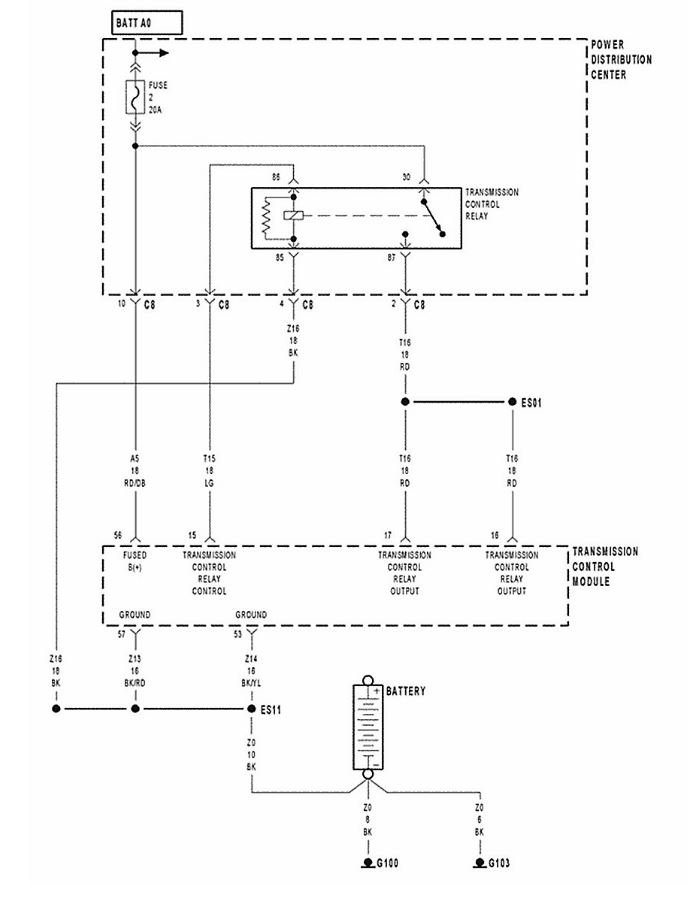
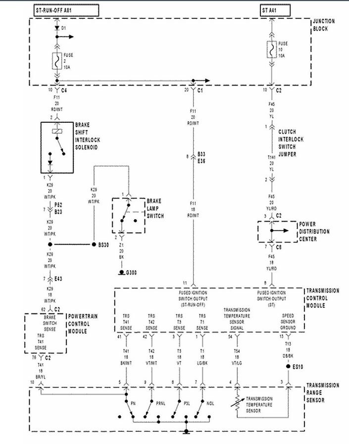
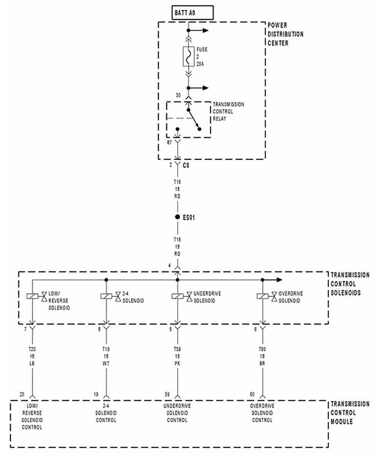
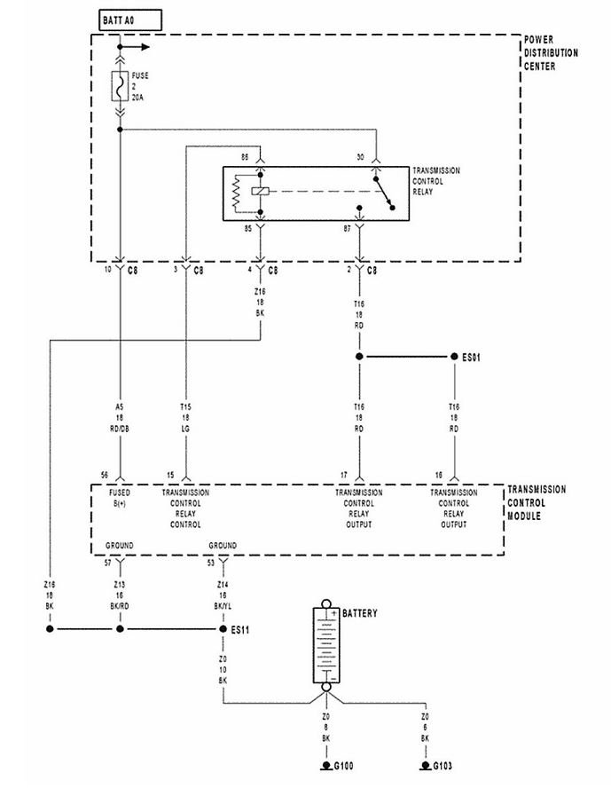
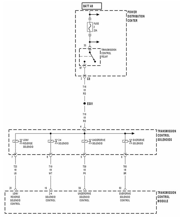
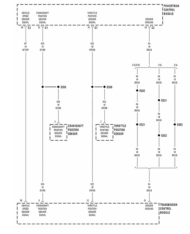
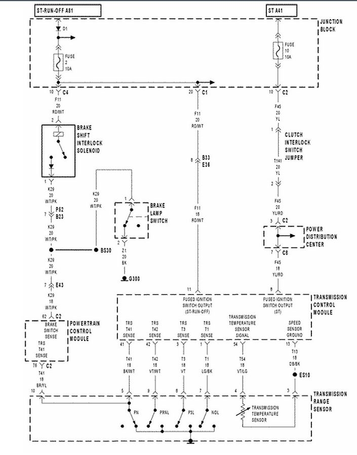
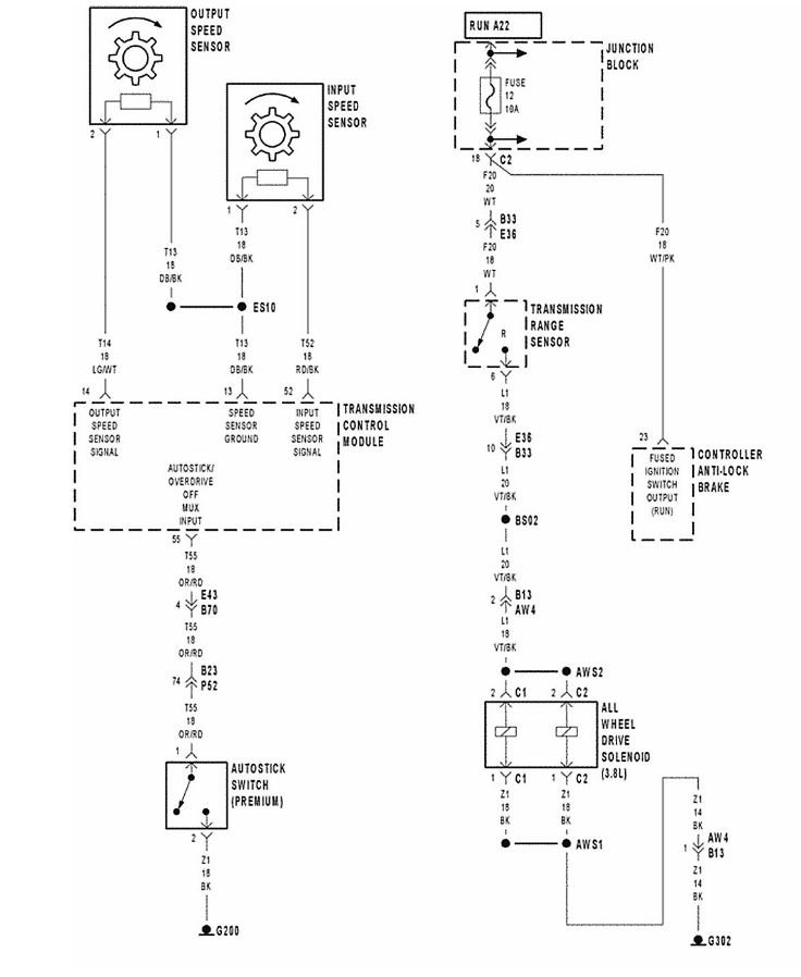
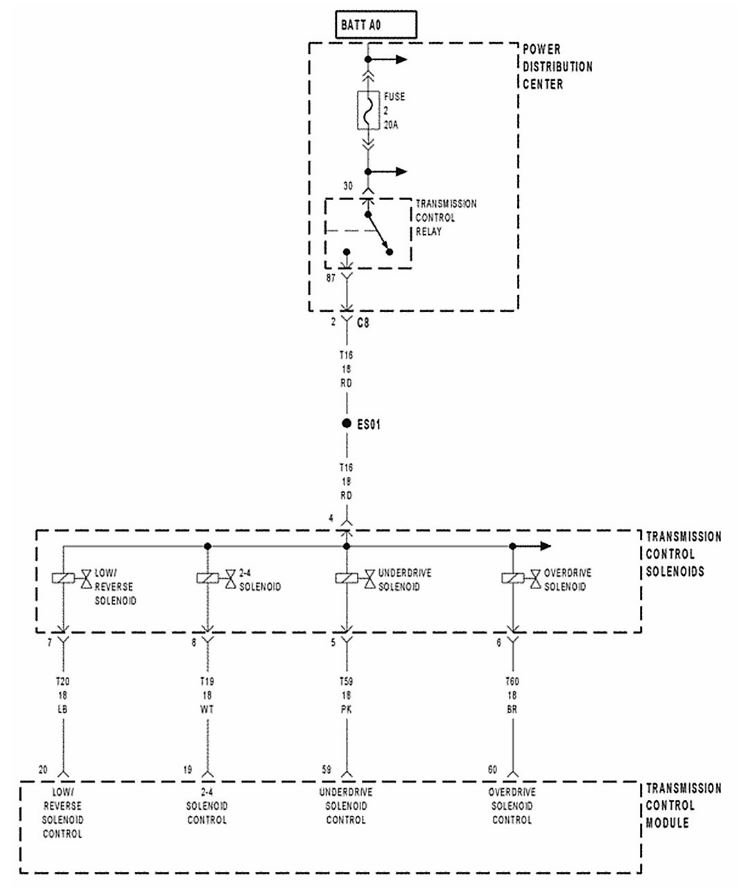
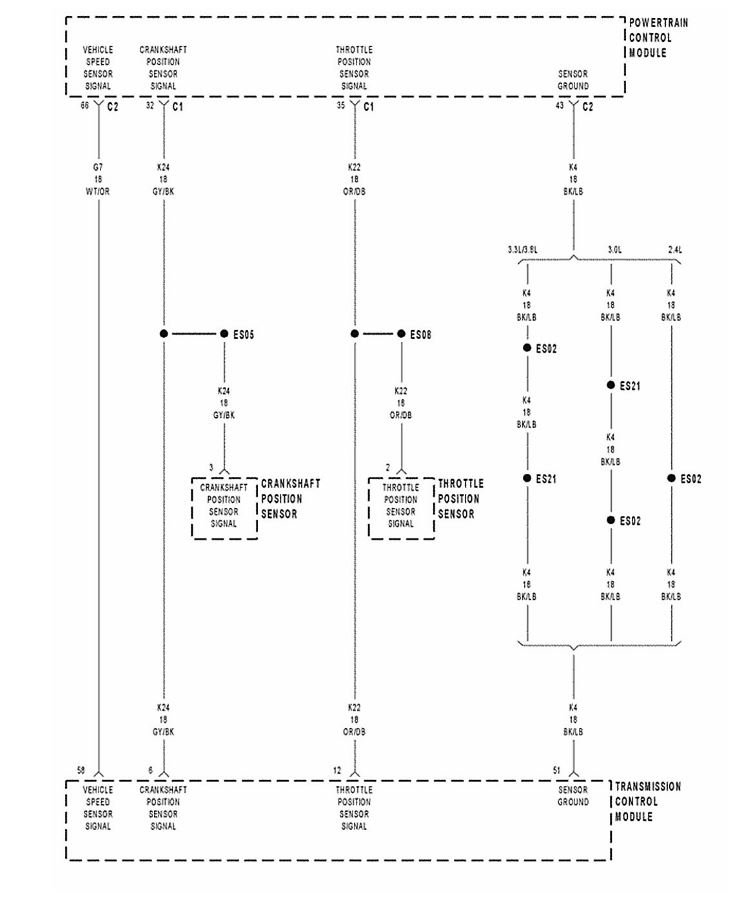
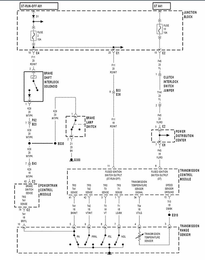
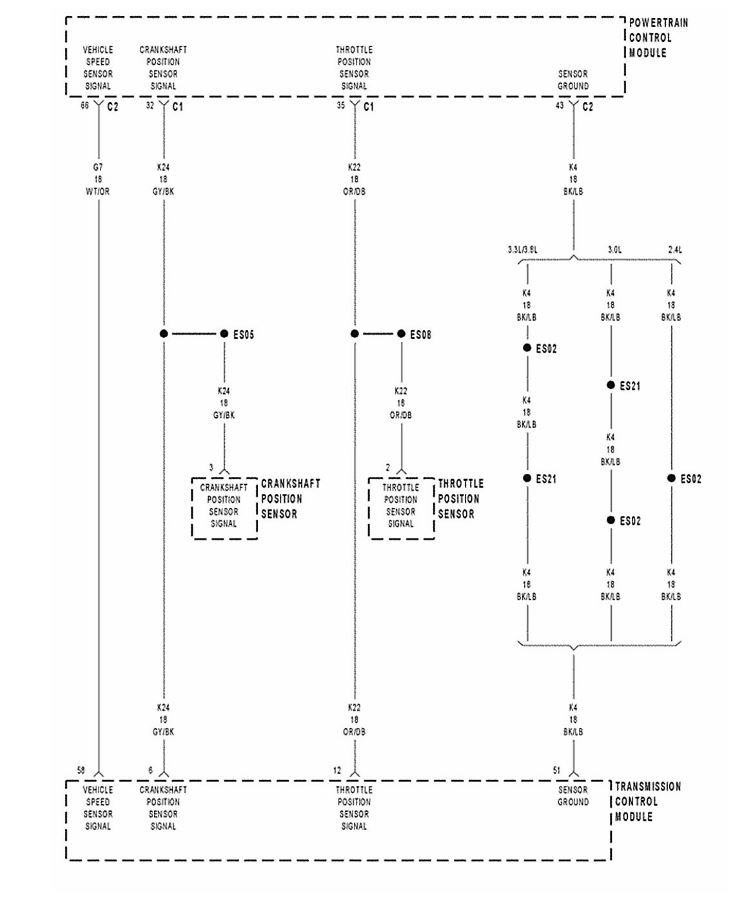
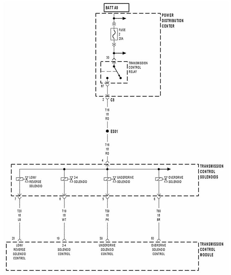
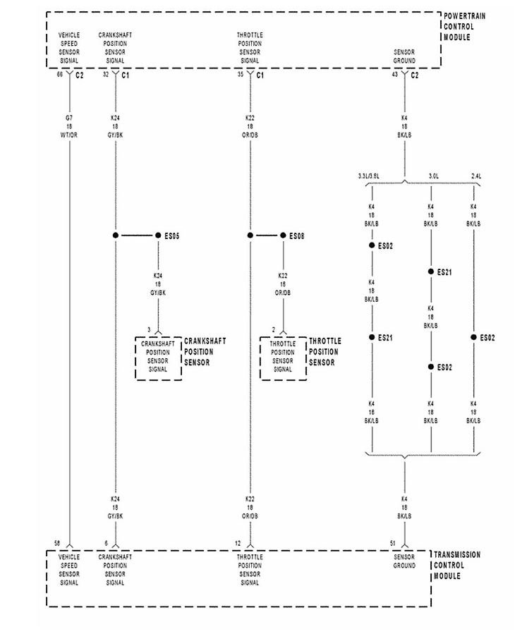
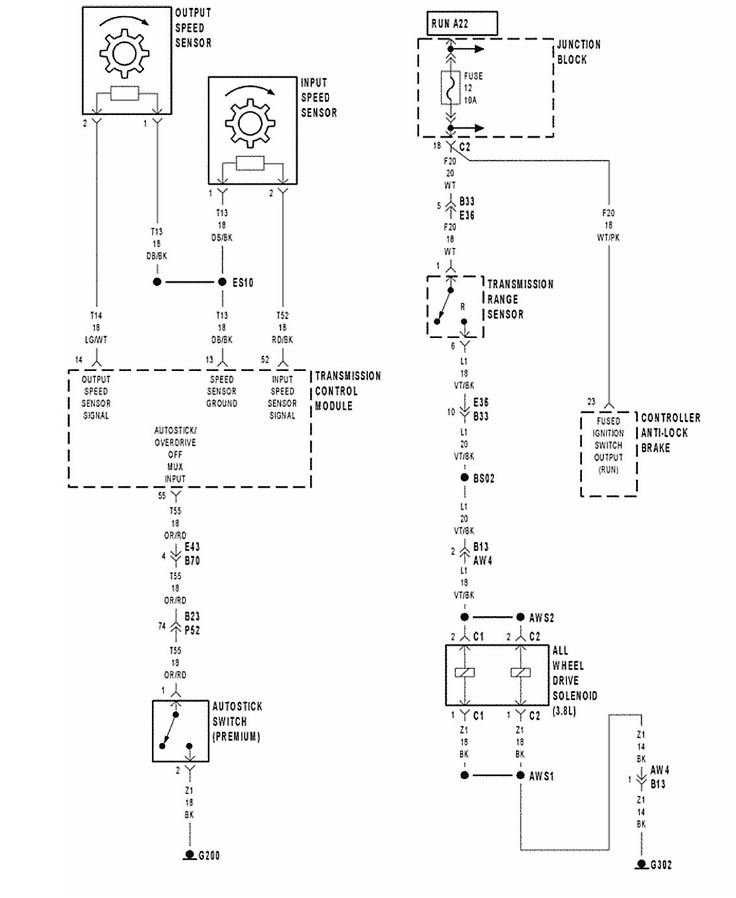
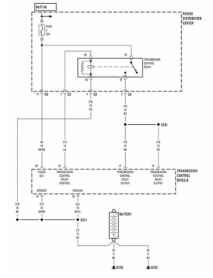
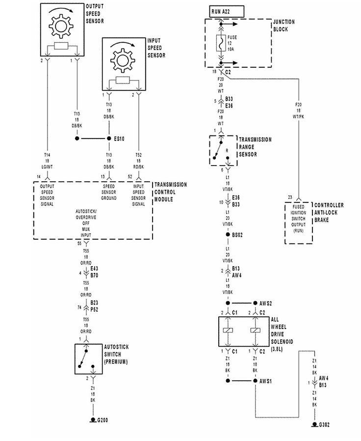
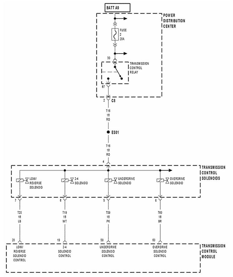
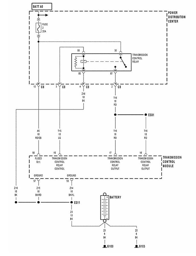
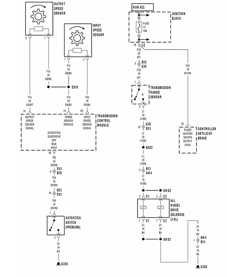
Welcome to 2CarPros. This is the transmission control harness. There are other wires in that harness as well. But these are the transmission controls. Check out the diagrams (Below). Please let us know if you need anything else to get the problem fixed.
Was this
answer
helpful?
Yes
No
Friday, September 27th, 2019 AT 10:10 PM

Please login or register to post a reply.