Trailer wire harness install need diagram

Tiny
THATGUYBENNETT
  • MEMBER
  • 1990 DODGE DAKOTA
  • 2.5L
  • 4 CYL
  • 2WD
  • MANUAL
  • 135,000 MILES
I am installing a wire harness on my vehicle and have not found wiring diagram. I need diagram for reference. Thanks.
Thursday, February 8th, 2018 AT 4:53 PM

2 Replies

Tiny
CJ MEDEVAC
  • MECHANIC
  • 11,005 POSTS
Thought I would pipe this in.

No real thinking/no splicing/no corrosion where wires might be cut/removable as if were never there.

Check out my picture below.

The Medic
Was this
answer
helpful?
Yes
No
+1
Thursday, February 8th, 2018 AT 6:12 PM
Tiny
STEVE W.
  • MECHANIC
  • 15,694 POSTS
Those are great to add in the trailer harness. I have used at least fifty of them from different companies over the years. Simply plug and play. Dodge even sells a kit for your truck that plugs in that way.
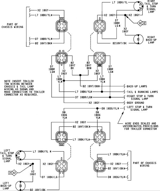
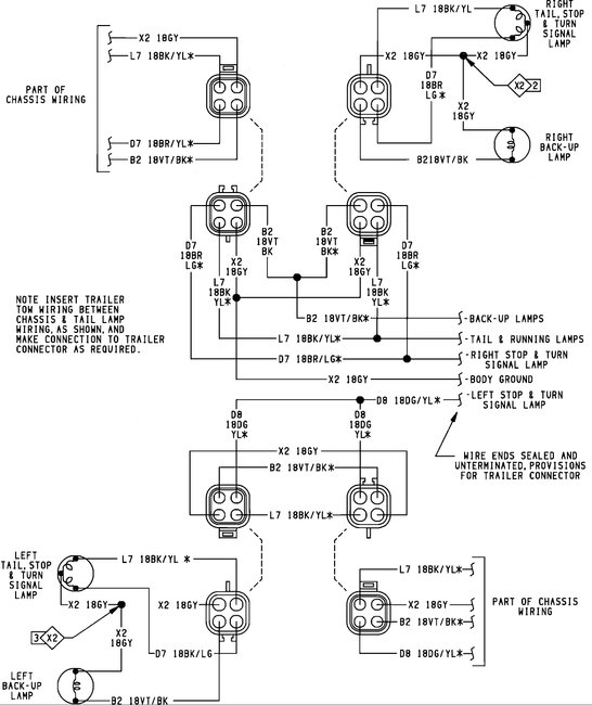
This is the way the kit wires in.
Was this
answer
helpful?
Yes
No
+1
Friday, February 9th, 2018 AT 7:27 PM

Please login or register to post a reply.