Stereo wiring please?

Tiny
MORGANSDAD0919
  • MEMBER
  • 2003 TOYOTA ECHO
  • 4 CYL
  • 2WD
  • MANUAL
  • 21,000 MILES
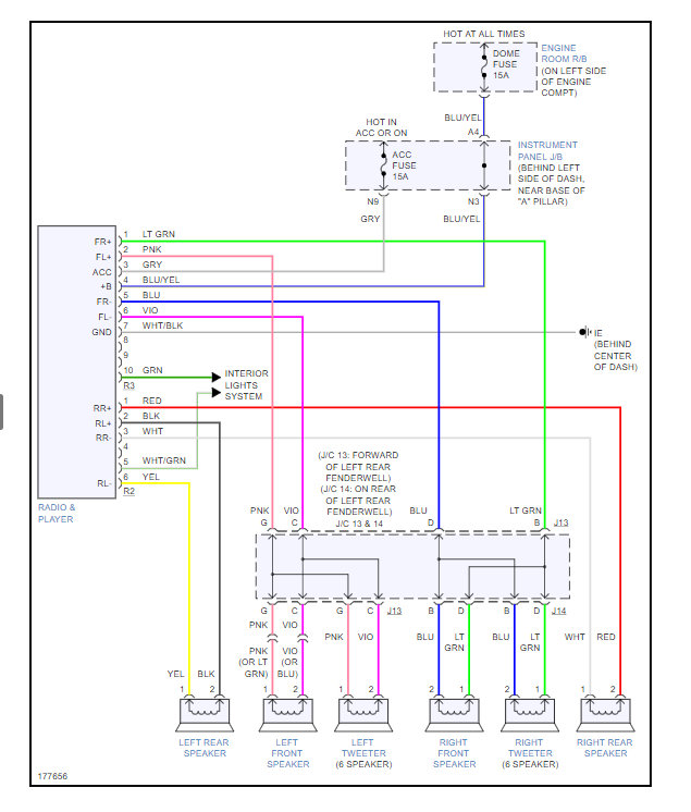
Looking for the wiring diagram for a 2003 echo
Friday, June 11th, 2010 AT 2:54 AM

3 Replies

Tiny
RASMATAZ
  • MECHANIC
  • 75,992 POSTS
This guide will help you check the connections with the radio wiring diagrams below.

https://www.2carpros.com/articles/how-to-check-wiring

Check out the diagrams (Below). Please let us know if you need anything else to get the problem fixed.
Was this
answer
helpful?
Yes
No
+4
Friday, June 11th, 2010 AT 4:00 AM
Tiny
2CP-ARCHIVES
  • MEMBER
  • 4,540 POSTS
  • 2003 TOYOTA ECHO
  • 144,000 MILES
I just installed a radio in my echo but it won't power up I have power going to the plugs and out to the radio but will not turn on when I turn the lights on they illuminate the radio I got the wire info online so I have all the wires going to the right places ACC, constant, ground left, and right speaders and etc. But it just won't power up any thing would help
Was this
answer
helpful?
Yes
No
-1
Thursday, July 16th, 2020 AT 1:30 PM (Merged)
Tiny
CARADIODOC
  • MECHANIC
  • 34,489 POSTS
First you need to repost that huge sentence with some punctuation, otherwise I can read it at least three different ways that don't make sense. What do you mean by "ground left"? What do you have the vehicle ground wire hooked to? Just so I'm clear, this radio has the gray and black seven-pin plugs, right?
Was this
answer
helpful?
Yes
No
Thursday, July 16th, 2020 AT 1:30 PM (Merged)

Please login or register to post a reply.